现代信息科技

现代信息科技

2025年17期
  • 收藏
收藏成功
微博 空间 微信
《现代信息科技》杂志是由广东省科学技术协会主管,广东省电子学会主办的大型优秀科技期刊。本刊始终坚持学术第一的标准和科学、...     展开

类型

半月刊

类别

学术
定价
促销信息
全年订阅更优惠!
¥30.00 ¥18.00
目录

电子工程

基于STM32的智能安全帽系统设计
摘要:在安全生产和高效管理的背景下,传统安全帽功能单一,无法满足全面安全防护和健康管理的需求。文章提出了一种基于STM32F103C8T6单片机的智能安全帽系统设计方案。该头盔采用模块化设计理念,集成了DHT11温湿度传感器、MAX3010...
基于DCCK Vision PIus的锂电池智能检测系统研究与实现
摘要:随着锂电池制造向高精度、智能化方向发展,机器视觉技术已成为提升生产质量与效率的核心手段。文章基于德创智控科技有限公司的DCCKVision Plus视觉平台,构建了一套涵盖锂电池全生产流程的智能检测系统。该系统通过多相机协同标定(定位...
基于差分PWM的低成本音频输出方案研究与设计
摘要:一种基于差分PWM技术代替传统Codec芯片的低成本音频输出方案,通过分析声音的基本原理及PWM技术在模拟信号生成中的应用,设计了基于二阶RC低通滤波的差分音频输出电路。实验表明,该方案在保证 20kHz 以下音频信号正常输出的同时,...
基于STM32的智能电子药箱设计
摘要:文章介绍了一款基于STM32的智能药箱,主要由STM32单片机、指示灯、蜂鸣器报警模块、温湿度检测模块、Wi-Fi模块及电源组成。该药箱可通过手机APP与设备上的Wi-Fi模块建立连接。用户可在APP上设置好服药时间,当到达设定时间时...
基于物理信息同步学习的高频传输线电压预测研究
摘要:高频传输线在电力系统中发挥着至关重要的作用,广泛应用于电磁波的传播与交互。因此,对其电压的精准预测对于信息获取具有重要意义。然而,现有数值方法在计算效率方面存在一定限制。为此,对高频传输线电压预测方法进行了研究,提出一种基于物理信息同...
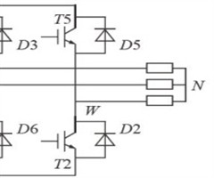
基于Simulink的SPWM三相逆变器仿真分析
摘要:三相逆变器将直流电转换为交流电,为牵引电机提供稳定电源。采用 SPWM(SinusoidalPulse WidthModulation)控制技术,通过调制正弦波与三角波生成脉冲信号,优化输出波形。搭建了包含IGBT模块、直流电源、三相...
基于FPGA的守时显示系统的设计与实现
摘要:为解决守时系统稳定性差的问题,文章设计并实现了一种基于现场可编程门阵列(Field ProgrammableGate Array,FPGA)的守时显示系统。该系统通过全球定位系统(Global Positioning System,G...

人工智能

基于多层感知器神经网络的单频观测伪距精度优化研究
摘要:针对单频接收机因电离层延迟导致定位精度受限的问题,运用多层感知器(MLP)神经网络预测电离层延迟,以提升单频观测伪距精度。研究收集武汉大学IGS数据中心的观测数据及广播星历文件,经预处理后构建MLP神经网络模型。该模型以单频观测伪距及...
基于LSTM预测与K-means聚类的智能家居能效优化
摘要:文章研究了一种基于人工智能与嵌入式系统的智能家居远程电器能效优化系统的设计与实现。系统以STM32F103C8T6为主控制器,采用ESP32作为通信模块,同时配备多个传感器设备,用于实时采集环境信息和电器用电数据。通过设计改进型LST...
基于特征挖掘与跨层互补学习的花卉图像分类
摘要:花卉图像分类致力于识别类间差异细微、类内差异显著的花卉类别,其关键在于如何从高度相似的类别中提取强判别特征。当前主流方法多采用基于注意力的区域定位方法,但此类方法面临两个关键局限:一是过度聚焦少数显著区域,导致潜在关键判别区域被忽视;...
基于Retinex理论和生成对抗网络的低照度图像增强算法
摘要:针对低照度环境下图像存在亮度不足、噪声干扰及细节丢失等问题,文章提出了一种融合Retinex理论和生成对抗网络(GAN)的低照度图像增强算法。该算法的生成器由分解网络、光照调整网络和降噪模块组成,首先,通过分解网络将低照度图像解耦为光...
基于惩罚策略的条件深伪模型对抗攻击方法
摘要:为有效干扰深度伪造模型对图片的修改,文章提出一种通过制作图片对抗样本来对抗攻击深伪模型的方法。首先,重新评估了对抗攻击条件深伪模型的指标,提出“使输出产生失真达到阈值的对抗样本比例”(即攻击成功率),该指标比“输出失真量化值的平均大小...
改进Y0L0v5下的行人车辆多目标识别跟踪检测
摘要:复杂交通环境中行人和车辆的多目标识别跟踪对于保障道路安全和优化交通流具有重要意义,在交通场景中存在目标物尺度差异大、遮挡严重以及时效性要求高等问题。为解决这些问题,提出了一种基于MobileNetV3改进的YOLOv5的行人车辆多目标...
融合BKA优化的CNN-LSTM模型在地面物流碳排放预测中的应用
摘要:为解决地面物流碳排放预测中存在的数据波动性强、非线性显著、时间依赖关系复杂等问题,文章提出一种融合黑翅鸢优化算法(BKA)的CNN-LSTM深度预测模型。该模型利用卷积神经网络(CNN)提取局部特征,通过长短期记忆网络(LSTM)建模...

计算机技术

基于0neNet云平台的环境参数与虫情图像识别监测系统
摘要:农业作为国家经济的根基,其稳定发展至关重要。然而,农业害虫一直是威胁农作物产量与质量的关键因素。基于此,文章设计了一款基于OneNet云平台的环境参数与虫情图像识别监测系统。本系统以STM32单片机为主控芯片,搭载温湿度传感器、光照传...
基于Unity的智慧农业物联网虚拟仿真平台设计
摘要:为满足现代智慧农业的实时监控与精准管理需求,文章设计了一款基于Unity的智慧农业物联网虚拟仿真平台。通过Unity构建3D交互系统,集成多源传感器接口,支持用户通过可视化界面和微信小程序远程操控虚拟农场,实现与物理设备的实时双向同步...
基于深度学习的农田秸秆燃烧检测系统设计
摘要:文章对近年来农田秸秆燃烧检测系统进行调查,并对目标检测算法的应用困境开展深入研究。在秸秆燃烧检测技术方面,结合无人机遥感技术对目标区域进行实时巡检并获取数据,采用深度学习算法实现燃烧目标的智能检测与分类,搭建PC端和微信小程序监测平台...
一种适用于嵌入式系统的二维电子地图显示库的设计与实现
摘要:为在资源有限的嵌入式系统中实现高效率的地图应用,文章提出一种轻量化二维电子地图显示库的设计方案。通过分层架构设计,将显示库划分为图形接口、核心算法与绘制逻辑3个部分,便于跨平台移植;重点讨论电子地图的底层绘制算法,针对资源受限场景,提...

信息化应用

集成学习动态融合的贷款客户失联模式分类与鲁棒优化
摘要:为应对金融机构对贷款客户失联风险防控的精准需求,提出基于动态权重融合的集成学习框架。该框架整合XGBoost、LightGBM及AdaBoost模型的优势,通过噪声注入和特征缺失双重压力测试验证其鲁棒性,并结合特征可解释性方法解析决策...
基于贝叶斯的管制语音指令分类算法的设计与实现
摘要:为达到对管制语音意图理解的目的,文章研究了基于贝叶斯的管制语音指令分类算法的设计与实现。首先,通过对管制语音数据进行标注,将跑道相关管制指令分为7类;然后,通过对标签数据的映射及管制语音数据的编码,得到贝叶斯模型的训练数据;最后,通过...
人工智能时代智慧医院信息架构建设与应用研究
摘要:在智慧医院建设与人工智能发展的背景下,“AI+智慧医疗”已成为推动医院数智化转型的核心引擎。为推动智慧医院从单系统智能化向全域数智化转型,文章阐述了我院信息化建设现状,提出融合我院现有信息平台的“ 4+X′′ 架构体系,以实现AI能力...
多维数据融合的道路交通流实时监测关键技术研究
摘要:通过融合卡口监测数据、浮动车GPS数据及互联网路况数据,文章构建了一个多维度交通流分析框架,自主研发空间九宫格分割算法解决海量数据匹配效率问题。实现交通参数(流量、速度、密度)的实时计算、路网动态热度分析以及元胞自动机驱动的通行模拟。...
吉林省气象业务系统监控集约“天镜”技术分析研究
摘要:文章基于行业标准《气象业务综合监视数据要求》(QX/T640—2022),精简适合本省的监视数据规范格式和异常事件信息属性,细化监控数据融入流程,研究基于气象综合业务实时监控系统(“天镜”)的气象业务系统监控集约技术,将各气象业务系统...
政府公共数据平台数据安全治理体系研究
摘要:聚焦政务数据安全保障能力不足、公共数据安全防护保障体系不规范等问题,文章采用系统工程思想和抽象建模方法,创新性地提出“ 3+3+3 ”数据安全治理体系。第1个“3”,即梳理公共数据平台面临的3大类数据安全风险(客体风险、主体风险、行为...
基于数字孪生的路桥一体化数字底座建设研究
摘要:针对当前路桥数字孪生应用中多源数据融合效率低、场景交互性能不足及编码体系碎片化等问题,提出基于数字孪生的路桥一体化数字底座建设框架。通过全要素三维场景服务、物理真实实时渲染引擎、云端协同渲染与自适应压缩技术,以及动态编码映射与分级评价...
鱼肉剖片加工流水线管理系统的构建与实现
摘要:文章介绍的管理系统基于ESP32微控制器和MQTT协议,应用于鱼肉剖片加工流水线场景,旨在解决传统加工中成品率偏低的问题,提升食品加工行业的管理水平。系统借助RFID模块与数字量称重模块,实现原料框数据的实时采集及工位加工信息的准确记...
地震速报信息聚合与报表自动产出系统的设计与实现
摘要:目前福建地震台速报业务流程中,需产出速报信息报表,而信息数据源分散在不同服务器上;为实现地震速报工作后续环节的自动化,研发地震速报信息聚合与报表自动产出系统。该系统采用VB编程开发,利用MySQL数据库及OLE自动化技术,基于JOPE...
基于SaaS模式的高校教学检查平台研究与实现
摘要:针对传统纸质教学检查方式效率低下、难以闭环管理的问题,对基于SaaS模式的高校教学检查平台进行了研究。采用多租户架构、RBAC权限控制和分布式部署技术,构建了支持检查任务配置、移动端数据采集、统计分析及反馈闭环的一体化管理平台。基于 ...

网络与信息安全

基于等保2.0标准的互联网数据中心(IDC)合规建设研究
摘要:为确保互联网数据中心(IDC)的稳定运行和网络安全,运营者在建设互联网数据中心(IDC)时,必须紧密结合等保2.0标准的要求,实现信息化建设与网络安全管理的同步规划、同步建设、同步使用。经过对互联网数据中心(IDC)主要业务场景及存在...
基于生成式扩散模型的人脸图像隐私保护算法
摘要:针对图像中人脸信息易泄露隐私且传统方法有痕迹、可恢复,基于深度学习方法难兼顾隐私保护与图像可用性的问题,提出基于生成式扩散模型人脸隐私保护算法,引入动态特征门控机制,用门控卷积自适应遮蔽关键隐私区域,提出高效通道注意力门控卷积块提升特...
基于可编辑区块链的数据濒源框架
摘要:随着全球数字化和信息化程度的不断提升,数据溯源技术在保障数据真实性、透明性和安全性方面日益重要。区块链技术凭借其去中心化、不可篡改和数据安全的特点,已成为数据溯源的理想解决方案。然而,在基于区块链的溯源系统中,不可篡改性在一定程度上也...
动态模数更新的格基-RSA混合加密架构研究
摘要:随着量子计算技术发展,Shor算法对基于大整数分解的RSA密码体系构成威胁。格基密码学虽具量子抗性,却存在密钥尺寸大、运算效率低及与现有公钥基础设施兼容性不足等问题。为此,该研究提出动态模数更新的格基-RSA混合加密架构,构建基于环学...
低门槛国密算法交互式学习工具的设计与应用
摘要:随着网络安全领域对密码学技术的需求日益增长,密码学人才的培养成为当务之急。然而目前主流的密码算法工具如GMSSL和OpenSSL虽适用于专业人才,对初学者却存在较高的使用门槛,难以直观展示算法运行过程。针对这一问题设计并实现了一款基于...
基于区块链的公共区域隐私数据访问控制方案
摘要:公共区域环境日渐复杂,目前基于区块链的访问控制还不能完全运用到实际场景中。为了解决摄像头收集的数据的隐私安全隐患,提出了一种基于区块链的解决方案,该方案结合访问控制与区块链技术,实现了角色和属性双重验证的访问控制模型。方案解决了单点故...
基于ChatGPT与金融数据接口的智能选股及回测系统研究
摘 要:文章深入探讨了融合ChatGPT自然语言处理能力与金融数据接口的智能选股及回测系统。通过将ChatGPT的对话交互功能与Tushare、东方财富等金融数据接口相结合,实现了从用户自然语言需求到量化指标的自动转换,并高效筛选出符合条...
基于DIV+CSS的响应式布局的设计与研究
摘 要:随着互联网技术的快速发展,Web前端设计在不同设备上的适配性成为提升用户体验的关键。文章以基于DIV+CSS的响应式布局为核心,探讨了其在现代前端设计中的应用与实现。首先分析了响应式布局的基本原理及其与固定布局的对比;接着结合现有...
相关杂志
  • 中国商论

    中国商论

    2026年04期
    ¥17.49
  • 中外建筑

    中外建筑

    2026年01期
    ¥9.90
  • 河南科技

    河南科技

    2026年02期
    ¥6.00
  • 海洋开发与管理

    海洋开发与管理

    2025年10期
    ¥21.69
  • 计算机应用文摘

    计算机应用文摘

    2026年04期
    ¥9.00
  • 社会科学研究

    社会科学研究

    2026年01期
    ¥9.00
  • 现代信息科技

    现代信息科技

    2026年04期
    ¥18.00
  • 湖南大学学报(社会科学版)

    湖南大学学报(社会科学版)

    2025年06期
    ¥12.00
  • 中国调味品

    中国调味品

    2026年02期
    ¥0.00
  • 计算技术与自动化

    计算技术与自动化

    2025年04期
    ¥10.89
  • 民主与科学

    民主与科学

    2025年06期
    ¥3.39
  • 中西医结合心脑血管病杂志

    中西医结合心脑血管病杂志

    2026年05期
    ¥4.00
订阅全年后,您可享受以下权益
①该本杂志即日起至未来1年内所有更新电子版杂志的使用权限;
②赠送该杂志的部分往期的杂志的使用权限,有效期1年。

全年订购价格: ¥432.00

订阅全年
--%>

登录龙源期刊网

温馨提示:

1.点击网站右上角的“充值”按钮可以为您的账号充值

2.充值金额可以选择30,50,100或500元

3.充值成功后即可购买网站上的任意杂志或文章

还没有龙源账户? 立即注册

购买杂志

现代信息科技

杂志价格:¥18.00元

  • 微信扫码支付
  • 当前余额:100.00

购买杂志

现代信息科技

杂志价格:¥18.00元

  • 微信扫码支付
  • 当前余额:¥100.00

    去充值
monitor
客服机器人