现代信息科技

现代信息科技

2025年15期
  • 收藏
收藏成功
微博 空间 微信
《现代信息科技》杂志是由广东省科学技术协会主管,广东省电子学会主办的大型优秀科技期刊。本刊始终坚持学术第一的标准和科学、...     展开

类型

半月刊

类别

学术
定价
促销信息
全年订阅更优惠!
¥30.00 ¥18.00
目录

通信工程

基于短截线和马刺线的宽阻带带通滤波器设计
摘要:介绍了一种高频率选择性宽阻带微带带通滤波器。其由两个半波长微带谐振器构成,采用抽头耦合引入零馈电方式,在通带两侧生成两个传输零点,提高了频率选择性。为了提高阻带性能,在 50Ω 馈线上加载两条四分之一波长开路短截线,引入传输零点抑制谐...
音响模块低温下无自听回环音分析与解决措施
摘要:为了解决音响模块低温下无自听回环音故障,针对模块自听音回环实现原理做了详细的分析,提出故障系系统应用匹配不良所致,通过对目标分析确认器件13脚(VCC)与14脚(VCC)内部并未短接,两者之间实际存在有约700Ω的阻抗。若只给14脚供...
内蒙古呼张高铁5G通信网络建设与应用研究
摘要:为了探讨高速移动环境下5G网络的优化部署,研究深入分析了呼张高铁的5G通信网络建设及其应用。研究了呼张高铁及其5G建设的背景,强调了高铁用户对高速、稳定通信的需求。提出了基于 2.1GHz 和 3.5GHz 的双频网络设计方案,分析了...
基于WebRTC混合架构的电气工地实时通信系统设计与实现
摘要:为解决传统电气施工现场通信方式存在的效率低下与安全性不足问题,文章提出一种基于WebRTC混合架构的电气工地实时通信系统。该系统融合了局域网P2P与远程选择性转发单元SFU等技术,通过高效的音频编解码与混音处理技术,确保通信过程低延迟...

电子工程

透明导电薄膜钙钛矿透明导电氧化物薄膜的研究进展与应用前景
摘要:氧化铟锡(ITO)是目前透明导电薄膜市场的主流产品,由于铟资源稀缺等缺点,研究人员一直寻找其他光电性能优异的薄膜产品。钙钛矿透明导电氧化物(TCO)因其可调控晶体结构、优异电学性能及高可见光透光率,有望成为替代传统ITO的潜在材料。文...
基于单片机的自然语言交互智能轮椅系统的设计
摘要:针对人口老龄化及残障人士的出行问题,结合现代AI技术的发展,提出了一种基于单片机的自然语言交互智能轮椅系统设计方案。该智能轮椅旨在降低老年人和残障人士的出行难度,采用大小双系统设计:大系统通过霍尔摇杆、手机APP和语音识别三种方式实现...
基于傅里叶级数的时栅位移随机误差降低方法
摘要:现代高端装备制造对精密位移测量抑制随机误差的能力提出了更高要求。为抑制时栅位移传感器的随机误差,提出了一种基于傅里叶级数的相位测量方法。该方法结合汉宁窗,减少信号截断导致的吉布斯现象。同时,采用交替方向乘子法,将傅里叶分析分解为频率分...

人工智能

基于YOL0v5与ArcFace的轻量化人脸识别系统研究
摘要:随着智能化时代的到来,对人脸识别技术的准确率、处理时间及模型轻量化部署提出了越来越高的要求。针对上述问题,文章利用YOLOv5与ArcFace网络结构准确率高、响应时间快等特点,设计了一套轻量化人脸识别系统。与传统的CNN卷积神经网络...
基于注意力机制的肝癌基因表达识别
摘要:肝癌是我国发病率和死亡率均较高的癌症类型,给社会带来了沉重的疾病负担。近年来,随着深度学习技术的深入发展和应用,一些基于深度学习利用基因调控因子预测基因表达的算法被提出。然而,使用肝癌中组蛋白修饰对基因表达上下调预测的算法,其正确率仍...
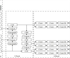
基于改进Y0L0v8的无人机影像道路病害检测方法研究
摘要:针对现有无人机影像道路病害检测方法的不足,提出了一种基于改进YOLOv8的无人机影像道路病害检测方法,旨在提高道路病害检测的准确性和实时性,为道路养护提供有力支持。首先为提高模型对道路病害的识别能力,设计了C2f AttentionI...
我国GenAI在教育中应用的研究图景
摘要:为探析我国生成式人工智能(GenAI)教育应用的研究图景,对532篇CNKI核心文献进行考察分析。基于文献计量法发现,国内相关研究成果自2023年起呈井喷式增长趋势,教育技术学领域学者在研究中起引领作用,研究视角多聚焦于技术赋能与教育...
基于fMRI的动态高阶功能连接网络的研究
摘要:基于静息态功能磁共振成像(resting-state functional Magnetic Resonance Imaging,rs-fMRI)的功能连接网络(FunctionalConnectivity Network,FCN),...
基于知识图谱构建 Al+ 教育新场景
摘要:随着人工智能技术的发展,教育领域同样需要不断革新,围绕学校最重要的培养人才这一目的,该文章对知识图谱结合AI的教学改革策略进行了研究,提出了使用基于知识图谱的AI智能应用为教育赋能的方案。借助合作企业的平台建设学校专业教学资源库,并在...
基于FasterR-CNN的小样本小目标检测研究
摘要:由于当前数据库中存在一定的依赖问题、训练测试集与真实情况存在一定不匹配等情况,文章以迁移学习为基础,以改进迁移学习为方法,结合FasterR-CNN算法,特别针对空中小目标进行检测和分类,着力解决空中小目标错漏识别的问题。在真实与仿真...
基于混合深度学习架构的Web注入检测方法研究与实现
摘要:随着网络安全威胁的持续增加,Web注入攻击成为常见的攻击手段之一。传统的Web注入检测方法普遍存在适应性差、依赖人工特征、难以应对加密混淆攻击等问题。因此,文章提出一种基于混合深度学习架构的Web注入检测模型,该模型结合卷积神经网络(...

计算机技术

中医电子病历命名实体识别研究进展
摘要:中医电子病历作为中医药理论与现代信息技术结合的结果,蕴含大量半结构化或非结构化的临床信息,其高效利用依赖于自然语言处理中的命名实体识别技术。文章系统梳理了中医电子病历命名实体识别技术的研究进展,明确了其核心任务是从文本中识别疾病、症状...
一种面向在线交易场景的序列推荐方法
摘要:基于在线交易场景的序列推荐系统旨在根据用户现有的访问历史记录,预测用户可能感兴趣的下一个项目,已成为各大应用商城中不可或缺的重要组成部分。然而,当前该领域研究面临的主要问题是原始数据集规模不足,导致模型无法得到有效学习,且难以准确挖掘...
微服务架构的高校协同人员管理服务平台建设
摘要:在高校现行用人用工及对外合作交流机制下,衍生出不同类型的协同人员。为实现对协同人员身份数据管理和畅通申办凭证介质渠道,使其能利用校内资源在校正常学习、工作和生活,特设计建设了专用于协同人员的管理服务平台。通过分析高校协同人员的现状与需...
考虑辐射声波传播时延的气泡动力学方程数值计算
摘要:介绍了在考虑气泡辐射声波传播时延的情况下,描述刚性壁面附近单气泡和无界液体中双气泡在超声驱动下脉动的动力学方程,提出了基于MATLAB编程语言的延迟气泡动力学方程数值求解方法。利用该方法,计算了考虑气泡辐射声波传播时延情况下上述两种环...
基于微信小程序景区安保系统的设计与实现
摘要:针对偏远地区景区在游客信息管理方面所面临的难题,设计并成功开发了一款微信小程序。该小程序借助移动端的便捷性、全面性以及高效的登记功能,实现了车辆及人员信息的即时记录与动态更新,有效减轻了景区管理工作的负担,并显著提升了景区旅游人员的安...
基于VHD技术的实训系统在高端PC的快速化部署
摘要:目前高校学生笔记本普遍使用厂家预装的Windows11家庭简体中文版,但很多电子系、机械系等专业的软件仍基于Windows10专业版系统,个别财务软件甚至仍基于Windows7系统。在不卸载原有系统或软件的情况下,加装一个可用于实训的...
基于微服务架构的丽水市建设局全生命周期平台设计与实现
摘要:文章介绍了丽水市建设局全生命周期平台的设计与实现,该平台采用微服务架构、遵循模块化与松耦合的理念构建了一个统一的部署环境。通过建设统一用户体系模块、API注册机制、打印模块、数据模块、效率模块和显示模块,平台实现了用户管理、业务模块接...
融合信息增强和兴趣演化的个性化推荐
摘要:序列预测模型能够有效捕捉用户行为的动态变化,可以为推荐系统提供更具个性化的预测。但现有模型注重模型构建,忽视了数据不均衡问题。为此设计了融合信息增强和兴趣演化的个性化推荐模型(Deep InterestEvolution Networ...
高校公共实验室信息化平台的建设与实践
摘要:文章结合南京工业大学公共实验室信息化建设的实际需求,探索信息化、网络化、数据化、智慧化管理的新模式,构建起科学系统的实验室信息化平台。该平台基于B/S架构构建,前端采用了微信小程序端和基于Vue.js的Web端,后端则依托 Sprin...
基于QEMU的ARMCortex-A76虚拟平台仿真的研究与实现
摘要:面对航空航天领域应用的复杂嵌入式系统,采用传统嵌入式开发方式可能存在硬件开发制约软件开发、硬件资源紧张等问题。通过虚拟化技术构建目标硬件平台的仿真环境,可模拟目标硬件的CPU、内存及 1/0 设备等关键组件,使开发人员在缺乏实际硬件资...
基于微信小程序的越剧文化数字化推广平台开发
摘要:针对当前越剧数字资源匮乏与传播渠道受限的现实问题,本研究通过实证调研系统分析越剧文化传播现状,依托《中国越剧大考》权威典籍,设计并开发了“越剧大考”微信小程序平台。该平台集成数字阅读、智能交互与个性化收藏三大核心功能模块,构建了集知识...

信息化应用

结合YOL0与Android平台的答题卡自动评分系统的应用研究
摘要:传统的人工阅卷方式效率低且易出错。为此,结合YOLO目标检测算法与Android平台,设计并实现了一种答题卡自动评分系统。首先通过搭建深度学习环境、准备数据集,使用LabelImg对图像进行标注,利用PyTorch框架训练YOLOv5...
ERP与智能立库集成实现制造业仓库精细化管理
摘要:在制造业竞争激烈的背景下,仓库管理的精细化程度对企业成本控制与运营效率至关重要。本研究聚焦于ERP与智能立库的集成,采用理论阐述、集成实践与效益分析的方法,深入探讨其在制造业仓库精细化管理中的应用。通过设计系统架构、改造硬件、优化业务...
基于游客体验的智慧景区智能技术应用重要-成效性评价
摘要:随着信息技术的快速发展,智慧景区的建设已成为旅游业高质量发展的重要趋势。智慧景区通过整合大数据、虚拟现实和人工智能等智能技术,显著提升了游客体验、管理效率和景区竞争力。文章聚焦于智慧景区智能技术应用效果及其提升对策,旨在为旅游业的智慧...
热电偶测温与红外测温在防火门耐火试验中的应用研究
摘要:在温度测量技术中,接触式测温和非接触式测温是两种常见的方式,其中常见的测温方法分别为热电偶测温和红外测温法。在实验室对防火门耐火性能的测试中,温度测量采用的是热电偶测温法,此方法在实践中可能存在一些局限性,在此基础上引入红外测温法来测...
基于FME的空间信息数据处理技术研究
摘要:随着国家智慧城市和数字化转型战略的深入推进,城市空间数据的精准管理与有效整合已成为构建数字城市的关键基础。文章针对规划资源管理中多源空间数据存在不一致问题,提出了基于FME的空间信息数据处理技术解决方案。通过构建自动化分析工具,实现了...
基于K-means算法和遗传算法两阶段融合模型的物流配送线路优化
摘要:为实现卷烟物流配送控本增效的目标,文章将K-means算法与遗传算法相融合,基于业务约束条件构建了一种物流配送线路优化模型。以2023年自主品牌卷烟的全国销售数据为基础,根据收货城市的经纬度,采用K-means聚类算法进行聚类操作;为...
融合改进K-SMOTE与LightGBM算法的故障检测方法
摘要:针对工业故障检测中类别不平衡数据导致的模型泛化能力弱、对少数类故障识别精度不足等问题,文章提出一种融合聚类优化与集成学习的分类框架,旨在提升多类故障检测的鲁棒性与准确性。采用了基于K-means聚类的改进SMOTE算法(K-SMOTE...
基于云服务平台的项目驱动课程实践教学模式设计
摘要:针对计算机软件类课程实践教学中算力需求分层适配难与产学资源同步性不足问题,研究旨在提出基于云服务资源的分层项目驱动教学模式,以提升学生的实践能力与创新能力。通过整合头歌(EduCoder)与和鲸社区(Heywhale)的云服务平台资源...
协同办公系统在高校智慧校园中的设计与应用研究
摘要:高校在智慧校园建设中,建设了许多行政办公系统,但这些系统往往作为独立的系统被应用于高校的日常行政办公中,存在系统间流程难以集成、数据难以共享、操作不便等问题。为了解决高校行政办公系统存在的问题,文章设计和建设了一套集OA、一网通办为一...

物联网

智能水质监测系统设计与实现
摘要:文章提出了一种智能水质监测系统的设计,该设计基于STM32F103单片机设计了一款水质监测系统,该系统基于各种水资源指标监测传感器可对监测目标的水位、pH酸碱度、TDS等环境参数进行监测。有助于及时检测并解决水质问题,保障了水资源的安...
基于脑电波监测的疲劳驾驶预防系统设计
摘要:道路交通安全问题日益突出的背景下,针对疲劳驾驶引发交通事故的现象,开展基于生理信号的驾驶员疲劳检测方法研究。通过实时采集驾驶员脑电波信号,构建疲劳状态评估算法,开发出集成数据采集、处理及警示功能的检测系统。以STC32G12K128单...
相关杂志
  • 中国商论

    中国商论

    2026年04期
    ¥17.49
  • 中外建筑

    中外建筑

    2026年01期
    ¥9.90
  • 河南科技

    河南科技

    2026年02期
    ¥6.00
  • 海洋开发与管理

    海洋开发与管理

    2025年10期
    ¥21.69
  • 计算机应用文摘

    计算机应用文摘

    2026年04期
    ¥9.00
  • 社会科学研究

    社会科学研究

    2026年01期
    ¥9.00
  • 现代信息科技

    现代信息科技

    2026年04期
    ¥18.00
  • 湖南大学学报(社会科学版)

    湖南大学学报(社会科学版)

    2025年06期
    ¥12.00
  • 中国调味品

    中国调味品

    2026年02期
    ¥0.00
  • 计算技术与自动化

    计算技术与自动化

    2025年04期
    ¥10.89
  • 民主与科学

    民主与科学

    2025年06期
    ¥3.39
  • 中西医结合心脑血管病杂志

    中西医结合心脑血管病杂志

    2026年05期
    ¥4.00
订阅全年后,您可享受以下权益
①该本杂志即日起至未来1年内所有更新电子版杂志的使用权限;
②赠送该杂志的部分往期的杂志的使用权限,有效期1年。

全年订购价格: ¥432.00

订阅全年
--%>

登录龙源期刊网

温馨提示:

1.点击网站右上角的“充值”按钮可以为您的账号充值

2.充值金额可以选择30,50,100或500元

3.充值成功后即可购买网站上的任意杂志或文章

还没有龙源账户? 立即注册

购买杂志

现代信息科技

杂志价格:¥18.00元

  • 微信扫码支付
  • 当前余额:100.00

购买杂志

现代信息科技

杂志价格:¥18.00元

  • 微信扫码支付
  • 当前余额:¥100.00

    去充值
monitor
客服机器人