基于改进Y0L0v8的无人机影像道路病害检测方法研究

打开文本图片集
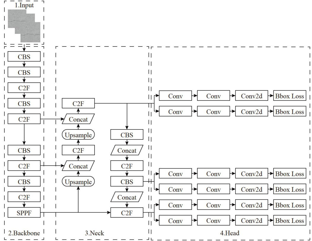
关键词:道路病害检测;深度学习;YOLOv8;C2fAttentionIRMB模块;SIoU损失函数中图分类号:TP391.4 文献标识码:A 文章编号:2096-4706(2025)15-0048-06
Research on UAV Image Road Disease Detection Method Based on Improved YOLOv8
AN Xuegang, WANG Yizong, SHE Bohan, DING Qihang (School ofInformationEngineering,XinjiangInstituteofTechnology,Aksu 8431oo,China)
Abstract: Aiming at the shortcomings of the existing UAV image road disease detection methods,this paper proposes a UAV image road disease detection method based onimproved YOLOv8,whichaims to improve the accracyand realtime performanceofroad disease detection,and provide strongsupportforroad maintenance.Firstly,inorder toimprove the recognition abilityof te modelforoaddisease,aC2fAtentioIRMB module isdesigedin this paper Secondly,preprocessing dataenhancementmetodisused toehance thegeneralizationabilityofthemodel.Finallinordertobeterachievethetraiing speed,optimeteosiialpedictionaccuracyoftelossfunctiondimprovetelocalzaoncracyofteallets, and the SIoU loss function is used.The experimental results show that the proposed method improves F1 by 3% and mAP @0.5 (20 by 2.2% compared with the original algorithm. It has obvious advantages in detection accuracyand real-time performance,and achieves better detection results compared with traditional methods and existing Deep Learning methods.
Keywords: road disease detection; Deep Learning; YOLOv8; C2f Atention IRMB module; SIoU loss function
0 引言
随着我国基础设施建设的快速发展,道路里程和交通密度逐年增加,道路病害问题日益凸显,道路维护变得尤为重要。(剩余5244字)