河南科技

河南科技

2025年23期
  • 收藏
收藏成功
微博 空间 微信
《河南科技》杂志是河南省科技厅主管、河南省科学技术信息研究院主办、河南《创新科技》杂志社出版的公开出版物,《河南科技》杂...     展开

类型

半月刊

类别

学术
定价
促销信息
全年订阅更优惠!
¥10.00 ¥6.00
目录

科技资讯

科技资讯
新AI模型可精准锁定人体致病突变 美国哈佛大学医学院与西班牙巴塞罗那基因组调控中心科学家在11月24日出版的《自然·遗传学》杂志上发表研究成果称,他们开发出一款名为popEVE的人工智能(AI)模型。该模型能精准锁定人类蛋白质中最...

电气工程与自动化

双机器人协同的变压器硅钢片自动叠片系统设计与工程验证
摘要:【目的]随着变压器对低损耗、高一致性铁芯的需求不断提升,传统人工叠片和单机串行叠片模式在生产节拍、叠层对齐精度及质量追溯方面的制约日益凸显。因此,设计一种“双机器人(主臂/辅臂)协同 + 在线质检 + MES闭环”的硅钢片自动叠片系统...
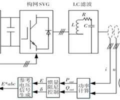
构网型SVG虚拟阻抗与阻尼解耦控制
摘要:【目的】随着新能源在电力系统中占比的不断提升,微电网系统惯量不足和阻尼特性改变引发的稳定性问题日益凸显。因此,提出一种基于虚拟阻抗优化的解耦控制方法。[方法】首先,深入研究构网型SVG的虚拟阻抗与解耦控制策略,构建详细的数学模型,分析...
民用飞机视景系统适航批准及运行效益分析
摘要:【目的】研究平视显示系统(HUD)、增强视景系统(EVS)、增强飞行视景系统(EFVS)、合成视景系统(SVS)等民用飞机机载视景系统,为国产民用飞机机载视景系统产品的开发提供参考,提升飞机在低能见度条件下的运行能力,保障飞行安全【方...
风电变流器故障诊断方法及便携式平台设计
摘要:【目的]风电变流器是风电机组并网运行的关键部件,其故障类型多样、运行环境复杂。传统的检测方法在实际应用过程中常出现误判率高、适应性差等问题。为提升故障诊断的准确性与鲁棒性,设计了一种融合模糊逻辑推理与规则树决策机制的算法。方法】该算法...

机械与动力工程

大尺寸扩口式管路锥面连接密封性能研究
摘要:【目的】针对大于标准推荐尺寸的扩口式管路连接的密封性能进行研究,为大尺寸扩口式管路锥面连接提供指导。【方法】通过对大尺寸锥面管路典型连接形式进行仿真建模,对其不同预紧力下的接触压力及接触面宽度进行分析。【结果】仿真结果表明,大尺寸扩口...
基于TRIZ理论的重卡副轴总成齿精度与长度测量方法研究
摘要:【目的】重卡副轴总成作为汽车传动系统的关键部件,其齿精度和长度直接影响整车的动力传递效率与寿命。然而,其现有检测方法普遍存在精度不足、效率低下及自动化程度低的问题,需要加以解决。引入TRIZ理论对测量系统进行系统性分析与创新设计,以期...

矿业与水利工程

基于CiteSpace的国内抽水蓄能研究进展及热点分析
摘要:【目的揭示国内抽水蓄能领域的研究进展与前沿趋势。方法】利用CiteSpace软件,对中国知网(CNKI)SCI来源期刊、EI来源期刊等5类核心期刊的2173篇文献进行统计分析及综合研究。【结果]1992—2024年年度发文量呈指数增长...
矿山开采地下转露天境界优化及边坡稳定研究
摘要:【目的】某矿山A1矿体埋藏浅,原设计为地下开采。针对地下开采初期建设周期长、露天开采矿石贫化率与损失率较低的特点,为实现安全高效生产,本研究提出改用露天开采方案。【方法】基于矿山实际地质条件,采用3DMine软件构建三维地质模型,结合...
顾北煤矿区域注浆影响下灰岩水化学变化特征研究
摘要:【目的]针对淮南煤田1煤底板灰岩水区域治理对水环境影响问题,以顾北煤矿北一采区陷落柱注浆工程为例,研究区域注浆对灰岩水化学特征的影响。方法】基于水化学数据,通过灰岩水的常量指标统计、Piper图、相关性分析、离子组合比、饱和指数与主成...
土体抗拉强度试验新方法及试验设备研发
摘要:【目的】土体的抗拉强度参数对工程设计很重要,但由于其测试方法标准不统一、不成熟,存在测试范围局限、测试困难、测试结果不可靠的难题。本研究基于土体力学特性和土工试验方法,经间接和直接法抗拉强度试验,旨在解决土体抗拉强度测定不准确的问题。...

交通与土木工程

摇摆一自复位中柱在地下车站中的抗震性能研究
摘要:【目的】在地震作用下,中柱是地下车站的薄弱环节,中柱抗震能力不足是导致结构损坏甚至塌毁的主要原因。将地下车站的中柱设置为摇摆—自复位结构形式,可以达到减隔震的目的。【方法]通过建立土一结构相互作用模型进行数值分析,首先对中柱轴压比、无...
一种矩形钢管混凝土柱一H钢梁无隔板节点承载力的计算方法
摘要:【目的】针对矩形钢管混凝土结构柱宽度日益减小的趋势和节点区混凝土难以振捣密实的施工难题,提出一种矩形钢管混凝土柱—H钢梁的无隔板节点连接方式及其节点承载力计算方法。【方法】在数值试验和有隔板节点的抗弯承载力计算方法的基础上,针对无隔板...
基于LubaniWORKS的建筑工程三维仿真优化技术研究
摘要:【目的】为了保证大型复杂工程的工程质量,提高设计效率,基于BIM信息化平台对建筑工程进行高效优化设计。【方法】以郑州市某高层住宅项目为例,利用LubaniWORKS信息化集成平台,建立三维仿真模型进行碰撞检测,并对土建工程、安装工程进...

化工与材料工程

聚丙烯粒子瑕疵智能检测系统的设计与效能分析
摘要:【目的】随着智能制造在化工领域的深度渗透,聚丙烯粒子的质量检测精度与效率成为影响其高端应用的关键因素。本研究针对聚丙烯粒子检测过程中人工质检效率低、标准不统一、反馈滞后及数据孤岛等行业痛点,设计了一套聚丙烯粒子瑕疵智能检测系统。【方法...
TOR改善活化胶粉改性沥青及混合料性能研究
摘要:【自的】为改善常规胶粉改性沥青储存稳定性及施工性能。【方法】采用NaOH溶液对胶粉预处理并添加TOR改性剂,通过高温流变试验和旋转黏度试验评价改性沥青高温性能,通过BBR试验评价改性沥青低温性能,通过车辙试验、低温弯曲试验和冻融劈裂试...
基于流变试验的温拌沥青结合料热氧老化特性分析
摘要:【目的】针对温拌沥青在热氧老化过程中的性能演变不明确的问题,系统研究不同温拌剂和沥青类型对其热氧老化流变特性的影响,为温拌沥青耐久性设计提供理论支撑。【方法】以SK-70#基质沥青和SBS改性沥青为基体,分别掺加Sasobit、Evo...

地球科学与环境工程

气候变化与人类活动双重驱动下的大夏河流域水文演变:特征、趋势与调控对策
摘要:【目的】研究气候变化与人类活动双重驱动下大夏河流域水文演变规律,揭示其导致的水资源时空分异、径流过程变异及生态水文系统稳定性降低的响应机制,为大夏河流域水资源优化管理与生态安全保障提供理论依据。【方法】基于多源水文气象数据与水文模型,...
起伏地层地震正演模拟分析
摘要:【目的探讨地震数值模拟在优化储层识别方法方面的应用效果,提升复杂地质条件下油气储层精细结构的识别和预测能力,为桩海潜山地区储层的精细勘探开发提供科学依据。【方法】基于岩层与围岩波阻抗的差异,利用地震波数值模拟,构建了包含水层、油层、天...
基于PLUS-InVEST模型的渭河流域耕地碳储量时空演变及多情景模拟预测
摘要:【目的]揭示渭河流域耕地利用及其碳储量时空演变特征,为研究“双碳”战略目标下提高耕地利用的固碳潜力提供参考。【方法】以渭河流域为研究对象,运用InVEST模型和PLUS模型等方法,对1990—2020年的耕地利用及其碳储量时空演变进行...
高陵区土地节约集约利用与经济增长的关系分析
摘要:[目的]探究土地节约集约利用与经济增长水平之间的关联,为高陵区合理利用土地提供理论依据,推动经济稳定增长和区域均衡发展。方法】采用文献分析法、定性定量相结合法、统计分析法和比较分析法,对高陵全域及各街道土地节约集约利用状况进行深入分析...

知识产权与专利导航

生成式人工智能服务提供者版权注意义务问题研究
摘要:[目的]生成式人工智能的强大输出能力和海量输出现实构成对以往自然人有限输出的颠覆,输出内容中有侵犯他人著作权的风险,研究旨在对生成式人工智能背后的服务提供者进行规制。【方法】在厘清生成式人工智能服务提供者法律地位的基础上,分析其适用的...
几丁聚糖在健康领域的中国专利技术分析
摘要:【目的】近年来,几丁聚糖因其免疫调节等功效成为健康领域的研究热点。研究旨在从专利角度对其进行分析,为产业发展提供参考。【方法】结合非专利文献综述,通过incoPat专利数据库,以几丁聚糖在健康领域的中国专利技术发展情况为目标,从专利申...

科技管理

提升国家创新体系整体效能的路径思考
摘要:【目的】精准识别影响我国创新体系效能的关键因素及其作用机制,进而提出进一步提升国家创新体系整体效能的路径。【方法】通过系统总结近年来我国国家创新体系建设的历史成就,找准国家创新体系存在的问题和短板,在深入剖析原因后提出效能提升的战略和...
非物质文化遗产保护科技管理机制创新研究
摘要:【目的】构建黄河流域河南段非遗综合管理机制,摆脱资源孤岛、传承乏力、治理碎片化与评估缺位的困境。【方法】基于对河南省6个黄河流域城市的58个非物质文化遗产代表性项目开展调研所回收的428份问卷,以及对9个案例进行访谈所获信息,诊断黄河...
中国煤层气产业发展现状与治理研究
摘要:【目的】系统分析中国煤层气产业的发展现状、技术挑战与治理体系,为产业高质量、可持续发展提供参考,助力国家能源安全与“双碳”目标实现【方法】首先,梳理中国煤层气资源储量与分布数据,结合历年产量趋势,评估产业发展规模;其次,采用案例分析法...
数字经济与制造业高质量发展耦合协调研究
摘要:【目的】以广西壮族自治区为例,分析数字经济与制造业高质量发展之间的耦合协调关系及其影响因素,揭示二者协同发展的内在机制与障碍,为促进区域经济高质量发展提供理论依据和政策参考。【方法】构建广西壮族自治区数字经济和制造业高质量发展的评价指...
“放管服”改革背景下科研事业单位科研经费管理研究
摘要:【目的】基于国家深化“放管服"改革的政策导向,分析科研事业单位经费管理面临的制度与实践矛盾,探索优化经费使用效率与监管效能的协同路径,为科研自主权下放与风险防控提供理论支撑。方法】从科研事业单位的政策落实视角出发,系统分析“...
相关杂志
  • 中国商论

    中国商论

    2026年03期
    ¥17.49
  • 中外建筑

    中外建筑

    2026年01期
    ¥9.90
  • 河南科技

    河南科技

    2026年02期
    ¥6.00
  • 海洋开发与管理

    海洋开发与管理

    2025年10期
    ¥21.69
  • 计算机应用文摘

    计算机应用文摘

    2026年04期
    ¥9.00
  • 社会科学研究

    社会科学研究

    2026年01期
    ¥9.00
  • 现代信息科技

    现代信息科技

    2026年04期
    ¥18.00
  • 湖南大学学报(社会科学版)

    湖南大学学报(社会科学版)

    2025年06期
    ¥12.00
  • 中国调味品

    中国调味品

    2026年02期
    ¥0.00
  • 计算技术与自动化

    计算技术与自动化

    2025年04期
    ¥10.89
  • 民主与科学

    民主与科学

    2025年06期
    ¥3.39
  • 理论月刊

    理论月刊

    2026年02期
    ¥4.00
订阅全年后,您可享受以下权益
①该本杂志即日起至未来1年内所有更新电子版杂志的使用权限;
②赠送该杂志的部分往期的杂志的使用权限,有效期1年。

全年订购价格: ¥216.00

订阅全年
--%>

登录龙源期刊网

温馨提示:

1.点击网站右上角的“充值”按钮可以为您的账号充值

2.充值金额可以选择30,50,100或500元

3.充值成功后即可购买网站上的任意杂志或文章

还没有龙源账户? 立即注册

购买杂志

河南科技

杂志价格:¥6.00元

  • 微信扫码支付
  • 当前余额:100.00

购买杂志

河南科技

杂志价格:¥6.00元

  • 微信扫码支付
  • 当前余额:¥100.00

    去充值
monitor
客服机器人