改进YOLOv8n的无人机航拍目标检测算法

打开文本图片集
引用格式:.改进YOLOv8n的无人机航拍目标检测算法[J].现代电子技术,2026,49(1):77-85.
关键词: ΥOLOv8n ;密集目标检测;C2f-RFCBAMConv;跨尺度连接;特征融合;注意力机制中图分类号:TN911.73-34;TP391 文献标识码:A 文章编号:1004-373X(2026)01-0077-09
UAV aerial photography object detection algorithm based on improved YOLOv8n
QU Wenlong, CHEN Yong (School of Mathematicsand ComputerScience,Shaanxi Universityof Technology,Hanzhong 723ool,China)
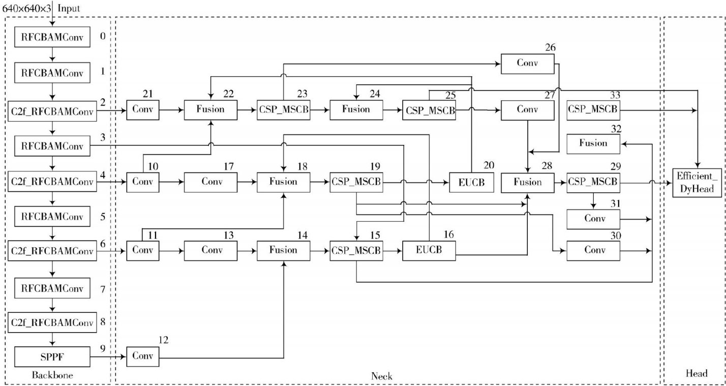
Abstract:In viewof the missed detection causedby multi-scaleandoclusion in dense object detection tasks,this paper proposesanalgorithmonthebasisof theimproved YOLOv8n,andthealgorithm isnamedasDERF-YOLO.Inthebackbone network,theC2f-RFCBAMConvmoduleisused toreplaceconvolutionandC2f modules,andthereceptivefieldattention mechanismisutilizedtooptimizespatialfeaturesandtheniscombinedwithchannelatention mechanisms toenhance feature extractioncapabilitiesoftheimprovedalgorithm.TheEMBSFPmoduleisdesignedtooptimizetheneckpart,ahievingrossscaleconnectionandfeature fusionofsmallobjectinformation.Byreplacing theup-sampling module,thealgorithmcan maintain eficiencywhilensuringcertainefects.inally,DyHeadisemployedinsteadofteoriginaldetectionhad,andtetetion mechanismsareintroducedtoimprovetheacuracyofsmallobjectdetection.ExperimentalresultsontheVisDrone2Ol9dataset show thatthe mAP@0.5andmAP@0.5:0.95of the DERF-YOLO reach 30.9%and17.7%,respectively,representing improvements of 4.0% and 2.7% ,respectively,in comparison with the YOLOv8n algorithm.The parameter count and floatingpoint operations of the DERF-YOLO are 2.94×106 and 9.6 GFLOPs,respectively, with a 2% reduction in parameters and only an 18% increaseincomputationburdenincomparisonwith thoseoftheoriginalalgorithm.Itsaccuracyishigherthanthatof the othersimilaralgorithmsanditmetsthemonitoringrequirementsandcanbeefectivelyappliedtotheobjectdetectiontaskson UAVaerial photography platform.
Keywords:YOLOv8n;denseobject detection;C2f-RFCBAMConv;cross-scale connection;featurefusion;attention mechanism
0 引言
在航拍场景中,如何准确、快速地检测到小目标是一个重要的问题,但是由于航拍高度较高,导致地面目标的尺寸相对较小,目标在图像中的像素占比低,传统检测方法难以从背景中分离出这些目标。(剩余9251字)