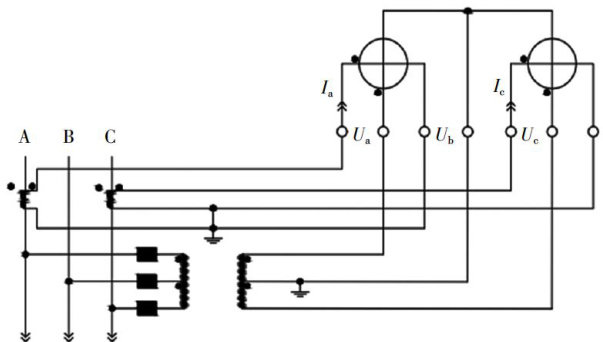
基于V/v接线的三相三线电能计量原理、误差分析与实践验证

打开文本图片集
中图分类号:TM933.4 文献标志码:A 文章编号:2095-2945(2025)34-0067-04
Abstract:ThispaperfocusesontheV/vconnectionmethodinthre-phaseandthree-wiremetering,anddeeplyexploresits accuracyanderorinpracticalaplications.ThemeasurementprincipleoftheV/vconnectionmethodofthree-phasethree-wire transformeriselabratedindetail.Throughthetheoreticalcalculationandin-depthanalysisofthemeasurementacuracyunder balancedandunbalancedstatesofthree-phasecircuits,aswellastheconnectionerrorsunderdiferentloadconditions,the reliabilityofthisconnectionmethodinactualoperationiscomprehensivelydemonstrated,aimingtoprovideasolidteoretical and practical basis for the widespread application of this measurement method.
Keywords:three-phasethree-wireconnection;electricenergymeasurement;measurementacuracy;eroranalysis;V/v connection
电能在现代社会的能源格局中占据着核心地位,堪称应用最为广泛的能源形式。(剩余5107字)