冲孔机快速装调工艺方法在技能竞赛中的应用研究

打开文本图片集
Application Research on the Rapid Assembly and Adjustment Process Method of Punching Machines in Skill Competitions
Liang Qi Zhang ZhiqiangSun Xinyu Li Dongwei (Inner Mongolia First Machinery Group Co.,Ltd.,Baotou,Inner Mongolia 014030)
Abstract:In actual production,manufacturing ahigh-precision punching machine using conventional punching machine manufacturingprocessesinvolvesseveralsteps,inludingproductanalysis,sructuraldsign,materialselectioneplate machinig,punch anddie fabrication,assemblyanddebugging,pilot production,and final inspection.This entireprocess cantakeanywherefromafewdays toseveral weeks.However,whenfacedwithlimited procesing cyclesorconstrained by process conditions suchas equipment andfacilities,this paperdiscusses how to ensure that partsachieve acertain levelof processing acuracy after being machined on punching machines by employing rapid assembly and adjustment process methods.Taking thepracticaloperationcompetitionquestionforassmblersinthe1OthVocational SkillsCompetitionof China North Industries Group Corporationas an example,this paper compares theconventionalpunching machine manufacturing process with therapid assemblyand adjustment process method forpunching machines,andsummarizes the respective process characteristics and application scenarios of both.
KeyWords: punching machine; manufacturing process; skillcompetition; rapid assembly and adjustment
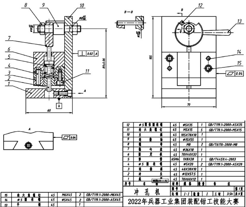
冲孔机是一种将原材料安装好后,在动力机构的驱动下,通过冲孔模具作用在材料上完成冲孔作业的机械设备。(剩余3337字)