上海师范大学学报·自然科学版

上海师范大学学报·自然科学版

2024年02期
  • 收藏
收藏成功
微博 空间 微信
本刊一直坚持办刊宗旨:坚持马列主义、毛泽东思想、邓小平理论,执行党的宣传方针,为学校的教学、科研成果提供发表阵地;鼓励学...     展开

类型

双月刊

类别

学术
定价
促销信息
全年订阅更优惠!
¥30.00 ¥18.00
目录

适用于右转辅助的非机动车道检测
摘要:为避免传统车辆或无人驾驶车辆在右转时与快速行驶的自行车发生碰撞的风险,需要在转弯前稳定地检测出非机动车道,并实时定位骑车者.为实现该目标,通过调整初始代价及代价聚合,完成更为精确的非机动车道图像立体匹配;基于改进的Hough变换算法,...

一种面向自动驾驶路况的目标检测算法
摘 要: 为了对常见的行人和车辆进行检测,采用自行标注的数据集,通过基于faster region-based convolutional neural network (RCNN)框架的算法进行调参与优化. 主干网络采用轻量化网络Mob...

恶劣天气下基于锚点的多尺度融合车道线检测及优化方法
摘 要: 针对黑夜和大雾天气下车道线检测的问题,在数据预处理阶段采用改进的自适应伽马变换对过暗或漂白的图片进行增强,并利用暗通道先验法对大雾场景下的图像进行数据增强,从而降低干扰. 在特征提取阶段,采用改进的rotation forest...

基于子图采样的大规模图对抗性攻击方法
摘 要: 为提高对抗性攻击在大规模图上的攻击效率,提出了基于子图采样的对抗样本生成方法. 该方法通过引入PageRank、余弦相似度及K跳子图等技术,提取与目标节点高度相关的子图,在大规模图上缓解了计算梯度效率较低的问题,在降低被攻击模型...

基于深度学习的教材德目教育文本分类方法
摘 要: 对上海中小学教材德目教育文本分类进行研究,提出了基于转换器的双向编码表征(BERT)预训练模型、双向长短期记忆(BiLSTM)网络和注意力机制的模型IoMET_BBA. 通过合成少数类过采样技术(SMOTE)与探索性数据分析(E...

基于金豺优化PID的直流电机调速控制系统
摘 要: 针对传统直流(DC)有刷电机调速系统适应性不强、抗干扰能力和稳健性差等缺点,设计了基于金豺算法优化比例-积分-微分(PID)的直流有刷电机控制系统. 在建立电机数学模型的基础上,将金豺优化(GJO)算法应用于PID参数整定,实现...

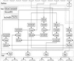
基于改进YOLO-Pose轻量模型的多人姿态估计
摘 要: YOLO-Pose作为人体姿态估计算法模型,在精度和速度上有着不错的表现,但其在复杂和有遮挡的场景下存在误检率较大的问题,并且模型的复杂度仍然有优化的空间. 针对这几个问题,通过选取Slim-neck模块和Res2Net模块,重...

一种基于知识图谱的用户多偏好推荐系统
摘 要: 提出了一种基于知识图谱(KG)的用户多偏好(MPKG)推荐系统,从用户关系级、实体级和细粒度高阶用户三种不同的视角建模用户的偏好. 首先,将KG中关系向量组合,构建关系级意图,并通过独立性将不同意图之间的差异最大化,由关系级意图...

基于ReliefF-NOSCA-AdakNN的肌肉疲劳识别技术研究
摘 要: 针对竞技体育训练中的肌肉疲劳监测问题,提出了一种基于ReliefF-NOSCA-AdakNN(RNA)的表面肌电信号(sEMG)特征提取和分类算法. 该算法结合了特征和类别之间的相关性分析和启发式搜索算法,对高维特征进行了有效的...

基于BERT与细粒度特征提取的数据法学问答系统
摘 要: 首先利用bidirectional encoder representations from transformers(BERT)模型的强大的语境理解能力来提取数据法律文本的深层语义特征,然后引入细粒度特征提取层,依照注意力机制...

基于CiteSpace的文献计量可视化分析
摘 要: 运用CiteSpace可视化分析软件,对2010年1月—2023年3月中国知网(CNKI)收录的以“数字化教育”为主题的1 159篇文献进行全面分析. 从来源分布、高频热点和演进等多个维度分析,揭示了数字化教育领域的热点变迁和发...

基于Word2Vec和决策树的故障定位技术
摘 要: 利用Word2Vec方法对Java源代码进行深层语义编码,生成文件级和行级的语义向量,并将其用作输入数据来训练决策树模型,以实现精确的文件级别和行级别故障定位,优化故障检测过程,构建一个综合文件级别与行级别分析的高效故障定位框架...

采用通道注意力机制的RIS辅助MIMO级联信道估计
摘 要: 可重构智慧表面(RIS)辅助多天线毫米波无线通信系统的级联信道有直传和反射两条链路,系统维数大且复杂,获取信道状态信息(CSI)困难. 针对RIS辅助下的大规模多输入多输出(MIMO)通信系统应用场景,提出了基于通道注意力机制的...

基于大数据的智能制造岗位与技能需求研究
摘 要: 在不违反相关协议准则的情况下,通过爬虫技术获取智能制造岗位数据,并对其进行清洗与脱敏处理. 应用Jieba中文分词工具、K-means聚类算法与隐含狄利克雷分布(LDA)模型,将岗位名称分为6类,将技能集分为8类. 最后,构建需...

基于麻雀搜索算法与随机森林融合模型的个人信用评估
摘 要: 针对如何准确评估复杂的用户信用问题,提出一种基于麻雀搜索算法的随机森林(SSA-RF)模型,利用SSA优化RF模型中决策树和最小节点数,并基于优化后的RF模型对数据样本进行分类,并评估所提模型和传统模型的性能. 研究结果表明: ...

基于KMV-CatBoost增强的企业信用债券违约风险评估模型
摘 要: 针对传统预测模型对于企业信用债券违约预测准确率低、拟合效果差的问题,提出了基于Kaufman-Merton-Voss (KMV)- Categorical Boosting (CatBoost)的企业债券违约预测模型. 首先对原...

基于C++ SuperMix库的SIS混频器的研究
摘 要: 基于C++ SuperMix软件库对680 GHz接收机中的双槽双超导隧道结(SIS)混频器进行深入模拟研究. 在环境温度为4.2 K、本地振荡器(LO)频率为680 GHz、本振功率为100 nW、中频频率中心为10 GHz和...

基于深度强化学习分层控制的双足机器人多模式步态系统研究
摘 要: 提出一种基于深度强化学习(DRL)分层控制的双足机器人多模式步态生成系统. 首先采用优势型演员-评论家框架作为高级控制策略,引入近端策略优化(PPO)算法、课程学习(CL)思想对策略进行优化,设计比例-微分(PD)控制器为低级控...

障碍干扰下的压缩感知电磁成像算法
摘 要: 基于电磁成像模型,针对逆散射问题的病态性和非线性性质,引入压缩感知(CS)中的全变分(TV)算法,旨在减少所需天线数量,并提高电磁成像的图像质量.在玻恩(Born)迭代的基础上,引入全变分压缩感知算法(TV-CS). 仿真结果显...

基于多尺度学习的电介质目标定位与重构
摘 要: 利用神经网络将电磁逆散射问题与多尺度方法相结合,通过将散射场的场强数值输入多尺度融合模型中进行不断训练,实现目标的定位与重构. 对于目标区域内的手写数字散射体,首先利用Lenet网络模型定位目标散射体所在的区域;然后将散射体所在...

基于轻量化网络和密集光流法的精子活力检测
摘 要: 基于便携式家用精子检测仪的研发需求,研究了轻量化卷积神经网络在精子活力检测方面的应用.利用Farneback光流算法提取出不同帧间距的精子视频的密集光流帧图像,并通过多通道图像叠加的方式将其与原始视频帧图像进行叠加.把叠加后的图...

基于卡尔曼滤波多目标追踪的家用精子活力检测算法研究与验证
摘 要: 针对传统精液分析方法存在的主观性差异、操作繁琐和不适合便携式家用检测等问题,研究并验证了一种基于卡尔曼滤波多目标追踪技术的精子活力检测系统算法. 首先,通过叠加平均法,获取静态精子数量,根据三帧差法获取运动精子质心位置;然后,使...
相关杂志
  • 中国商论

    中国商论

    2025年23期
    ¥17.49
  • 中外建筑

    中外建筑

    2025年10期
    ¥9.90
  • 河南科技

    河南科技

    2025年22期
    ¥6.00
  • 海洋开发与管理

    海洋开发与管理

    2025年07期
    ¥21.69
  • 计算机应用文摘

    计算机应用文摘

    2025年23期
    ¥9.00
  • 社会科学研究

    社会科学研究

    2025年06期
    ¥9.00
  • 现代信息科技

    现代信息科技

    2025年22期
    ¥18.00
  • 湖南大学学报(社会科学版)

    湖南大学学报(社会科学版)

    2025年06期
    ¥12.00
  • 中国调味品

    中国调味品

    2025年12期
    ¥0.00
  • 民主与科学

    民主与科学

    2025年05期
    ¥3.39
  • 计算技术与自动化

    计算技术与自动化

    2025年03期
    ¥10.89
  • 风湿病与关节炎

    风湿病与关节炎

    2025年11期
    ¥6.00
订阅全年后,您可享受以下权益
①该本杂志即日起至未来1年内所有更新电子版杂志的使用权限;
②赠送该杂志的部分往期的杂志的使用权限,有效期1年。

全年订购价格: ¥108.00

订阅全年
--%>

登录龙源期刊网

温馨提示:

1.点击网站右上角的“充值”按钮可以为您的账号充值

2.充值金额可以选择30,50,100或500元

3.充值成功后即可购买网站上的任意杂志或文章

还没有龙源账户? 立即注册

购买杂志

上海师范大学学报·自然科学版

杂志价格:¥18.00元

  • 微信扫码支付
  • 当前余额:100.00

购买杂志

上海师范大学学报·自然科学版

杂志价格:¥18.00元

  • 微信扫码支付
  • 当前余额:¥100.00

    去充值
monitor
客服机器人