提升并网逆变器在弱电网下稳定性的惯性锁相环策略

打开文本图片集
中图分类号:TN911.8-34;TM464 文献标识码:A 文章编号:1004-373X(2025)20-0056-07
引用格式:.提升并网逆变器在弱电网下稳定性的惯性锁相环策略[J].现代电子技术,2025,48(20):56-62.
Inertial phase-locked loop strategy for improving stability of grid-connected inverterinweak grid
LUWenwen,YUShaojuan,LIULiqun (SchoolofElectronicInformationEnginering,TaiyuanUniversityofScienceandTechnology,TayuanO3OO24,China)
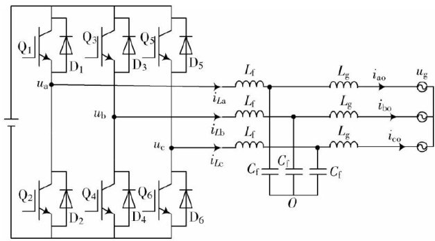
Abstract:In allusion tothepoor stabilityof photovoltaic power generationsystem underweak gridconditions due to low dampingandlowinertiaofphase-lockedlop (PLL)grid-connectedinverters,anew-type inertiaphase-lockedloo (IPLL) structureisproposedtonhancesystemstabilityThemaincircuittopologyofathree-phaseLC-filtergrid-connectedinverteand thePLLcontrolloopunderweak gridconditionsare introduced.Byintroducing inertialcontrol parameters toimprovesystem dampingandinertia,anew-typeIPLLstructureisproposed,anditsmathematical modelisestablishedtoanalyzeitsunitstep responsecharacteristicsTheffectivenessoftheIPLLinenhancingsystemstabilityisverifiedbythesimulationsand experiments.Thesimulationresultsshowthatthenew-typeIPLcansignificantlyimprovethestabilityofgrid-coected invertersunderdiffrentshort-circuitratioconditions,reducingtheamplitudeofvoltageandcurrentoscilations.The experimentalresultsshowthatincomparisonwith traditionalPLL,IPLLcanachievesystemstabilityfasterunderweak power gridandextremelyweakpowergridconditions,andsignificantlyimprovethesystem'santi-disturbanceabilityandrobustss.It furtherverifies the effectiveness of IPLL.
Keywords:grid-conected inverter;stabilityanalysis;weak grid;phase-lockedloop;short-circuitratio;unit stepresponse
0 引言
近年来,光伏发电较多地应用于电力系统,以减少传统化石燃料的消耗。(剩余12269字)