注册帐号丨忘记密码?
1.点击网站首页右上角的“充值”按钮可以为您的帐号充值
2.可选择不同档位的充值金额,充值后按篇按本计费
3.充值成功后即可购买网站上的任意文章或杂志的电子版
4.购买后文章、杂志可在个人中心的订阅/零买找到
5.登陆后可阅读免费专区的精彩内容
打开文本图片集
[中图分类号]G642.0 [文献标识码]A [文章编号]1674-9324(2025)35-0113-04
[收稿日期]2024-08-12
引言
近年来,中国高校一直在不断调整和优化学科专业设置以及人才培养方案,旨在培养德才兼备的高素质人才,以支持国家和民族长远发展。自2012年起,全国普通高校每年都会对本科专业布点总数进行近 5% 的调整,预计到2025年将新设一批适应新技术、新产业、新业态和新模式的学科专业。(剩余6005字)
登录龙源期刊网
购买文章
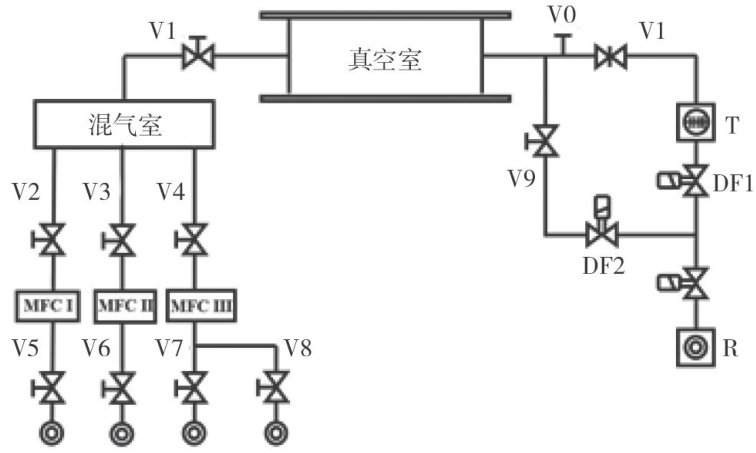
超高真空射频磁控溅射镀膜机教学实践探索
文章价格:5.00元
当前余额:100.00
阅读
您目前是文章会员,阅读数共:0篇
剩余阅读数:0篇
阅读有效期:0001-1-1 0:00:00