北京地铁10号线列车国产化牵引系统改造设计

打开文本图片集
Design of Localization Transformation of Traction System for Trains on Beijing Metro Line 10
SHI Hui
(Operation Branch 3 of Beijing Subway Operation Co.,Ltd.,Beijing looo82,China)
Abstract:To solve the problem of high cost and long period of maintenance of the imported traction system for trains on Beijing Metro Line 1O,a design scheme of localization transformation for the existing imported traction system has been proposed.Onthe basis of the compatibility with the mechanical and electrical interfaces of the original equipment,the localized tractionsystem has the improved overvoltage protection capability and electric braking eficiency,optimizing and improving the performance of the existing traction system. Along with the overall capacity expansion of the auxiliary power supply,the original uncontrolled rectifying device has been replaced by a battery charger which takes the power directly from the high voltage side of DC 750V ,improving the reliability of the auxiliary power system. An emergency start power supply is added to improve the self-rescue capability of the train when the batteries are under voltage. Considering the actual need of operation on line,a design scheme of prognostics and health management (PHM) for traction system is proposed. A ground type test bench has been built up to realize the ground joint test onthe key devices of traction system. The test result shows that the localized traction system can meet the requirements for all performance parameters of the existing cars and realize the ecological target of weight loss and energy saving throughout the train.
Key words:metro car;traction system;localization transformation; fault prediction;health management
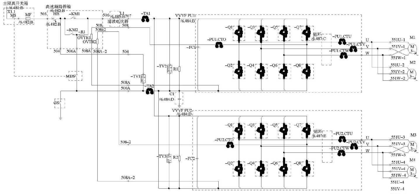
在中国城市轨道交通发展的初级阶段,列车牵引系统作为车辆运行的关键系统,通常采用引进国外设备的方式来配备[1]。(剩余5366字)