ISO10425标准中扭转试验 “非标” 标距的正比例换算公式探讨

打开文本图片集
关键词:ISO10425;钢丝;单向扭转;螺旋线;微分几何;挠率;螺距DOI :10.26915/j.issn1003-0514.2025.04.002中图分类号:TB302.3 文献标识码:B 文章编号 :1003-0514(2025)04-0004-03
Abstract:Basedontheactualsimpletorsionofsteelwires,itisprovedthattheprerequisitefortheproportionalconversion formulaof non-standardtwistedtorsionismaterialuniformityandtheexperimentalmethodremainsunchangedthrough the torsionofcylndicalspiralcurvesindiffrentialgometryAnditispointedouttatteiferentialgeometricconditinfor theconversionofthenumberoftorsionisthatthetorsionofthehelixformedbydiferentgaugelengthsimpletorsiontestsis equal.
Key words:ISO 1O425;steel wire;simple torsion;helix;differential geometry;torsion;pitch
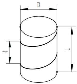
1 问题提出
扭转是钢丝重要的检测指标,在ISO10425标准中[,采用 203mm 的标距作为扭转标准标距。(剩余2694字)