中国测试

中国测试

2025年09期
  • 收藏
收藏成功
微博 空间 微信
《中国测试》由中国测试技术研究院主管,于国内外公开发行(国际标准刊号:ISSN1674-5124,国内统一刊号:CN51...     展开

类型

月刊

类别

学术
定价
促销信息
全年订阅更优惠!
¥100.00 ¥39.00
目录

卷首语

五十载砥砺奋进,新征程再续华章
五秩芳华,砥砺前行。在《中国测试》创刊五十周年的之际,我们特别推出本期编委专辑,以最诚挚的敬意,向多年来倾力支持期刊发展的全体编委致以崇高的谢意 五十年栉风沐雨,半世纪春华秋实。20世纪70年代,为推动科学研究与学术交流,《中国测试》应运而...

前沿综述

管道缺陷激光无损检测方法综述
摘要:管道作为能源、化工、核电等关键领域的核心基础设施,其结构完整性对系统安全与稳定运行至关重要。然而,管道在服役过程中受极端温度、恶劣环境影响,极易萌生裂纹、腐蚀、变形等多种结构缺陷,其运行安全受到严重威胁。传统无损检测技术在管道检测中普...
球铰链多维转角测量技术进展
摘要:球铰链是能够实现三维回转的球面副,广泛应用于机器人、航空航天、医疗和工业自动化等领域。随着现代系统对高精度、小型化和智能集成的需求不断增长,球铰链多维转角测量技术的性能要求在精度、实时响应性、鲁棒性和系统集成方面也变得更加严格。该文全...

测试方法

DetectGPT:无标签特征互打分机制的无监督工业异常检测方法
摘要:针对无监督工业异常检测模型需手动设置异常分数阈值区分正常、异常样本,检测过程多轮对话及异常区域属性信息描述困难问题,该文提出无监督大型工业异常检测方法DetectGPT,该方法依据工业领域知识模拟异常图像构建训练数据集,并为每幅图像生...
镜面反射对植被指数和植被覆盖度的影响及实验测量
摘要:镜面反射和漫反射在大多数遥感图像中不可分割,光谱植被指数被广泛用于评估植被覆盖和生长条件,但镜面反射可能导致反射数据偏差而影响植被指数的准确性。为此,研究镜面反射对植被指数的影响问题,用以提升遥感数据的分析精度。在分析镜面反射与植被指...
铁路有矿道床横向阻力智能感知研究
摘要:传统的有砟道床横向阻力离线检测方法费时耗力且对轨道具有一定破坏性,研究道床横向阻力智能感知方法对提高铁路运维作业效率具有重要意义。该文提出一种融合多体动力学机理与机器学习建模的道床横向阻力智能感知方法。该方法精确表征动力稳定车-稳定装...
发动机涡轮盘裂纹深度定量检测方法
摘要:针对航空发动机涡轮盘等曲面金属构件表面裂纹深度高精度检测的迫切需求,提出一种以柔性电磁传感器为基础、脉冲激励与机器学习相结合的定量检测方法,设计差分式柔性电磁传感器与脉冲涡流检测系统,并通过仿真分析得到检测信号多个时频域特征与裂纹深度...
基于称重法的微型涡喷发动机燃油流量测量方法研究
摘要:针对微型涡喷发动机台架测试中因燃油流量小导致实时准确测量困难的问题,提出一种基于称重法的微小燃油流量测量方法。采用电桥式悬臂梁传感器、高分辨率Σ-△型ADC、ESP32为核心的嵌入式硬件平台以及LabVIEW上位机软件,构建完整的流量...
DME/DEMEIITFSII溶解度实验研究与吸收式制冷性能分析
摘要:针对传统吸收式制冷工质对 LiBr/H2O 和 NH3/H2O 的局限性,二甲醚(DME)与离子液体工质对被视为一种潜在的环保型替代方案。该文基于等体积饱和法测量 293.15~343.15K,0.045~0.857MPa 范围内DM...
储罐底部平板裂纹漏磁涡流复合检测方法研究
摘要:漏磁检测 MFL(magnetic flux leakage)在储罐底部平板裂纹检测中需将平板磁化至近饱和状态才能获得较好的裂纹漏磁检测效果,在未达到饱和时检测效果不佳,检测精度较低。该文采用涡流检测 ECT(eddy current...
分散固相萃取-高效液相色谱-串联质谱法测定茶叶中丙烯酰胺及风险评估研究
摘要:以分散固相萃取(DSPE)作为样品前处理手段,采用高效色谱-串联质谱(LC-MS/MS)检测技术,建立适用于茶叶中丙烯酰胺残留量测定的方法。样品使用水浸泡分散后纯乙晴提取,经 900mg 无水硫酸镁、 300mgN. 丙基乙二胺(PS...
南海海马冷泉沉积物中微生物多样性测定及其功能特征分析
摘要:为探究南海海马冷泉沉积物中微生物群落结构和功能基因特征,采用分离培养法在 4°C 与 37qC 培养需氧和厌氧菌,采用宏基因组测序技术分析微生物多样性和KEGG代谢通路,以及甲烷代谢和抗生素耐药基因丰度。结果显示,在沉积物中...
动物源性食品中5种新型农药残留的气相色谱-串联质谱法测定
摘要:建立气相色谱-串联质谱法检测动物源性食品中5种新型杀虫剂和杀菌剂(2.6-二异丙基萘、氟氯苯菊酯、苯嘧虫噁烷、Flupyrimin 和氟唑环菌胺)残留的分析方法。对样品前处理和色谱、质谱条件进行优化,样品经含 1% 乙酸的乙腈/丙酮 ...

仪器设备

电磁多物理类匀场分层聚焦感知检测技术及管道内检测机器人应用
摘要:石油和天然气管道是全球能源传输基础设施,管道在线内检测(in-line inspection,ILI)技术是评估管道完整性的重要工具。然而,它面临着诸多检测挑战,如不同类型缺陷的全断面高灵敏检测局限。该文提出一种基于电磁多物理类匀场分...
柔性复合相变薄膜的制备及其性能研究
摘要:有机相变材料具备相变时体积变化小、相变潜热大等优势,在电子设备热管理方面有巨大潜力,但存在在固-液相变中易泄漏、传热效率低等问题。为解决这些问题,该研究采用真空浸渍法将石蜡(PW)相变材料填充到多孔芳纶纳米纤维(ANF)-碳纳米管(C...
亚毫米级平板电离室辐射剂量特性初步研究
摘要:在FLASH辐射场剂量测量时,现有电离室存在严重的离子复合效应问题,难以满足测量需求。为了解决该问题,该研究研制一种的新的电离室,以提高电荷收集效率,并对研制的电离室进行剂量特性研究,以期实现FLASH辐射场剂量测量。研究方法:基于G...

技术应用

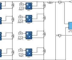
改进海洋捕食者算法的光储系统MPPT控制策略
摘要:针对外部光照变化时,光伏发电系统的输出特性呈现多峰值的现象,常规的最大功率点追踪算法易陷入局部最优,且无法同时兼顾快速性和稳定性,因此提出一种改进型海洋捕食者算法的光储系统MPPT控制策略。首先,采用混沌映射初始化种群,增加种群的多样...
应用CNN-BiLSTM-SEAttention模型预测电磁 超声测厚间隙
摘要:合理的测量间隙是保证电磁超声非接触测厚稳定性和准确性的重要因素,目前依然缺少测厚过程同步监测间隙的电磁超声测量方法。为在超声非接触测厚过程中更准确地监测间隙状态,结合电磁超声信号特性设计模型架构,提出一种基于卷积神经网络(convol...
基于无监督域适应的非介入式负荷监测方法
摘要:针对非介入式负载监测中合成数据与真实数据的分布差异及目标域标注缺失问题,提出基于特征重构的无监督域适应方法。通过分离领域共有与特有特征缓解分布偏移,结合外部注意力机制提升泛化能力,实现合成数据向真实数据的无标注迁移。实验表明:该方法在...
融合迁移学习与光照自适应的轻量化YOLOv11竹节检测优化模型研究
摘要:针对竹材加工自动化过程中竹节检测精度鲁棒性差、坐标定位困难的问题,提出一种融合迁移学习与光照自适应机制的YOLOvl1轻量化检测模型。该方法通过迁移木材缺陷检测数据集上的预训练模型至竹节检测任务领域,结合自适应参数优化策略,在保证检测...
基于单源双模跨注意力Transformer的精神疲劳监测系统
摘要:针对在真实环境监测精神疲劳面临的分类精度低、系统复杂度高的问题,提出一种基于功能近红外光谱技术和双模态Transfomer的精神疲劳监测系统。首先,在模拟驾驶任务中使用自主设计的穿戴式前额脑血氧传感器采集信号,并同步记录主观量表和面部...
变分贝叶斯在线更新预测锅炉水冷壁温度
摘要:水冷壁管道在锅炉运行过程中,由于温度过高而引起的爆管事故时有发生,因此,减少事故的发生,水冷壁管道温度变化的快速准确预测至关重要。针对过程的强时序相关性,该文构建以门控循环神经网络(GRU)、Informer、时序卷积神经网络(TCN...
相关杂志
  • 中国商论

    中国商论

    2025年23期
    ¥17.49
  • 中外建筑

    中外建筑

    2025年10期
    ¥9.90
  • 河南科技

    河南科技

    2025年22期
    ¥6.00
  • 海洋开发与管理

    海洋开发与管理

    2025年07期
    ¥21.69
  • 计算机应用文摘

    计算机应用文摘

    2025年24期
    ¥9.00
  • 社会科学研究

    社会科学研究

    2025年06期
    ¥9.00
  • 现代信息科技

    现代信息科技

    2025年22期
    ¥18.00
  • 湖南大学学报(社会科学版)

    湖南大学学报(社会科学版)

    2025年06期
    ¥12.00
  • 计算技术与自动化

    计算技术与自动化

    2025年04期
    ¥10.89
  • 中国调味品

    中国调味品

    2025年12期
    ¥0.00
  • 民主与科学

    民主与科学

    2025年05期
    ¥3.39
  • 中国民族民间医药·下半月

    中国民族民间医药·下半月

    2025年11期
    ¥9.69
订阅全年后,您可享受以下权益
①该本杂志即日起至未来1年内所有更新电子版杂志的使用权限;
②赠送该杂志的部分往期的杂志的使用权限,有效期1年。

全年订购价格: ¥468.00

订阅全年
--%>

登录龙源期刊网

温馨提示:

1.点击网站右上角的“充值”按钮可以为您的账号充值

2.充值金额可以选择30,50,100或500元

3.充值成功后即可购买网站上的任意杂志或文章

还没有龙源账户? 立即注册

购买杂志

中国测试

杂志价格:¥39.00元

  • 微信扫码支付
  • 当前余额:100.00

购买杂志

中国测试

杂志价格:¥39.00元

  • 微信扫码支付
  • 当前余额:¥100.00

    去充值
monitor
客服机器人