中国测试

中国测试

2025年10期
  • 收藏
收藏成功
微博 空间 微信
《中国测试》由中国测试技术研究院主管,于国内外公开发行(国际标准刊号:ISSN1674-5124,国内统一刊号:CN51...     展开

类型

月刊

类别

学术
定价
促销信息
全年订阅更优惠!
¥100.00 ¥39.00
目录

前沿综述

双碳计量内涵演进、技术发展与展望
摘要:双碳计量是碳达峰碳中和目标实现的底层数据驱动与重要标准支撑,针对双碳核算与计量的技术方法研究逐渐增加。该文基于碳的排放端与吸收端,从源汇双维度对双碳计量的基本内涵与技术方法进行了综述分析,尽管碳源计量的技术手段丰富,但仍面临参数标准不...

测试方法

六轴机器人关节刚度测量及末端刚度补偿方法
摘要:刚度作为工业机器人的重要本体参数,决定着机器人静态及动态精度等性能指标。对机器人关节刚度的准确辨识是开展基于刚度定位补偿的先决条件。目前拆机单关节辨识方法无法解决装配引入的刚度变化问题,而整体辨识方法受测量过程中的刚度耦合问题制约。该...
基于多通道光谱分析仪的光谱共焦位移测量方法
摘要:在测量多个点的位移量的情况下,传统的光谱共焦位移测量方案需要使用机械位移台进行平面移动完成扫描式测量,由于多出一个机械移动的环节,必然影响测量效率。为在确保测量精度的同时,提高光谱共焦位移测量的效率,提出一种基于多通道光谱分析仪的光谱...
FRP应力检测的纵波入射角度逆向计算方法
摘要:采用超声波检测纤维增强复合材料的应力需要激发临界折射纵波,准确的入射角十分重要。确定入射角需要测量超声波在复合材料板平面内的传播速度,但由于复合材料较薄且各向异性,无法像金属一样沿厚度方向进行声速检测,也不便于实验检测板平面内的声速。...
空洞影响电点火头发火时间试验研究
摘要:针对电点火头因制造工艺影响造成发火时间不一致问题,通过点火试验在线检测发火时间,同时结合CT三维测量图片发现中间空洞并定位其位置,根据出现空洞与桥丝相对位置和对应的发火时间,分析空洞位置、形状、大小对发火时间的影响程度。试验结果表明:...
超低温保存箱多场景温度特性模拟研究
摘要:超低温保存箱广泛用于生物、医学等领域,其内部的温度分布特性严重影响疫苗、检测试剂等储藏品的质量,合理控制保存箱内的温度至关重要。该文开展超低温保存箱的仿真模拟,分析空载、有负载物条件下的温度分布特性及内部流场演变规律,并对开门操作下的...
基于神经网络的电网设备健康度预测方法研究
摘要:针对电网设备健康度预测较难的问题,提出一种通用数据驱动长期预测设备健康状况方法,适用于不同类别的电网设备。首先,对不同类型设备状况数据进行采集。其次,提出一种特征提取方法,将原始电网设备状况数据转化为适合序列学习的特征。然后,建立一个...
和厚朴酚靶向ArgR抗MRSA活性初步验证及生物信息学预测
摘要:与甲氧西林敏感金黄色葡萄球菌(MSSA)引起的感染相比,耐甲氧西林金黄色葡萄球菌(MRSA)感染伴随着死亡率、发病率和住院时间的增加。生物膜形成是MRSA感染与耐药的重要原因,迫切需要新的药物来根除难以治疗的MRSA生物被膜感染。该文...
咖啡酸苯乙酯结肠靶向微胶囊的构建及性能研究
摘要:咖啡酸苯乙酯(CAPE)是蜂胶中的主要活性成分,能显著改善结直肠微环境。然而,CAPE 的疏水性和化学不稳定性严重制约其在食品工业和医学等领域的广泛使用。该研究利用具有结肠酶解触发释放特性的天然多糖,并基于层层组装的思想,以CAPE-...
应用指纹图谱和网络药理学预测参芪复方浸膏质量标志物(Q-Marker)
摘要:基于参芪复方浸膏基准样品的指纹图谱以及指标成分含量探索其量值传递关系,结合网络药理学预测分析其潜在的质量标志物(quality markers,Q-Marker)。采用UHPLC建立参芪复方浸膏的指纹图谱和指标成分的定量分析方法,采用...
中红外光谱结合WT-CARS-PLS模型快速测定毒品中的甲基苯丙胺含量
摘要:本研究利用中红外光谱技术(MIR)结合化学计量学建立偏最小二乘法(PLS)预测模型,旨在快速测定冰毒样本中的甲基苯丙胺含量。针对实际毒品样本颗粒度不均匀、基质复杂以及仪器背景噪音对光谱数据建模带来的负面影响,采用优化后的小波去噪(WT...

仪器设备

长期服役动车组车顶绝缘子憎水性能衰退特性的试验研究
摘要:为研究长期服役动车组车顶绝缘子表面憎水性能的衰退特性,该文对在高铁线路服役不同年限的环氧树脂和硅橡胶两种材质的绝缘子分别进行基于喷雾法和静态接触角法的憎水性能测试,并开展扫描电镜和傅里叶红外分析。研究表明上述绝缘子的憎水性会随着服役年...
基于全景相机的水上智能救生系统目标识别与定位
摘要:溺水是造成意外死亡的重要原因之一。监控范围小和实时性差是造成溺水获救率低的重要因素。水上智能救生系统是及时发现和防范溺水事件发生的主要手段之一,该文基于全景相机搭建一套完整的水上智能救生系统实验平台。首先采用YOLOv5算法识别水域目...
油管悬挂器锁紧环强度校核及优化分析
摘要:锁紧环作为油管悬挂器的重要部件,在油管悬挂器的锁紧过程中具有重要作用。锁紧工况时,驱动环向下运动发生轴向位移,将锁紧环撑开使其向四周扩展,从而使锁紧环与外部树体紧密接触达到锁紧的目的。锁紧环结构优化前,锁紧工况下锁紧环最大位移量为 6...
面向输变电设备的石墨烯柔性力学传感器研究
摘要:文章设计并制造一种基于石墨烯的柔性力学传感器。传感器采用柔性的石墨烯力学敏感单元、柔性铜电极以及聚酰亚胺封装,使传感器整体呈现柔性。采用纸作为力学敏感单元中石墨烯的载体,使传感器的加工和回收处理对环境更加友好。该传感器最低可以检测 9...
U形发射线圈仿真设计与测试
摘要:为消除在变电站采用瞬变电磁法探测系统对接地网进行断点探测时,瞬变电磁发射机发射电流关断后,发射线圈位置上方导体产生的二次场信号对接地网感应电压信号造成的干扰,提出采用U形发射线圈实现向地下定向探测的新装置。在COMSOL仿真软件中,仿...

技术应用

弱磁激励条件下X80钢轴向应力检测技术研究
摘要:据统计,X80钢管道总里程已达 17000km ,其敷设环境多为山区,沿线地质条件复杂多变。频发的地势灾害附加的外部荷载容易导致管道产生较大轴向应力,引起管道变形、断裂等失效事故,威胁油气管道的安全运营。因此,该文通过开展弱磁激励下X...
基于OOA-VMD-SVD的结构振动信号降噪研究
摘要:为了解决建筑结构振动信号监测过程中存在的大量随机噪声问题,针对钢梁实测数据提出一种基于鱼鹰优化算法(OOA)的变分模态分解(VMD)联合奇异值分解(SVD)的新型降噪方法(OOA-VMD-SVD)。该方法首先基于仿真数据,利用鱼鹰优化...
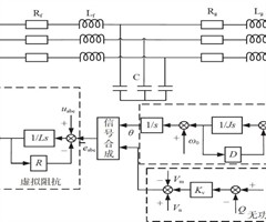
改进转动惯量自适应控制的虚拟同步发电机
摘要:虚拟同步发电机(virtual synchronous generator,VSG)并网逆变器控制策略可有效地改善新能源并网的运行稳定问题,参数自适应的虚拟同步机使系统能更好地应对功率冲击。该文提出一种基于角速度及其变化率的转动惯量参...
充磁分散性对永磁电机齿槽转矩影响研究
摘要:永磁电机由于永磁材料的特性,在充磁过程中往往会存在分散性,达不到理想的充磁效果,进而影响电机性能。基于齿槽转矩产生的机理,对不同极槽配合的永磁电机在非理想充磁情况下对性能的敏感度进行了探究。首先建立永磁体不同剩磁情况下的电机模型,发现...
基于改进卷积神经网络的电引电机匝间短路故障诊断
摘要:针对闭环控制掩盖效应及高频噪声干扰,该文提出一种智能化方法,用于实现电引电机定子绕组匝间短路故障的准确识别与定位。该文首先分析匝间短路故障包含的电流特征,并利用电流信号输入到嵌入基于通道注意力机制的残差增强模块改进的卷积神经网络中进行...
UHMWPE层合板抗侵彻性能的试验研究
摘要:为研究超高分子量聚乙烯(UHMWPE)层合板的抗侵彻性能,制备由不同层数UD(4UD、6UD、8UD)片材组成的相同面密度( 9.6kg/m2. 的UHMWPE层合板。采用弹道枪发射 7.62mm 铅芯弹进行侵彻试验,并对层合板的损伤...
相关杂志
  • 中国商论

    中国商论

    2025年23期
    ¥17.49
  • 中外建筑

    中外建筑

    2025年10期
    ¥9.90
  • 河南科技

    河南科技

    2025年22期
    ¥6.00
  • 海洋开发与管理

    海洋开发与管理

    2025年07期
    ¥21.69
  • 计算机应用文摘

    计算机应用文摘

    2025年23期
    ¥9.00
  • 社会科学研究

    社会科学研究

    2025年06期
    ¥9.00
  • 现代信息科技

    现代信息科技

    2025年22期
    ¥18.00
  • 湖南大学学报(社会科学版)

    湖南大学学报(社会科学版)

    2025年06期
    ¥12.00
  • 中国调味品

    中国调味品

    2025年12期
    ¥0.00
  • 民主与科学

    民主与科学

    2025年05期
    ¥3.39
  • 计算技术与自动化

    计算技术与自动化

    2025年03期
    ¥10.89
  • 现代电子技术

    现代电子技术

    2025年23期
    ¥12.00
订阅全年后,您可享受以下权益
①该本杂志即日起至未来1年内所有更新电子版杂志的使用权限;
②赠送该杂志的部分往期的杂志的使用权限,有效期1年。

全年订购价格: ¥468.00

订阅全年
--%>

登录龙源期刊网

温馨提示:

1.点击网站右上角的“充值”按钮可以为您的账号充值

2.充值金额可以选择30,50,100或500元

3.充值成功后即可购买网站上的任意杂志或文章

还没有龙源账户? 立即注册

购买杂志

中国测试

杂志价格:¥39.00元

  • 微信扫码支付
  • 当前余额:100.00

购买杂志

中国测试

杂志价格:¥39.00元

  • 微信扫码支付
  • 当前余额:¥100.00

    去充值
monitor
客服机器人