北京地铁房山线列车接地系统在实际应用中的问题及解决措施

打开文本图片集
ProblemsofTrainEarthingSystemofBeijingMetroFangshan LineinPracticalAplicationandSolutions
WANGXiaotong
(OperationBranch2ofBeijingMetroOperationCo.,Ltd.,Beijing,China)
Abstract:TheBJD01trainsofBeijingMetroFangshanLinepresenttheproblemofelectrolyticcorosion of axle box bearings in large quantities in the actual operation. In course of troubleshoting, the static and dynamiccurentsoftheearthingcircuitweremeasuredandanalyzedtofinalyconfirmthattheelectrolytic corosionofaxleboxbearingshadbencausedbyincompatiblewiringofthetrainearthingcircuitwhichledto theunbalancedreturningcurentdistributionoftheearthing.Withtheincreaseoftrainloadandoperation sped,theunbalancedreturningcurentdistributionwilbecomemoreobvious.Acordingtothereturning curenttestonthesite,theactualcurenthasexcededthemaximumdesigncurentvalueforasingleaxle. Thisarticleproposesthre solutions:instalingearthingcurentreturningdevicesonthetrailercars; modifyingthewiringofearthingcircuitofthemotorcar;instalingearthingsystemprotectionresistorsor separatingtheoperationearthingfromtheprotectionearthing.Italsoexpoundsthethresolutionsrespectively fromtheangleoftrainoperation.Throughthecostanalysisandthetrainloaddistributionanalysis,it'sfinaly determinedthatthesolutionofmodifyingthewiringofearthingcircuitofthemotorcarcompliesmorewith theon-siteconditions.Theimplementationofthissolutionhasefectivelysolvedtheproblemofelectrolytic corosionoftrainbearingsofFangshanLine.
Keywords:metrovehicle;operationearthing;protectionearthing;earthingcircuit;electrolyticcorosion ofbearings
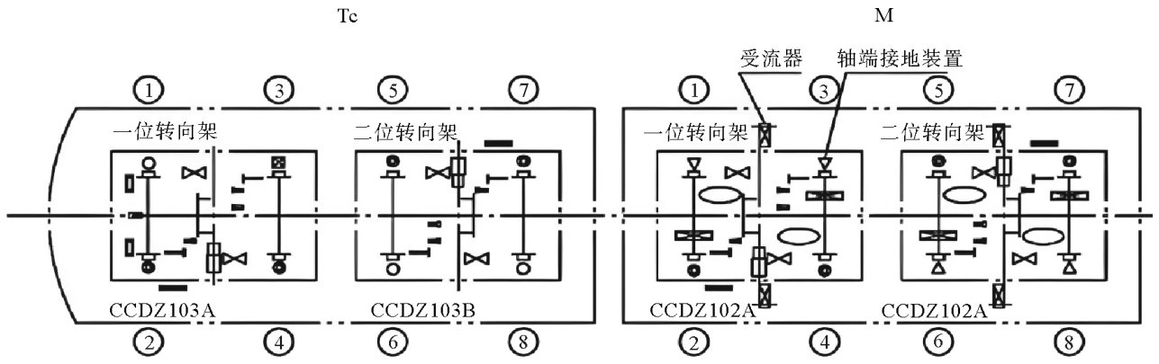
地铁房山线列车在40万 km 修程中,发现大量轴箱轴承出现电蚀情况,在对全部列车进行普查过程中,发现均存在不同程度的轴承电蚀情况,影响列车的安全性能,现对列车轴箱轴承电蚀原因进行分析,并提出解决措施。(剩余4866字)