基于轻量化Y0L0v8的行人跌倒检测算法的研究与实现

打开文本图片集
中图分类号:TP391.4 文献标识码:A 文章编号:2096-4706(2025)22-0040-05
Research and Implementation of Pedestrian Fall Detection Algorithm Based on Lightweight YOLOv8
KONG Qin, WU Haoyang (NanjingVocational CollegeofInformation Technology,Nanjing21oo23,China)
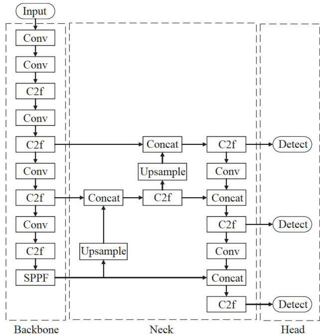
Abstract:With the acceleration of the global aging process,thefallof the elderlyhas become a major public health problem.Traditional monitoring methods face multiple challenges such as insuffcient accuracy,poorreal-timeperformance, andhighdeploymentcosts incomplex scenarios.Aiming atthe problemthatthe detectionperformanceof theexisting visual monitoring system decreases incomplex environments such as low illumination and oclusion,apedestrian falldetection algorithmbasedonlightweightYOLOv8isproposed.Basedontheoriginalnetwork architecture,byreconstructingalletwork modules,theGSConv lightweightconvolution module isused toreplacethestandardconvolution,and thechannelsplitingfeaturecompensation mechanism isusedtooptimizetheoriginal C2ffeature extraction module.Theexperimentalresultsshow that the improved model reduces the computational complexityby 68% while retaining 97.3% ofthe feature representation eficiency.Theoriginal SPPFmoduleconstructsahybridSPPF_Hybrid pyramid poling structurebycombiningDynamic Spatial PyramidPooling(DsPP) andattentionmechanism.The mAP(∅0.5 indexofsinglesourcereaches O.992,which greatlyreduces the model volumeand computational complexity,and significantly improves the single frame inference speed.
Keywords: Deep Learning; Object Detection; Lightweight Neural Network; Dynamic Spatial Pyramid Poling; edge computing
0 引言
随着全球老龄化进程的加速推进,老年人在未经监管的情况下容易发生跌倒,造成老年人伤亡,已成为当今社会面临的重大公共卫生挑战。(剩余6394字)