基于复合拓扑切换的锂电池无线充电系统设计
            
                        
                        
            	
            
                  
                
                
            
            
                
                    
                    打开文本图片集
            
            DOI:10. 15938/j. emc.2025.08.014
中图分类号:TM724 文献标志码:A 文章编号:1007-449X(2025)08-0150-13
Wireless charging system design of lithium battery on basis of composite topology switching
HUANG Wencong', SONG Tingting', RAO Tianbiao1, CHANG Yufang1, YAN Huaicheng^(1.HubeiEngineering ResearchCenterforSafetyMonitoringofNew EnergyandPowerGridEquipment,Hubei UniversityofTechnology,Wuhan430068,China;2.Scholof Information Scienceand Enginering,East China Universityof Scienceand Technology,Shanghai 200237,China)
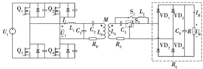
Abstract:In order to adapt to the charging characteristics of lithium bateries and avoid overcharging or undercharging problems,a resonant wireless power transmission system based on LCC-LCL/S topology was proposed,featuring self-switching between constant currnt and constant voltage output modes. The system does not require sophisticated control methods such as primary and secondary side communication, phase shifting,or frequency modulation,and it can switch the output characteristics of the system only by controling the two switches on the secondary side to switch the topology.Upon the completion of charging,the system can automatically switch to a low-power state. Firstly,a novel hybrid topology based on LCC-LCL/S was proposed,and its output characteristics and zero-phase-angle characteristics were analyzed according to the equivalent mutual inductance circuit of the topology; Secondly,a parameter configuration method was developed based on theoretical derivation and maximum safe current constraints, providing theoretical support for parameter design;Then,considering the impact of load resistance at the switching point and system no-load operation on output stability,practical cases such as load open-circuit and load removal after charge completion were analyzed to verify the system's stability and safety; Finally,a simulation and experimental platform was built,achieving constant output and smooth switching with a maximum output efficiency of 88.6% ,thereby verifying effectiveness and correctness of the proposed method.
Keywords : wireless power transmission;; constant current and constant voltage switching;LCC-LCL/S to-pology; zero phase angle; parameter optimization design; optimal load switching point
0引言
无线电能传输(wirelesspower transmission,WPT)作为一种非接触电能传输技术,摆脱了传统有形介质的束缚[1],其以电磁波为能量载体,将电能从发射端传输到接收端为负载供能,避免了传统电能传输过程中线路老化、绝缘损坏、尖端放电带来的经济性与安全性问题[2],因而被广泛应用于电动汽车、自主水下航行器和医疗设备等领域[3-6] 。(剩余16409字)