基于开关振荡电流的PMSM绕组绝缘热老化在线监测方法
            
                        
                        
            	
            
                  
                
                
            
            
                
                    
                    打开文本图片集
            
            DOI:10. 15938/j. emc.2025.08.009
中图分类号:TM341 文献标志码:A 文章编号:1007-449X(2025)08-0092-12
Online monitoring method for thermal aging of PMSM winding insulation based on switching oscillation current
NIU Feng¹, JIA Yanshu¹,HUANG Shaopo²,CHEN Jianlin¹, XU Zijun³, YAN Caisong4 (1.Key Labof Electromagnetic FieldandElectricalApparatus Reliabilityof Hebei Province,Hebei Universityof Technology, Tianjin300401,China;2.ColgeofIformatioEnginering,BeiingIsituteofPetrocheicalTcholoBeijing6Cina; 3.SchoolofElectricalandInformationEngineering,TianjinUniversity,Tianjin3o72,China;4.Hunan CRRCShangquElectic Co.,Ltd., Zhuzhou ,China)
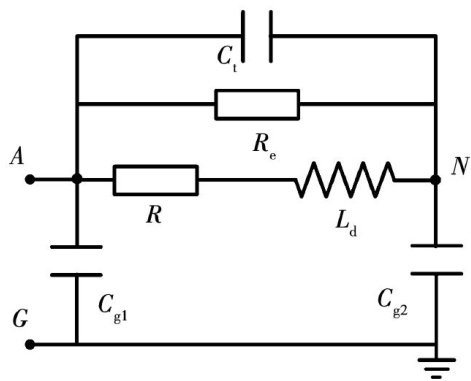
Abstract:Lightweight design and high power density are key development directions for permanent magnet synchronous motors (PMSM).However,the resulting increase in motor temperature rise can easily lead to insulation performance degradation of windings,causing motor failures. A thermal aging monitoring method was investigated for PMSM winding insulation based on switching oscillation current. First,a high-frequency impedance model of the motor-cable system was established,and the variation patterns of the motor system's impedance spectrum under thermal stress were studied when insulation aging occurred in different parts of the windings.Then,the mapping relationship between the impedance characteristics of the motor system and the characteristic frequencies of the switching oscillation current was revealed.A non-intrusive online monitoring method for classifying winding insulation aging based on switching oscillation current was proposed,utilizing changes in the characteristic frequencies of the switching oscilation current to assess the ground-wall insulation at the winding terminals and the internal winding insulation status in real time. Finally,experiments were designed and conducted to monitor the thermal aging state of PMSM winding insulation,validating the accuracy of this method under diffrent operating conditions. This approach eliminates the need for shutdowns or additional signal injection equipment,enabling nonintrusive online monitoring. It can provide technical support for early warning of motor insulation faults and preventive maintenance.
Keywords:permanent magnet synchronous motor; switching oscillation current;stator winding insulation; thermal aging;online monitoring
0引言
永磁同步电机(permanentmagnet synchronousmachine,PMSM)是轨道交通、船舶电力推进等重要领域的核心部件,其可靠性对于整个系统的安全运行至关重要[1-3]。(剩余18061字)