大众迈腾B7起动系统故障案例分析

打开文本图片集
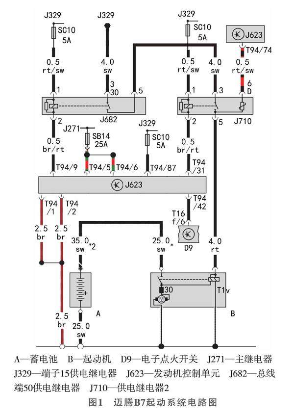
【摘 要】文章以一汽大众迈腾B7起动系统故障为例,通过查阅技术资料、原厂维修手册及系统电路图,总结迈腾B7起动系统的控制逻辑并整理出电路图,对起动机的控制可以一目了然。通过系统组成及工作原理,结合电路图分析可能原因,制定诊断方案并进行故障诊断排除,可为汽车维修从业人员提供参考和借鉴。
【关键词】起动系统;故障诊断;迈腾B7
中图分类号:U464.142 文献标识码:B 文章编号:1003-8639( 2023 )11-0102-03
Case Study on the Failure of MAGOTAN B7 Starting System
SU Minghong,ZHANG Xuewen,WU Jianming,WU Chao
(Automobile Engineering School,Yiyang Vocational and Technical College,Yiyang 413049,China)
【Abstract】In this paper,taking the fault of FAW-volkswagen MAGOTAN B7 starting system as an example,the control logic of the MAGOTAN B7 starting system was summarized and the circuit diagram was organized by reviewing technical data,original maintenance manual and system circuit diagram,so that the control of the starter could be understood at a glance. Through the system composition and working principle,combined with the circuit diagram,the possible causes were analyzed,a diagnostic plan was developed,and troubleshooting was carried out. It can be used as a reference and learning for automotive maintenance practitioners.
【Key words】failure of the starting system;fault diagnosis;MAGOTAN B7
1 故障分析与诊断流程
1.1 故障现象
插入点火钥匙,方向盘正常解锁,仪表正常点亮,确认P挡,踩下制动踏板,起动车辆,起动机“哒、哒、哒”响,起动机不能正常转动,发动机无法正常着车。(剩余2622字)