注册帐号丨忘记密码?
1.点击网站首页右上角的“充值”按钮可以为您的帐号充值
2.可选择不同档位的充值金额,充值后按篇按本计费
3.充值成功后即可购买网站上的任意文章或杂志的电子版
4.购买后文章、杂志可在个人中心的订阅/零买找到
5.登陆后可阅读免费专区的精彩内容
打开文本图片集
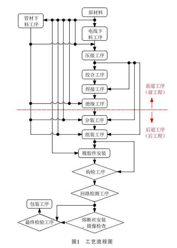
【摘 要】汽车电线束产品的生产加工过程相对比较离散,是集管理密集、劳动力密集、零部件密集为一身的特殊产品,能够实现自动化过程的工序有限,对过程管控能力、质量保证能力及操作人员技能具有较高的要求,而“三分技术、七分管理”是线束人对汽车电线束产品的一个普遍认知。结合汽车电线束产品在不同工序的工艺特点对防错技术的应用进行分享。(剩余8255字)
登录龙源期刊网
购买文章
防错技术在汽车电线束生产过程中的应用
文章价格:5.00元
当前余额:100.00
阅读
您目前是文章会员,阅读数共:0篇
剩余阅读数:0篇
阅读有效期:0001/1/1 0:00:00