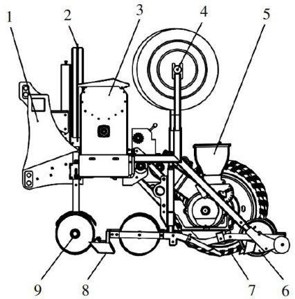
2BMQF-4气力式首蓿精量播种机机架可靠性分析

打开文本图片集
Abstract: Duetoitsuqegeogacalandmaticoniios,alfalfaplatingaeaisstiXijagregiodalfalfades animportant equipment in the mechanizationofalfalfa production Aiming atthe 2BMQF-4 pneumaticalfalfa precisionseeder operation proces frae ispronetostructural deformationfatiguedamageandresonance penomenon,andthefiniteelement softwarewasused tocarryoutthestaticand modalanalysisoftheframe.Theresultsshowthat whentheframe issbjectedtothe maximum external load, the maximum shape is 3.91×10-2mm, and the maximum stress is 131MPa ,which is lower than the yield strength of 235MPa of the Q235A material. The lowest intrinsic frequency of the rack is 58.114Hz, which is higher than the vibration frequency ofthe transmisson systemofthe tractorand the seeder toavoid the resonancephenomenon.
Keywords:Alfalfa; Seeder;Frame;Finite elementanalysis
doi:10.13620/j.cnki.issn1007-7782.2025.01.014
中图分类号:S223.2 文献标识码:A
0引言
新疆是我国重要的畜牧产业区,具有丰富的草场资源和良好的天然气候条件,畜牧业发展迅速,畜牧机械化成为畜牧业发展的重要需求之一[1-2]。(剩余4251字)