注册帐号丨忘记密码?
1.点击网站首页右上角的“充值”按钮可以为您的帐号充值
2.可选择不同档位的充值金额,充值后按篇按本计费
3.充值成功后即可购买网站上的任意文章或杂志的电子版
4.购买后文章、杂志可在个人中心的订阅/零买找到
5.登陆后可阅读免费专区的精彩内容
打开文本图片集
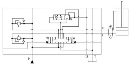
0 引言
随着我国经济的快速发展,挖掘机的应用越来越普遍,其中小型挖掘机凭借高性价比和高工况适应性更是得到广泛应用。随着用户规模的不断扩大,用户对挖掘机的性能要求也越来越高。小型挖掘机通常标配推土铲,因此驾驶员在工作时通过推土铲撑车以提高整机的稳定性,这是小挖用户的常规操作。然而有时会收到市场上部分用户的反馈,反映推土铲撑车存在偶发失效问题。(剩余3723字)
登录龙源期刊网
购买文章
挖掘机推土铲撑车失效的故障原因分析与治理措施
文章价格:4.00元
当前余额:100.00
阅读
您目前是文章会员,阅读数共:0篇
剩余阅读数:0篇
阅读有效期:0001/1/1 0:00:00