中国新技术新产品

中国新技术新产品

2025年15期
  • 收藏
收藏成功
微博 空间 微信
中国新技术新产品,杂志以“创新精神成就媒体社会理想,打造中国新技术新产品权威资讯平台”为宗旨,见证创新历程、解析创新理念...     展开

类型

半月刊

类别

学术
定价
促销信息
全年订阅更优惠!
¥38.00 ¥22.89
目录

高新技术

基于STM32的光伏型BUCK同步整流稳压电源
摘要:本文研究基于STM32的光伏同步整流降压型稳压电源,旨在提升光伏领域电源的效率和输出电压稳定性。采用 STM32微控制器,结合同步整流技术和降压型变换器拓扑,精准配置定时器和PWM模块驱动MOS管,以优化开关过程。利用ADC模块实时采...
基于交叉注意力机制与BiTCN、BiGRU的滚动轴承剩余寿命预测
摘要:针对现有方法在滚动轴承剩余使用寿命(Remaining Useful Life,RUL)预测方面不精准、效率低等问题,本文提出一种基于交叉注意力(Cross Attention,CA)机制、双向时间卷积神经网络(Bidirection...
基于深度强化学习的无人机自主避障路径规划优化方法
摘要:为对无人机在复杂环境中的自主避障路径进行规划,本文提出了一种基于深度强化学习的优化方法。构建概率图模型,以表征环境状态空间,设计多目标自适应奖励机制,并结合深度确定性策略梯度(DeepDeterministic Policy Grad...
基于深度学习的智能机器人路径规划优化研究
摘要:智能机器人在复杂动态环境中的路径规划是当前研究的关键问题,传统方法(例如 A* 、Dijkstra、快速随机树(Rapidly-exploring Random Tree,RRT)等)存在计算效率低、适应性差等问题。本文提出一种将卷积...
基于GAN的电力巡检红外和可见光图像融合方法
摘要:为了进行变电站故障点检测,本文提出一种基于生成式对抗网络(Generative AdversarialNetworks,GAN)的红外(Infrared Radiation,IR)图像与可见光(VisibleImages,VI)图像融...
基于OpenGL的通用图形抗锯齿渲染方法
摘要:针对在计算机图形渲染过程中普遍存在的边缘锯齿问题,本文提出了一种跨平台、通用的图形抗锯齿渲染方法。使用OpenGL开放图形库,控制图形的边缘模糊渐变程度,可以高效绘制平滑线段、多边形等基础图形。试验结果表明,与常规渲染方式相比,采用本...
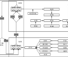
分布式新能源多智能体管理系统设计与仿真
摘要:随着全球能源危机和环境问题日益严重,发展分布式新能源成为必然趋势。本文针对百兆瓦级分布式新能源管理的核心问题,提出了一种多智能体协同管理系统。系统采用数据驱动与智能优化相结合的方法,包含4个功能模块:数据采集与处理、智能预测、多智能体...
光纤传感新技术在机械轴承仪器仪表中的应用
摘要:随着工业发展,大型旋转机械广泛应用于各领域,其轴承振动监测对设备稳定运行意义重大。传统电传感技术在监测中易受电磁干扰等因素影响,测量稳定性与精度欠佳。因此,本文优化了微纳结构光纤,精准控制仪器仪表FBG传感器写入参数,并选用特定单模光...
火力发电厂输煤栈桥电机设备智能测温系统关键技术研究
摘要:火力发电厂输煤栈桥用于电厂燃料输送,其电机设备存在热故障风险,需要加强状态监测。本文针对输煤栈桥电机设备的典型工作环境和测温需求,设计了一种基于热红外成像的智能测温系统,由前端多源测温单元、云台定位装置、边缘计算节点和云端管理平台等模...
CFSFDP联合小波阈值的风力机叶片材料声发射信号去噪方法
摘要:为了减少声发射数据中的环境噪声干扰,提高材料损伤模式识别的准确性,本文提出一种基于CFSFDP(Clustering byFast Search and Findof Density Peaks)的聚类算法和小波阈值的声发射信号去噪方...
高频电磁场对电力设备的影响及防护技术研究
摘要:高频电磁场是现代电力系统的重要干扰源,对电力设备的安全运行具有重要影响。本文分析了电磁场传播特性,探究其对变压器、断路器和互感器等设备的影响机制。研究表明,多层复合屏蔽结构能够有效降低 80% 以上的电磁干扰,优化接地网布局可以减少 ...
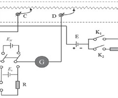
虚拟十一线电位差计实验仪的LabVIEW仿真设计
摘要:随着信息技术发展,虚拟实验平台成为大学物理实验教学的重要补充手段。本文基于LabVIEW虚拟仪器开发平台,对电位差计实验箱内部模块进行了虚拟仿真设计,开发了一个虚拟十一线电位差计实验仪,对实际仪器的功能进行仿真,能够进行待测电动势测量...
深度卷积神经网络下变电一次设备状态检修
摘要:为了提升变电一次设备状态智能检修效果,提高运行状态稳定系数,本文提出基于深度卷积神经网络的变电一次设备状态智能检修方法。检测变电一次设备状态,获取设备状态信息;输入深度卷积神经网络进行训练,提取变电一次设备状态特征,诊断一次设备状态类...
数控加工拐角过渡变形误差补偿技术
摘要:在数控加工拐角过渡变形误差补偿的过程中,映射补偿的方法可能受刀轴矢量影响,存在补偿点位偏差问题,导致补偿后仍存在较大的变形误差。为了解决该问题,本文提出了数控加工拐角过渡变形误差补偿技术。计算工件在数控加工过程中所受铣削力和切削力,预...

信息技术

广播电视信号融合处理与多平台分发技术研究
摘要:本文研究了广播电视信号融合处理与多平台分发技术。采集广播电视信号,经过信号编解码处理对信号进行压缩、解压缩和格式转换,以满足不同分发平台的要求。运用多信号源融合技术整合信息,采用内容分发策略对融合信号进行优先级排序,封装并发送到分发队...

工业技术

新能源配电网电力调度优化方法
摘要:在新能源配电网电力调度优化中,为了应对实时功率波动,本文根据分区功率需求与新能源发电设备输出功率关系构建目标函数。在新能源渗透率高并且分散的分区,设定最大化新能源出力利用率目标;在重要负荷集中分区,选用电压偏差平方和为目标。同时设定配...
分布式光伏发电系统并网对配电网电流保护的影响
摘要:配电网运行的电压等级较低,产生的短路电流非常微弱,极易影响电流保护设备的响应速度,因此本文深入设计、分析了分布式光伏发电系统并网对配电网电流保护的影响。分析了配电网电流负载信息和配电网电流故障特征信息,得出分布式光伏发电系统的最佳并网...
风电光伏接入系统中的混合储能应用研究
摘要:本文针对风电光伏接入系统的稳定性和可靠性问题进行研究,结合蓄电池和超级电容的优势,提出混合储能系统对电力系统动态功率进行补偿控制的方法,以解决风电和光伏发电的间歇性和不稳定性问题。研究结果表明,混合储能系统能够有效维持电力系统母线电压...
电力系统低频振荡影响因素分析
摘要:在电力网络架构持续扩展的背景下,电网运行中频繁出现低频振荡现象,这对系统安全、稳定构成潜在威胁。针对此问题,亟需深入探究引发电力系统低频振荡的影响因素,本文基于扩展等面积准则理论,运用PSASP软件分析四发电机两区域系统中各机组功角的...
螺栓预紧力对输电杆塔破坏应力的影响研究
摘要:某输电线路工程的部分杆塔属于覆冰区段,在覆冰、脱冰情况下,输电杆塔的结构件受到附加载荷的作用,存在一定的变形破坏风险。为了掌握杆塔主要结构组件破坏应力的影响因素,该研究利用ABAQUS软件建立杆塔的有限元模型,设置相应的载荷,改变螺栓...
机械外骨骼并联运动关节机械结构设计
摘要:本文阐述的机械外骨骼需要解决的问题是提高机械外骨骼的动作灵活性、增加每个关节的自由度。为了解决该问题,需要使用并联运动机构作为肩、腕、髋、踝这4个重要关节的机械结构,并且该机械外骨骼的上下身之间使用仿生脊柱连接,使其拥有接近人体关节的...
基于Hilbert-Huang变换的输电线路故障测距研究
摘要:该研究通过结合经验模态分解(Empirical Mode Decomposition,EMD)与Hilbert 变换,探讨如何有效提取行波信号中的瞬时频率以及相位信息,对故障位置进行精确定位。研究回顾了传统的单端与双端行波测距法,分析...
电力系统气体绝缘金属封闭开关机械故障诊断研究
摘要:气体绝缘金属封闭开关属于电力系统的关键设备,其主要结构组件封闭在金属外壳内部,难以快速排查故障。因此为了提高故障诊断效率,研究过程以该设备在运行过程中的声信号为数据源,利用分层脉冲神经网络模型提取声信号的特征,输出神经脉冲发放率频谱,...
新型螺旋降温结构烟支加热抽吸过程数值仿真
摘要:为了解决加热不燃烧烟支实际温度布局检测难度较大,难以获取全面的温度分布数据的问题,本文以该类型卷烟为研究对象,采用有限元方法对包括烟具和烟支一体化模型进行分析,以热量传递、温度分布以及抽吸过程烟气流动为内容进行数值分析研究。通过仿真结...

工程技术

基于YOLOX+OpenCV的路面超薄磨耗层 黑化施工
摘要:为了实现沥青混凝土路面新型超薄磨耗层黑化的高质量施工,本文提出基于YOLOX + OpenCV的沥青混凝土路面新型超薄磨耗层黑化施工关键技术的研究。首先,利用YOLOX目标检测算法结合改进后的损失函数ECIoU,快速识别路面裂缝、坑洼...
无机结合料改良碳酸盐渍土路用性能试验研究
摘要:本文采用复掺水泥、石灰及粉煤灰无机结合料的方式,基于正交试验原理,研究了改良碳酸盐渍土的最大含水率、最大干密度、无侧限抗压强度及CBR随无机掺合料掺量的变化规律。掺入无机结合料可有效改善碳酸盐渍土的路用性能,根据极差分析结果,确定了无...
混凝土坝施工多因素影响粒子群分析与仿真
摘要:本文针对混凝土大坝施工的多因素影响问题,提出了一种粒子群分析方法。通过粒子位置、速度等状态方程设定,设计了动态权重配置和惩罚因子,使粒子群方法与本文核心研究问题对应。在确立混凝土坝施工过程3个子系统、6类影响因素的基础上,运用所提出的...
基于多目标优化遗传算法的国土空间规划研究
摘要:为了解决在国土空间规划中,科学景观可视化因易受预测验证效果影响而导致土地资源利用率偏低的问题,本文提出基于多目标优化遗传算法的国土空间规划方法。该方法按照交叉变异与选择关系获取最优解,进行基因编码,利用多目标优化遗传算法确定空间分布权...
轻质混凝土装配式建筑结构梁力学性能试验与分析
摘要:为进一步提高轻质混凝土装配式建筑结构梁力学性能,本研究提出利用铁尾矿粉提高混凝土梁的力学性能,进一步分析不同铁尾矿粉掺量的混凝土梁抗压强度及延性系数。试验结果表明,随着铁尾矿粉掺量增加,混凝土梁的抗压强度逐渐提高,当铁尾矿粉掺量为 1...
高层建筑混凝土外墙水平施工缝防渗漏施工技术研究
摘要:混凝土外墙水平施工缝防渗漏施工常面临处理不当、材料选用不合适及施工工艺不规范等问题,这些问题易导致墙体渗漏,影响建筑耐久性和安全性。因此,本文以某高层建筑为例,对混凝土外墙水平施工缝防渗漏施工技术进行研究。通过制作模板及横向施工接缝的...
基于小波包信息熵的大型船舶柴油机机架横向异常振动识别
摘要:大型船舶柴油机机架在横向振动数据采集过程中易受冗余噪声干扰,导致异常状态识别困难。因此,本文提出基于小波包信息熵的大型船舶柴油机机架横向异常振动识别。本文采用移动平均滤波技术,对大型船舶柴油机机架横向振动数据进行平滑及去噪预处理。利用...
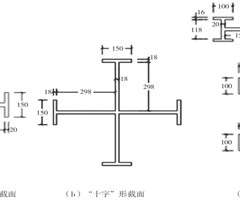
3种复杂异形截面钢柱受力性能有限元 模拟研究
摘要:为研究3种工程应用中的复杂异形截面钢柱受力性能,本研究采用ABAQUS有限元模形分析了构件的骨架曲线、延性性能等关键参数的变化,针对4种异形截面钢柱在不同加载工况下的力学性能进行了系统分析。试验数据表明,“T”形截面构件主轴 X 方向...
温拌改性高黏沥青混合料路用性能研究
摘要:为研究不同改性剂掺量对高黏沥青及其混合料性能的影响,本文进行了一系列试验,结果表明,USP掺量增加提高了高黏沥青的针入度和延度,降低了软化点,Sasobit掺量增加则提高了软化点,降低了针入度和延度。最佳掺量为USP 5% ,Saso...

生态与环境工程

基于SSA-BP算法的边坡稳定性预测研究
摘要:本文旨在通过基于自适应模拟退火-反向传播(SSA-BP)算法的边坡稳定性预测模型,评估和优化某水电站复杂地质条件下边坡工程的安全性和稳定性。首先,收集岩土物理力学指标、地下水位及地震动参数等数据。其次,对数据进行特征选择,确保模型能够...
生活垃圾樊烧发电厂炉内脱硝技术的应用
摘要:垃圾楚烧过程中产生的氮氧化物( NOx )是大气污染的主要来源之一。本文分析了垃圾楚烧发电过程中 NOx 的生成机制,探讨了炉内脱硝技术的基本原理与工艺设计,创新地将烟气再循环系统和SNCR系统结合,并将关键环节实现动态匹配和调节,以...
污水生物除磷脱氮工艺的运行优化研究
摘要:污水生物除磷脱氮工艺是水处理领域的关键技术,直接影响水质改善与资源回用效率。然而,传统工艺存在处理能力不足和高能耗等问题,亟需通过优化参数提高其整体性能。本文围绕碳源管理、温度与 ΔpH 调节、曝气系统优化等关键因素,提出了一套系统化...
废旧晶硅光伏组件回收再利用技术研究
摘要:由于晶硅光伏组件的寿命有限,导致大量的光伏组件面临报废,为实现其可持续发展,本次开展废旧晶硅光伏组件回收再利用技术研究。首先,根据废旧晶硅光伏组件结构组成,设计一种物理法回收再利用外层材料。其次,基于热解法回收再利用EVA胶膜。最后,...
基于变精度遗传算法的边坡非圆弧滑动面搜索
摘要:在边坡稳定性分析中,滑动面的确定是计算安全系数的关键一步。为了搜索更可靠的临界滑动面,本文提出了变精度遗传算法。该算法引入了基于动态参数编码的两级变精度求解方式,避免了传统遗传算法在范围大且精度高的解空间中,因待优化问题极值点过多而导...
滑坡位移监测技术研究与预测分析
摘要:滑坡预测作为岩土工程领域热门前沿课题,须兼顾灾变突跳性与系统复杂性。本研究综合历史研究成果构建了四阶段轨迹曲线理论体系,该曲线完整表征滑坡后缘位移演化过程的阶段响应特征。研究基于四阶段轨迹曲线法,系统推导了位移、速率及加速度方程,并建...

技术经济与管理

基于胜任力素质模型的企业人力资源优化配置研究
摘要:传统的人力资源管理模式难以适应快速变化的环境,存在人力成本效益比低、人力资本投资回报率不足等问题。因此,本文提出一种基于胜任力素质模型的企业人力资源优化配置方法。将胜任力素质模型与多目标优化相结合,构建了以人力成本效益比和人力资本投资...
电力系统考核与补偿管理中的智能决策研究
摘要:本文提出了一种基于数据交互与智能决策的优化策略,旨在提升电力系统考核与补偿管理的效率与准确性。设计了高效的数据采集、传输与存储系统,并结合智能决策模型,降低电力系统调度成本、提升调节效率和优化补偿决策。试验结果表明,智能决策方法在多个...

生产与安全技术

基于共模风险的电力通信网络路由优化算法研究
摘要:本文旨在解决电力通信网络中共模风险对路由优化的影响问题,提出了一种基于共模风险的电力通信网络路由优化算法。本文通过建立电力通信网络的拓扑模型以及业务需求模型,构建了一个适用于电力通信系统的共模风险评估框架。同时,研究人员提出了基于共模...
多模态计算框架在物联网安防系统中的应用
摘要:针对物联网智慧安防系统中存在的频段穿透能力不足、多模态数据时空错位及实时响应效率低等问题,本文提出多频段动态感知与多模态协同计算框架。通过构建混合频段协同感知体系,结合深度强化学习频谱管理和改进型时空对齐算法,实现复杂场景下的精准感知...
基于图像分析的圆形煤场自动灭火控制技术
摘要:露天煤场是煤炭储存和运输的关键枢纽,煤场多为空间尺度大、燃料堆积密集的圆形布局形式,一旦发生火灾容易酿成重大事故。本文分析了圆形煤场环境的复杂特征及其对火灾图像检测带来的技术挑战,搭建了由可见光、红外、紫外等多种成像设备构成的立体化采...
基于ArcGIS的某县地质灾害易发性评价
摘要:本研究以某县为典型案例区,基于多源地质环境数据,采用GIS空间分析—证据权模型耦合的研究方法,系统开展地质灾害易发性评价研究。通过ArcGIS平台构建了包括地形地貌、地形坡度、地质构造和工程地质岩组的多维评价因子体系,运用证据权模型量...
基于差异进化算法的电力系统电压紧急控制
摘要:传统的集中式电压控制在响应速度、可靠性方面已不能满足电压控制需求。本文提出电压失去稳定时,先由分布式电压紧急控制进行电压紧急控制,控制手段耗尽时,再通过负荷控制切除部分负荷的控制策略,构建了分布式电压紧急控制的优化模型,并采用差异进化...
基于数据知识融合的高速公路工程安全风险识别
摘要:本文基于数据知识融合的方法,提出了一种新的高速公路工程安全风险识别模型,旨在提高桥梁施工和路基工程的安全监理效率。首先,本文从施工过程参数、地质与环境特征以及人员操作行为特征3个方面提取了关键特征,深入分析了这些特征对安全风险的影响。...
相关杂志
  • 中国商论

    中国商论

    2025年20期
    ¥17.49
  • 中外建筑

    中外建筑

    2025年08期
    ¥9.90
  • 河南科技

    河南科技

    2025年18期
    ¥6.00
  • 海洋开发与管理

    海洋开发与管理

    2025年01期
    ¥21.69
  • 计算机应用文摘

    计算机应用文摘

    2025年19期
    ¥9.00
  • 社会科学研究

    社会科学研究

    2025年05期
    ¥9.00
  • 现代信息科技

    现代信息科技

    2025年16期
    ¥18.00
  • 湖南大学学报(社会科学版)

    湖南大学学报(社会科学版)

    2025年05期
    ¥12.00
  • 中国调味品

    中国调味品

    2025年10期
    ¥0.00
  • 计算技术与自动化

    计算技术与自动化

    2025年03期
    ¥10.89
  • 民主与科学

    民主与科学

    2025年04期
    ¥3.39
  • 中国管理信息化

    中国管理信息化

    2025年19期
    ¥12.00
订阅全年后,您可享受以下权益
①该本杂志即日起至未来1年内所有更新电子版杂志的使用权限;
②赠送该杂志的部分往期的杂志的使用权限,有效期1年。

全年订购价格: ¥549.36

订阅全年
--%>

登录龙源期刊网

温馨提示:

1.点击网站右上角的“充值”按钮可以为您的账号充值

2.充值金额可以选择30,50,100或500元

3.充值成功后即可购买网站上的任意杂志或文章

还没有龙源账户? 立即注册

购买杂志

中国新技术新产品

杂志价格:¥22.89元

  • 微信扫码支付
  • 当前余额:100.00

购买杂志

中国新技术新产品

杂志价格:¥22.89元

  • 微信扫码支付
  • 当前余额:¥100.00

    去充值
monitor
客服机器人