中国新技术新产品

中国新技术新产品

2025年18期
  • 收藏
收藏成功
微博 空间 微信
中国新技术新产品,杂志以“创新精神成就媒体社会理想,打造中国新技术新产品权威资讯平台”为宗旨,见证创新历程、解析创新理念...     展开

类型

半月刊

类别

学术
定价
促销信息
全年订阅更优惠!
¥38.00 ¥22.89
目录

高新技术

FLOW-3D模拟激光粉床熔融应用研究
摘要:本文采用结合离散元法(Discrete Element Method,DEM)与计算流体力学(Computational Fluid Dynamics,CFD)的耦合数值模拟技术,研究激光粉末床熔融(Laser Powder BedF...
飞机结构装配偏差检测方法
摘要:针对现有的飞机装配偏差检测方法漏检率较高的问题,本文提出飞机结构装配偏差检测方法,构建包括飞机部件几何特征、材料属性以及装配语义的理论装配模型。在关键装配部位安装多源传感器,利用时空同步与空间配准,构建全局统一的装配特征点数据集。采用...
基于VMD-SSA-LSTM的IGBT寿命预测模型研究
摘要:绝缘栅双极型晶体管(Insulated Gate Bipolar Transistor,IGBT)是进行电能转换的关键电子元器件。现有的IGBT寿命预测模型准确度不高,因此,本文提出了一种优化模型。该模型利用变分模态分解(Variat...
基于蚁群路径优化的网络拥塞控制方法研究
摘要:随着网络规模不断扩大,数据流量持续增长,网络拥塞问题日益突出。本文提出一种基于蚁群路径优化的网络拥塞控制方法,能够缓解网络拥塞,提升网络性能。分析网络节点的负载状况、链路带宽以及延迟等因素,采用蚁群算法寻找最优数据传输路径,并动态调整...
基于三维建模的高压线路定位巡航技术研究
摘要:本文研究一种基于无人机激光雷达(LiDAR)三维建模模式的高压线路定位巡航技术。对激光雷达获取的点云数据进行滤波和特征提取,构建高压线路的三维模型,并制定合理的定位巡航路径规划策略。在试验中,将基于激光雷达的巡检方法与传统人工巡检和图...
智能拔销机器人的多任务适应性设计与优化
摘要:在制造业智能化升级背景下,拔销作业自动化与智能化水平亟待提升,本文进行了智能拔销机器人多任务适应性研究。基于弹性硬件平台与动态软件系统协同构建,使机器人能够在多场景下进行灵活适配任务并稳定执行。研究结果表明,该设计在常规拔销任务中具有...
基于人工智能算法的电力调度数据异常检测系统设计
摘要:针对当前电力调度系统数据种类众多、数据量大,导致内部异常监测系统工作效率低的问题,本文使用卷积神经网络(Convolutional Neural Network,CNN)模型对长短期记忆神经网络(Long Short Term Mem...
一种基于VisionTransformer的迁移学习鱼类分类方法
摘要:鱼类物种分类对水产养殖和研究水电设施对淡水鱼的生态影响评估具有重要意义。但是,现有分类方法在特征提取和数据需求方面存在局限。为了解决这些问题,本文提出一种基于视觉变换器(Vision Transformer,ViT)的迁移学习鱼类分类...
GIS+遥感航测技术在不动产地理信息测绘中的应用
摘要:传统不动产地理信息测绘基于地面实测,由人工操作测量仪器,易受环境因素影响,导致测绘图像清晰度较低。因此,本文提出了结合GIS与遥感航测技术的不动产地理信息测绘研究。首先,布设遥感航测像控点,利用无人机获取高分辨率遥感影像。其次,基于G...
生物质衍生碳材料的多维结构及其在超级电容器中的应用
摘要:生物质衍生碳材料具有环境友好、资源丰富和结构可控等优势,在新型储能技术中具有广阔应用前景。本文从材料微观结构、储能机制出发,系统分析了多维结构(包括OD颗粒状、1D纤维状、2D层状和3D互穿网络)的构筑方法与性能调控策略。通过孔隙结构...
无人机点云驱动下架空输电线路净空安全数字化分析
摘要:架空输电线路净空安全状态评价是电网安全可靠运行的重要保障。无人机技术能够快速获取输电线路通道信息,成为巡检工作的重要技术手段。因此,本文基于无人机采集的点云数据,采用布料滤波算法计算最小净空距离和最小交叉跨越距离,判断是否存在线路通道...
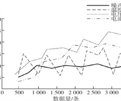
多传感器融合的蓄电池组健康状态在线监测方法
摘要:为了实时监测蓄电池组的健康状态,本文提出一种多传感器融合的蓄电池组健康状态在线监测方法。首先,结合多传感器融合技术,以电压、温度和内阻三传感器的配置为主,采集蓄电池组数据。其次,以收集的蓄电池组数据为基础,进行电压、温升和内阻综合分析...
基于红外热成像技术的架空输电线路电缆头过热在线监测
摘要:为了对电缆头温度进行在线监测,本文引进红外热成像技术应用,以某架空输电线路电缆头为例,进行过热在线监测方法设计。利用子空间辨识技术,获得电缆头在正常输电状态下的状态空间模型,构建架空输电线路电缆头状态空间方程;根据其状态空间方程,进行...
网络拓扑下含分布式电源配电网隔离恢复策略研究
摘要:分布式电源类型多样,其输出功率具有间歇性和不确定性,在故障情况下难以准确隔离故障区域并恢复非故障区域的供电。因此,本文研究了网络拓扑下含分布式电源配电网隔离恢复策略。在网络拓扑下,应用遗传算法进行配电网故障定位与隔离。以恢复价值最优、...
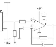
基于宽频带电流传感器的高压电气设备局部放电检测研究
摘要:由于现行方法在高压电气设备局部放电检测中应用效果不佳,错检、漏检问题严重,无法达到预期的检测效果,因此本文提出基于宽频带电流传感器的高压电气设备局部放电检测研究。采用宽频带电流传感器采集高压电气设备电流信号,利用经验模态分解技术对信号...

信息技术

TCP拥塞控制算法优化提升网络传输效率研究
摘要:TCP协议通过拥塞控制有效管理网络流量,但是在高负载网络中可能出现性能瓶颈,影响带宽利用率、延迟和吞吐量。本文分析了TCP协议的基本原理及拥塞控制机制,并探讨了拥塞窗口动态调整对传输效率的影响。为了应对现有算法的不足,本文提出了一种新...

工业技术

基于新型导热材料的移动照明灯具外壳设计
摘要:当前移动照明灯具多采用金属导热材料,导热性能不佳,光衰程度较深,缩短了灯具使用寿命。因此,本文设计基于石墨导热材料的移动照明灯具外壳。研究基于石墨导热介质的导热结构,将导热板的导热热阻作为参量,计算导热板的导热量,结合防护机构,设计移...
新型采煤机在复杂煤矿工作面的高效开采性能试验分析
摘要:我国煤矿地质条件复杂,传统采煤机难以适应,导致开采效率与质量受限。因此,本研究针对采煤机截割、牵引、液压等关键机构进行创新设计与优化。通过搭建模拟试验装置,对其在复杂煤矿工作面各类工况下的高效开采性能进行全面测试。试验结果表明,当电机...
电站锅炉波纹管涡流检测研究
摘要:本研究围绕电站锅炉波纹管内壁缺陷检测问题,基于涡流检测原理,构建了管道及检测线圈的三维有限元仿真模型,并进行了涡流检测试验。通过涡流场中原始磁场与次级磁场的相互作用分析,结合阻抗变化公式,明确了缺陷引起局部电导率变化与检测信号(幅值及...
500kV变电一次设备隐性故障排查技术
摘要: 500kV 变电站是电力传输系统的关键组成部分,其稳定运行对电网的整体稳定性具有直接影响。由于变电系统各设备间存在相互作用和影响,无法采集隐性故障时序信息,降低排查结果的精准度。针对该问题,本文提出了基于时序信息的隐性故障排查技术。...
基于磁弹效应的油气管道应力检测方法
摘要:本文基于磁弹效应,对管道的应力检测进行了研究。采用Q235钢板模拟管道壁,并利用磁弹性传感器对钢板的上/下表面分别进行应力检测试验,得到钢板在加载应力过程中的阻抗等参数的变化趋势。结果表明,在不同的激励电流或激励频率条件下,钢板表面的...
基于模糊PID算法的煤矿掘进机自动截割控制研究
摘要:为了提升煤矿掘进机运行安全性,本文设计了基于模糊PID算法的煤矿掘进机自动截割控制方法。利用多个三维力传感器进行煤矿掘进机截割载荷测量,并对测量结果进行融合处理。结合模糊算法和PID控制算法设计 Mamdani型模糊PID控制器,以煤...
风力发电系统的最佳功率匹配技术研究
摘要:风力发电是一种清洁的能源形式,对能源替代革命具有重要意义。本文构建了风力发电系统的结构模型,对风能、机械能和电能的三能转换进行了合理阐述。进而基于负载功率、转动惯量给出了最佳功率匹配的核心计算方法,并划分了风力发电系统的功率区间。最后...

工程技术

热控系统在火电工程建设中的应用与技术改进
摘要:热控系统是火电工程建设核心部分,对机组安全稳定运行具有关键作用。在某300MW火电机组热控系统运行中,主汽温度波动大、给水控制响应滞后等问题严重影响机组效率。根据现场试验测试分析,本文对主汽温度控制系统进行了模糊PID控制算法优化,使...
基于解析、数值方法的曲线桥结构优化
摘要:曲线桥是直桥、斜交桥等桥型中受力最复杂的桥,其研究滞后于直线桥、斜交桥等,为了解决该问题,本文采用了解析方法和有限元方法(Finite ElementMethod,FEM)对曲线桥的受力及变形进行研究,对曲线桥的竖向变形和扭转变形进行...
基于自修正遗传算法的下水库大坝原料调配技术
摘要:为了提高下水库大坝的原材料供给效率,本文提出了一种自修正的遗传算法。首先,根据运输成本和调配时间指标构建多目标优化模型。其次,将优化目标具体化为4项成本,固定成本、运输成本、损耗成本、惩罚成本,从而设计遗传算法中的适应度函数。针对遗传...
基于改进随机森林的电气系统故障诊断方法
摘要:针对建筑电气系统故障检测算法效率低和准确率不高的问题,本文提出了一种基于多域分析和改进随机森林的故障诊断方法。通过MA2067采集建筑电气故障的原始信号,采用时域分析和频域分析方法提取信号的多维特征,并采用PCA对高维特征进行降维,采...
GIS与多目标决策分析的交通道路选址优化
摘要:本研究通过创新融合地理信息系统(GIS)与多目标决策分析技术,构建了交通道路选址的综合优化模型,不仅深入剖析了选址过程中的复杂挑战,还建立了详尽的空间数据库,精准反映环境特征,采用多目标决策分析方法全面评估,并优选最佳选址方案。案例实...
软土区钻孔灌注桩后注浆设计及承载特征分析
摘要:为确保软土区桩基承载力,本文基于项目区地质条件及设计参数,先进行了钻孔灌注桩后注浆设计分析,并利用声波透射法和竖向抗压静载试验分别评价桩身完整性及承载力。分析结果表明,钻孔灌注桩在软土区具有较好的适用性,且后注浆设计能有效提高其承载力...
公路跨河道连续梁结构稳定及抗震性能研究
摘要:本文以山东省某公路跨河道连续梁桥为研究对象,通过有限元模型分析了桥体施工及运营阶段的应力分布特点,并总结了施工注意事项。研究结果表明,在施工阶段,混凝土强度已达到标准强度的 80% ,因此允许的最大压应力为 15.00MPa ,而最大...
玄武岩纤维复合层对公路路基防护性能研究
摘要:膨胀土是公路地基工程的风险源。在实际工程中,对膨胀土进行稳定处理势在必行。因此,本文进行室内试验,研究使用3种稳定剂,分别为粉煤灰、砂和玄武岩纤维,并在天然土壤中按质量添加不同比例的粉煤灰( 0% , 5% , 10% 、 15% 和...
石灰-玄武岩纤维改良碳酸盐渍土性能试验研究
摘要:本文对掺入石灰-玄武岩纤维复合复合材料的盐渍土试块进行直剪试验、无侧限抗压试验、变水头渗透试验和崩解试验,分析石灰-玄武岩纤维对碳酸盐渍土力学性质及水理性质的影响规律。研究结果表明,石灰对碳酸盐渍土的抗剪切强度和无侧限抗压强度具有积极...
基于改进粒子群算法的水利设施布局优化研究
摘要:水利设施布局优化是一个复杂的多目标优化问题,涉及多个因素。本文采用改进粒子群算法(PSO)对水利设施的布局进行了优化研究,旨在提高设施的工作效率、降低劳动强度消耗,并提高整体布局的空间利用率。通过建立数学模型,设定多项约束条件,综合考...
预应力技术在风电混塔中的应用
摘要:本文针对风力发电领域中风电混塔的结构优化问题,提出了预应力技术在混合塔架中的应用方案。对全钢塔架改造为预应力混凝土一钢组合塔架进行有限元建模和受力分析,验证了预应力技术在提高塔筒刚度、控制变形和调节固有频率方面的显著效果。结合ABAQ...
基于三维建模法的公路重力式挡土墙设计研究
摘要:重力式挡土墙是公路建设中的常用方案。因此,本研究利用三维建模的方式对其初设效果进行分析并加以改进。研究先明确了利用高斯过程构建三维模型的核心算法,再利用具体案例对挡土墙的初设方案进行有限元分析,最后对结构优化后的挡土墙设计方案进行效果...
喷砂雾封层对沥青路面的抗滑效果研究
摘要:本文以AC型、SMA型和OGFC型3种典型沥青混合料为研究对象,采用室内模拟磨耗试验,系统分析了集料类型、公称最大粒径和级配结构对路面抗滑性能衰减规律的影响。同时,评估了喷砂雾封层技术对不同路面类型抗滑性能的恢复效果及耐久性。研究结果...

生态与环境工程

电一生物协同高效降解微污染物技术探究
摘要:在工业化进程持续推进的背景下,大量新兴有机污染物、重金属络合物等各类微污染物进入环境,此类污染物成分复杂,潜在危害大,使传统污染物处理技术面临严峻挑战,传统方法在处理效率和深度方面已无法满足现实需求。因此,本文围绕开发基于电化学-生物...
选择性非催化还原反应化学动力学模拟研究
摘要:本文采用选择性非催化还原(SNCR)化学动力学机理模型,结合一维柱塞流(PFR)反应器模型进行了SNCR化学动力学模拟研究。SNCR反应具有较窄的适宜温度区间,获得其反应温度窗口为1100K\~1400K,最佳反应温度为1250K;为...
电厂锅炉余热回收结合有机朗肯循环发电技术分析
摘要:本文围绕电厂锅炉余热资源高效利用问题,深入探究锅炉余热回收与有机朗肯循环(ORC)发电技术的耦合应用。通过构建热力学模型、开展工质性能分析及系统优化研究,剖析不同余热工况下ORC系统的运行特性。研究表明,在中高温余热区间,合理选择工质...
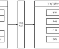
不同地貌条件下多源DEM数据融合方法分析
摘要:本文主要分析了不同地貌条件下多源DEM数据融合方法,以山西省为例,利用模型分析方法探究不同地貌条件的数据融合策略。研究结果显示,不同DEM的数据集之间存在一定的差异性,需要对其进行统一化处理,不同DEM之间的位置偏差对高程数据精度具有...
新型水轮机在清洁能源水利发电中的性能试验研究
摘要:随着清洁能源需求增长,水利发电备受关注。但是传统水轮机因叶片易腐蚀、尾水管能量损失大,限制发电效率与稳定性。本文旨在优化水轮机性能,推动清洁能源水利发电发展,将叶片设定为高强度铝合金并搭配特制纳米复合防腐材料,将尾水管设计为“直锥段 ...
城市内涝防治策略与水流驱动力研究
摘要:随着社会经济快速发展,人们对城市环境的要求越来越高,对城市内涝问题也越来越重视。面对城市内涝,以往以增加管渠尺寸为主,随着对水流驱动力的深入研究,开始采用增加管渠尺寸、提高地面高程和降低水位高程相结合的方式。本文以实际项目出发,对水流...

技术经济与管理

基于实时电价的电力系统需求响应激励机制研究
摘要:需求响应作为一种极具成效的电力系统管理策略,已引发广泛关注。本文针对基于实时电价的电力系统需求响应激励机制展开探究,深入剖析实时电价与用户用电行为之间的内在联系,构建了基于实时电价的电力系统需求响应激励机制数学模型,并采用量子粒子群优...
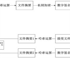
加密算法AES在区块链技术中的应用研究
摘要:本文探讨了高级加密标准(AES)在区块链技术中的应用,分析了其加密需求。本文详细介绍了AES算法的基本原理以及加密解密流程。通过具体案例分析,探讨了AES在数据存储、交易验证、智能合约安全等方面的实际应用问题。结果表明,利用AES加密...
人工智能在医疗数据隐私保护中的应用
摘要:本文探讨了人工智能在医疗数据隐私保护中的应用,重点分析了数据匿名化与脱敏、差分隐私与安全计算等技术。研究表明,这些技术在保护患者隐私的同时,能够有效支持医疗数据的分析和利用。本文还介绍了DeepSeek技术在该领域的策略设计,包括技术...

生产与安全技术

智能变电运维倒闸操作风险自动化预警技术研究
摘要:为了保证变电运维的可靠性,使电力系统稳定运行,本文提出智能变电运维倒闸操作风险自动化预警技术研究。通过分析倒闸操作中存在的运维风险,构建倒闸操作风险预警指标体系。结合滑动窗口技术建立可视化风险模型,提取倒闸操作风险特征。基于上述特征设...
相关杂志
  • 中国商论

    中国商论

    2025年20期
    ¥17.49
  • 中外建筑

    中外建筑

    2025年08期
    ¥9.90
  • 河南科技

    河南科技

    2025年18期
    ¥6.00
  • 海洋开发与管理

    海洋开发与管理

    2025年04期
    ¥21.69
  • 计算机应用文摘

    计算机应用文摘

    2025年19期
    ¥9.00
  • 社会科学研究

    社会科学研究

    2025年05期
    ¥9.00
  • 现代信息科技

    现代信息科技

    2025年16期
    ¥18.00
  • 湖南大学学报(社会科学版)

    湖南大学学报(社会科学版)

    2025年05期
    ¥12.00
  • 中国调味品

    中国调味品

    2025年10期
    ¥0.00
  • 计算技术与自动化

    计算技术与自动化

    2025年03期
    ¥10.89
  • 民主与科学

    民主与科学

    2025年04期
    ¥3.39
  • 云南中医中药杂志

    云南中医中药杂志

    2025年10期
    ¥3.00
订阅全年后,您可享受以下权益
①该本杂志即日起至未来1年内所有更新电子版杂志的使用权限;
②赠送该杂志的部分往期的杂志的使用权限,有效期1年。

全年订购价格: ¥549.36

订阅全年
--%>

登录龙源期刊网

温馨提示:

1.点击网站右上角的“充值”按钮可以为您的账号充值

2.充值金额可以选择30,50,100或500元

3.充值成功后即可购买网站上的任意杂志或文章

还没有龙源账户? 立即注册

购买杂志

中国新技术新产品

杂志价格:¥22.89元

  • 微信扫码支付
  • 当前余额:100.00

购买杂志

中国新技术新产品

杂志价格:¥22.89元

  • 微信扫码支付
  • 当前余额:¥100.00

    去充值
monitor
客服机器人