阻断型浪涌保护器(BSP)工作模式研究

打开文本图片集
中图分类号:U463 DOI:10.20042/j.cnki.1009-4903.2025.03.028
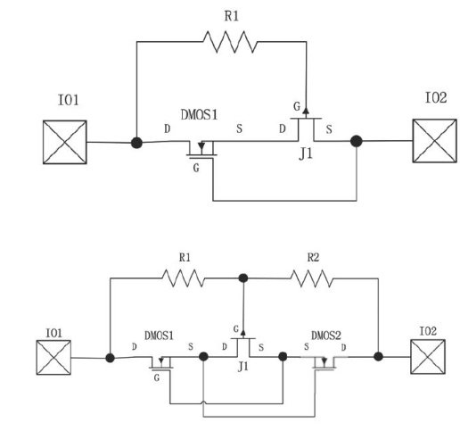
Abstract:Intispapeiderttttrictprotetioeiremntsoutomtieeectroicsts,telatioshiptente workingmodeoftheblockingsurgeprotector(BSP)andtheworkingstateoftheinteraldepletionN-typeDMOSandPJFETisstudied. AbidirectionalBSPcircuitwith60Vwitstandvoage,20mAtriggercurentand20Vrecoveryvotagewasbultbysimulatitol.e protectionaplicationofBSPonautomotiveCANbus is ntroduced.TeresearchresultsprovideimportantreferenceforBSPproduct serialization and platform design.
KeyWords:Blockingsurgeprotector;DepletionNMOS;PJFET;Triggercurrent;Resetvotage;Onresistance;Blockingcrrent
0 引信
随着汽车电气化、智能化和网联化的加速演进,车载电子系统的复杂性与安全性需求呈现指数级增长,电子设备面临的瞬态威胁(如负载突降、静电放电、短路故障等)日益多样且严苛。(剩余4692字)