注册帐号丨忘记密码?
1.点击网站首页右上角的“充值”按钮可以为您的帐号充值
2.可选择不同档位的充值金额,充值后按篇按本计费
3.充值成功后即可购买网站上的任意文章或杂志的电子版
4.购买后文章、杂志可在个人中心的订阅/零买找到
5.登陆后可阅读免费专区的精彩内容
打开文本图片集
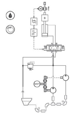
0 引言
轴向柱塞泵具有结构紧凑、功率密度大、工作压力高、易于变量等优点[1]。但是随着柱塞泵转速的提高,系统会出现油液流量过大或者供油不足现象[2-3]。主泵吸油口压力影响因素很多,不仅需要考虑挖掘机的工作速度、温度、时长等因素,还需考虑挖掘机的工作地点、海拔高度、环境温度等因素。本文以柳工某型挖掘机为例,通过分析其主泵吸油口压力的诸多影响因素,从中识别出在设计阶段可预设的设计因素。(剩余4037字)
登录龙源期刊网
购买文章
液压挖掘机主泵吸油口压力影响因素和优化设计研究
文章价格:4.00元
当前余额:100.00
阅读
您目前是文章会员,阅读数共:0篇
剩余阅读数:0篇
阅读有效期:0001/1/1 0:00:00