矿业装备

矿业装备

2025年09期
  • 收藏
收藏成功
微博 空间 微信
《矿业装备》是由北京卓众出版有限公司主办的大型科技期刊,它是以矿山装备产业链为基础,住手行业协会和专业人士的优势,结合《...     展开

类型

月刊

类别

定价
促销信息
全年订阅更优惠!
¥10.00 ¥4.90
目录

工艺

综放开采工作面顶板裂隙发育特征及瓦斯防治技术研究
摘要:为了探究顶板裂隙发育与瓦斯涌出间的联系,详细分析了覆岩运动、裂隙发育、瓦斯涌出等因素。研究结果表明,定向高位钻孔布置在顶板上方 17~40m 范围内抽采效果较好;2\~3次周期来压后会出现一次明显瓦斯涌出量增加,为正常回采期间的1.5...
白象山铁矿开拓巷道光面爆破技术研究
摘要:为提升白象山铁矿开拓巷道掘进效率及巷道成型效果,以 -470m 中段开拓巷道为研究对象,将光面爆破技术应用于巷道掘进中,分析了其工程应用效果。采用凿岩台车提高炮眼钻进效率,通过光面爆破提高巷道成型效果,并具体给出光面爆破施工参数。该技...
露天矿山边坡安全监测技术探析
摘要:针对某大型钨矿露天开采区边坡安全监测问题,采用“多传感器协同感知 + 大数据智能分析”技术模式,构建了包括视觉形变监测、北斗地表位移监测、压电雨量监测及爆破振动监测的全方位、多层次边坡安全监测体系。研究了矿山边坡智能监测云平台的构建以...
自燃煤层封闭工作面安全启封技术
摘要:为实现自燃煤层封闭工作面安全启封,以11307综采工作面为研究对象,结合现场实际情况分析了工作面启封期间主要难点,有针对性地制定工作面启封技术方案并分析工程应用效果。现场应用后,11307综采工作面启封期间各位置温度、CO浓度等均处在...
切顶卸压技术在沿空掘巷中的应用
摘要:针对坚硬顶板条件下留小煤柱沿空掘巷变形严重问题,以同宝矿15107工作面为研究对象,采用理论计算与数值模拟方法,考察了切顶对留小煤柱沿空掘巷应力分布影响。研究结果表明,15107工作面沿空掘巷煤柱理论宽度为 4.29~4.66m ;采...
高瓦斯综采工作面瓦斯综合治理技术研究
摘要:红阳二矿12030工作面回采期间,频繁出现上隅角瓦斯异常、回风巷瓦斯浓度偏高等情况。为彻底解决该工作面瓦斯问题,减少瓦斯涌出对工作面安全生产的影响,在综合分析瓦斯来源的基础上,红阳二矿通过采用本煤层顺层钻孔进行瓦斯预抽、同时配合上隅角...
亭南煤矿2411运输巷复杂地质条件下支护设计与应用
摘要:针对亭南煤矿2411运输巷复杂地质条件(横跨背斜、向斜轴部,裂隙发育且局部顶板破碎),通过科学设计支护方案,精确计算锚杆锚固力、锚固长度及间排距,采用锚杆与锚索联合支护,配合钢带和网片增强结构整体性。现场应用显示,该方案有效控制围岩变...
煤矿软岩巷道劈裂灌浆加固技术应用
摘要:软岩是煤矿工程施工中的常见复杂地质条件,因其强度低、流变特性显著,易引发坍塌、掉块等安全问题,成为制约施工质量的关键难点。围绕煤矿工程软岩劈裂灌浆加固技术,首先概述该技术的基本原理,即通过高压灌注水泥浆等材料填充软岩裂隙、增强其强度与...
煤层气水平井钻井工艺分析与技术改进
摘要:煤层气作为清洁高效的非常规天然气资源,其高效开发对能源结构优化与环境保护具有重要意义,而水平井钻井技术是实现其高效开采的核心手段。围绕煤层气水平井钻井工艺,重点探讨井身结构设计(需综合地层特性、工程需求等因素以保障煤层封隔与保护)、钻...
矿井深部复合顶板巷道变形分析及支护技术研究
摘要:针对某矿3201轨道顺槽深部复合顶板巷道采煤环境复杂、围岩受力大、巷道支护困难、易发生顶板冒落和围岩大变形等问题。基于3201轨道顺槽实际工况,分析现有支护方式的不足,结合复合顶板巷道的变形破坏特征与桁架锚索支护原理,提出采用双锚索桁...
矿井深部高应力破碎围岩巷道支护技术应用
摘要:针对深部高应力破碎巷道围岩存在围岩受力大,稳定性差,难支护的问题,为有效控制深部高应力巷道围岩变形,以某矿 -975m 水平巷道采煤工况为例,通过进行岩层钻孔窥测与实验室力学实验,研究了巷道顶板岩层结构,岩性以及变形情况,提出基于原锚...
露天煤矿边帮压煤绿色充填开采技术应用
摘要:为提高露天煤矿边帮压煤资源回收率并减少环境影响,以山西某露天煤矿为研究对象,分析边帮压煤形成原因、地质条件,研究绿色充填材料的选择与工艺流程设计。通过实验验证,设计了充填材料制备、注入控制方案,并系统采集分析数据。结果显示,绿色充填开...
15317工作面高位定向长钻孔瓦斯治理技术应用
摘要:针对15#煤层15317工作面瓦斯含量高、回风隅角易出现瓦斯超限的问题,结合矿井瓦斯及 CO2 涌出量情况,运用理论计算与现场实践相结合,提出采用高位定向长钻孔治理瓦斯的策略。基于关键层控制原理,计算得出顶板裂隙带高度约 75m ,据...
综采工作面液压支架快速拆除设备及工艺应用
摘要:针对矿井综采工作面传统液压支架拆除工艺安全性差、机械化水平低、耗时长、效率低等问题,以山西某矿36406综采工作面为背景,对液压支架快速拆除设备及工艺进行研究。该设备主要由液压支架回撤平台、折叠式液压支架回撤车、液压回撤装车机构组成,...
葛泉煤矿132下04综采工作面沿空留巷技术应用
摘要:为回收传统采矿留设的保护煤柱、提高煤炭回收率并缓解采掘接替紧张问题,葛泉煤矿132下04综采工作面运料巷实施沿空留巷技术。回采前采用超前锚索加固(含切顶、加固、帮锚索3种类型)与深部预裂爆破切顶技术;回采后通过单体支柱、十字铰接顶梁、...
大倾角采煤工作面自动化拉架挡矸控制系统的设计与应用
摘要:针对大倾角采煤工作面煤矸滚落易引发安全事故的问题,以12203工作面为研究对象,分析漏矸、片帮的形成机理,设计了自动化拉架挡矸控制系统。该系统整合了自动化视频监测、红外线定位、架前辅助挡矸装置,通过实时监测采煤机与支架位置,自动调控挡...
综采工作面回撤通道施工方案及围岩控制支护技术
摘要:针对8107工作面回撤通道存在围岩稳定性差、通道断面大、施工安全隐患大的问题,为确保8107工作面回撤通道实现安全快速施工,基于8107工作面回撤通道施工情况,通过综合对比分析各个回撤通道施工方案,确定选用采煤机自成巷法进行施工,同时...
煤矿掘进巷道腰线标定技术优化与应用
摘要:煤矿井下掘进施工中多存在腰线标定精度低的问题,其准确性直接关系到巷道掘进的方向控制、坡度保持以及后续开采作业的安全与效率。故此,提出了基于全站仪免棱镜法和三点一线原则的腰线标定方法,并在左云韩家洼煤矿的掘进巷道中进行了实践应用。试验结...
工作面运输巷过断层破碎带围岩控制技术
摘要:针对E2301工作面运输巷过Fw118断层破碎带过程中,存在巷道围岩应力大,变形大,难支护的问题,基于Fw118断层破碎带的基本情况,通过综合应用理论分析法与现场实测法,分析了Fw118断层破碎带巷道围岩结构,探讨了其力学特征,提出了...
无反复支撑巷道快速掘进方案设计
摘要:针对传统巷道掘进反复支撑施工难度大、掘进效率低、安全隐患高等问题,无反复支撑巷道掘进技术应运而生,成为提升巷道掘进效率、保障施工安全的重要途径。在开展无反复支撑巷道快速掘进方案设计研究基础上,设计了包含无反复支撑专用掘进机、超前支护装...
复杂地质条件下安全过导水断层注浆加固方案研究
摘要:某煤矿101201工作面存在一个大型导水断层,在开采作业过程中存在着极大的突水隐患,为了提高井下工作面过导水断层的作业安全性,综合采用井下巷道掘进揭露、钻井勘探等方法确定该大型导水断层处的断层特征。提出了“双巷提前注浆 + 工作面关键...
基于低负碳减排的煤层气复合射孔压裂工艺研究
摘要:本研究围绕低负碳减排目标,针对某盆地南缘煤层气开发案例,提出了煤层气开发的复合射孔压裂工艺,结合高效射孔设计、优化压裂液体系及绿色施工技术,进而提升储层改造效果和气体采收率。研究结果表明:优化工艺可将单井日均产量提升 36% ,碳排放...

管理

煤矿井下防爆电气设备的检查维护及安全性能评价
摘要:针对煤矿井下电气设备防爆安全这一关键问题,提出了一系列解决方案。明确了目前煤矿井下电气设备主要的防爆途径和方法,以提升设备本质安全水平。强调严格把控防爆电气设备产品质量,确保设备在复杂环境下稳定运行。同时,提出严格控制矿井工作环境,减...
山西天地王坡煤业智能化矿井建设探究
摘要:为进一步探究煤矿矿井生产效率的提升路径,以山西天地王坡煤业有限公司煤矿矿井开采工作为研究对象,探索基于智能化改造的矿井建设路径。参考国内外大型煤矿企业的经验,结合自身实际情况,在参考B/S 架构的基础上,建立了智能化矿井一体化信息平台...
基于AI技术的矿井视频智能分析系统设计
摘要:针对煤矿生产环境安全生产隐患大、矿工不安全行为难发现、难取证以及难及时解决的问题,基于原视频监视系统与AI技术,设计了一种矿井视频图像分析系统,包括硬件部分及软件部分,并进行了应用测试。结果表明,通过应用AI技术创建视频中异常行为的模...
矿山智能化监察平台构建与应用研究
摘要:随着全球矿山行业的快速发展,传统矿山监管方式难以有效应对复杂多变的矿山安全挑战。通过研究矿山智能化监察平台的构建原理、关键技术及其在矿山监管监察中的应用效果,提出了一套完整的矿山安全生产监管体系,实时监测矿山的生产状态。研究结果表明,...
基于物联网技术的煤矿机电设备智能监测研究
摘要:随着煤矿开采规模的扩大和机械化程度的提高,煤矿机电设备的安全稳定运行至关重要。深入研究了基于物联网技术的煤矿机电设备智能监测系统,闸述了系统的架构、关键技术,包括传感器技术、数据传输技术、数据处理与分析技术等,探讨了其在煤矿机电设备故...
煤矿通风系统智能化改造研究
摘要:针对某矿现用通风系统存在的自动化、智能化水平低,耗费人员多,通风效率低,应对突发灾变的能力差等不足,基于该矿井通风系统应用现状,结合其存在的不足,通过应用物联网技术、AI技术、大数据分析技术以及可编程逻辑控制器(PLC)等,构建了一套...
岳城煤矿绿色循环低碳发展模式研究
摘要:共建循环经济和低碳经济的发展模式既是生产方式转变的战略性抉择,也是实现我国“双碳”目标的必由之路。岳城煤矿通过锚网索喷 + 壁后注浆支护技术优化,实现了巷道支护由被动支护向主动支护的思想转变,取得了材料费用大幅节约的效果;采用数值模拟...
基于5G网络的综采工作面人机生态协作模式应用研究
摘要:针对矿井综采工作面地质工况复杂、动态信息监测响应不及时、安全生产隐患大的问题,为更好地保障矿井综采工作面安全生产,基于5G网络通信技术,研究了综采工作面人机生态协作模式,重点对液压支架与采煤机协同作业、巡检机器人与视频拼接协同作业模式...
论煤矿监控对于瓦斯安全的重要作用
摘要:随着煤矿开采深度的增加,瓦斯安全问题日益凸显。基于物联网技术的煤矿安全监控系统在提升煤矿安全管理水平、降低瓦斯事故发生率方面发挥着重要作用。通过分析煤矿监控系统的组成、关键技术及其在瓦斯安全监控中的应用效果,探讨了基于物联网技术的煤矿...
浅析煤矿企业如何通过加强班组安全网络体系建设创建本质安全型矿井
摘要:安全是煤炭行业永恒的主题,没有安全,一切工作都无从谈起。班组是矿井最基本的作业单位,是最基层的劳动和管理组织,班组安全管理是矿井安全管理的基础及核心。因此,提高防控能力,着力防范化解重大风险,抓好矿井安全生产必须首先抓好班组安全管理。...
采矿安全技术与事故预防措施的研究
摘要:通过文献分析法分析了当前VCR掏槽技术、炮孔防冲技术以及安全破顶爆破技术等采矿安全技术。 在此基础上,结合企业实际情况提出了增强安全意识、完善管理方法、落实行业标准、制定管理制度、加大监 督力度和提升应急处置能力等采矿安全事故预...
煤矿智能化综采工作面关键技术及应用实践
摘要:为实现综采工作面的智能化,解决当前矿井采掘装备技术落后、资源采出率低等突出问题。以煤矿综采工作面为工程背景,对综采工作面的自动化控制技术进行研究,重点对工作面液压支架电液控制、采煤机自动化控制、运输系统集中控制、视频监控系统等进行研究...

装备

一种机器人导航通讯设备的优化设计
摘要:机器人导航通讯设备适用于各种场合,尤其是一些危险、复杂的场景,如矿业、物流运输、公共安全、农业、医疗护理、电力巡查和餐饮服务等。现有技术多利用摄像头在导航中对路况进行监测或者记录,摄像头的镜头常常被雨水、灰尘和泥土覆盖,需要人工多次养...
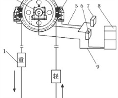
煤矿提升机应急提升策略研究
摘要:针对矿井提升作业中停电、电动机故障等突发情况,提升机出现无法正常作业的问题,提出了提升机无动力重力下放与外动力辅助提升两种应急提升方法,具体介绍了这两种提升方法的工作原理、所需用到的主要设备及主要适用情况,分析了它们各自的优缺点,并重...
临时支护用单体液压支柱故障维修研究
摘要:单体液压支柱是矿山巷道临时支护中的关键设备,其故障的及时维修直接关系到作业安全性和施工效率。针对单体液压支柱的常见故障进行分类,分析故障产生的原因,提出相应的维修技术及优化措施,并结合实际案例进行验证。研究结果可为矿山安全生产提供参考...
一种新型胶带机原理及安装应用技术研究
摘要:煤矿带式输送机的驱动、卸载等集中受力位置一般需要做水泥基础,并通过地锚螺栓紧固的方式实现受力点的固定。这种安装方式施工周期长,工程量大,凝固期近一个月,安装后拆除带式输送机也比较困难,对煤矿采掘工作面的安装回撤及生产接续带来很大困难。...
刮板输送机链轮结构的仿真分析及结构优化研究
摘要:利用有限元方法,以SGB/420/40T型刮板输送机的链轮结构为对象进行分析。对刮板输送机以及链轮的基本情况进行概述,利用ABAQUS软件建立了链轮及圆环链的模拟仿真模型,分析发现链窝区域出现了明显的应力集中现象,链轮受力呈现出周期性...
矿井排水系统中PLC控制器的双回路供电自动切换装置设计
摘要:针对矿井自动排水系统所用的变频PLC控制器需长期连续供电,而PLC现用的UPS电源供电存在寿命短、易失效、时常需进行人工巡检维护的问题,为更好地保障PLC实现实时连续供电,设计了一种PLC变频控制器的双回路供电自动切换装置。介绍了该装...
关于采煤机牵引机构的优化设计与应用研究
摘要:在对 EML340连续采煤机及其牵引机构进行简要概述的基础上,利用UG和ANSYS/workbench软件构建了牵引机构的静力学有限元模型。分析发现,行走轮轮齿表面最大接触应力达到 790.92MPa ,使得机械结构安全系数只有1.3...
皮带机启动过程中软启动与变频器启动的选择探讨
摘要:为选出更科学更合理的皮带机启动方式,基于皮带机启动过程现存的问题与相关技术要求,重点对皮带机软启动与变频启动的性能、调速原理以及主要启动参数进行了分析,结合具体的皮带机启动案例,通过应用图表分析法与现场测试数据法,对两种启动方式的主要...
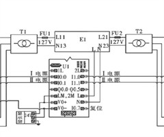
煤矿安全监控系统自动检测装置设计
摘要:为提升煤矿安全监控系统检测效率和检测精度,设计了基于STM32控制器的煤矿安全监控系统检测装置。该装置通过UART通信模式接收多台传感器发送的信号并进行识别计算,精确检测断电时间。详细闸述了该自动检测装置的软硬件设计并完成试验分析。分...
大断面智能化快速掘进系统的建设与应用研究
摘要:针对虎龙沟煤业大断面巷道掘进效率低、采掘衔接不畅等问题,提出一种基于智能化快速掘进系统的创新解决方案。系统集成了掘支一体化与多机协同控制技术,通过自动化设备实现精准定位、自动导向及自适应截割控制,有效提升了掘进速度和支护质量。实际应用...
矿用摩擦式提升机防过卷保护钢丝绳应力分布研究
摘要:针对矿井提升机在进行提升作业时时常会出现过卷与过放现象易造成钢丝绳内部应力瞬间集中,引发断绳的问题,对此应用了一种防过卷保护装置,为进一步了解提升机防过卷保护作业中钢丝绳的应力分布情况,分析了提升机提升作业中钢丝绳的应力分布,基于 6...
矿用掘进装备液压系统智能化改进研究
摘要:针对矿用掘进装备自动化智能化发展需求现状,为适应掘进装备液压系统的智能化发展,对掘进装备液压系统进行了智能化改进,重点改进了掘进装备的电液控制系统,液压参数的检测,探讨了传感器的选型以及安装等关键技术,并进行了工程应用试验。试验结果表...
矿山物料面模型重建与质量评估技术研究
摘要:随着科技的发展,智慧矿山的建设成为矿业发展的重要趋势;同时,三维激光扫描技术的发展使得获取矿山物料面点云数据变得更加容易,为矿山的数字化和智能化提供了基础数据支持。三维曲面模型重建技术能够将这些通过扫描获取的散乱点云数据转换为直观的三...
矿用横轴式掘进截割设备内喷雾技术
摘要:针对横轴式掘进截割设备喷雾系统运行稳定性差、喷雾系统易出现泄漏、影响传动系统的稳定运行的问题,为有效解决上述问题,基于掘进设备截割内喷雾需求,设计了一种外置式内喷雾结构,实现了内喷雾的油水分离,重点对影响内喷雾系统运行稳定性及可靠性的...
悬臂式掘进机的掘锚护一体机改造设计技术
摘要:为进一步探究煤矿掘进与支护效率和质量的提升路径问题,基于掘锚护一体机改造的优化理念,以煤矿常用的三一260A型悬臂式掘进机为研究对象加以展开。首先结合实际需要对整体方案和参数进行设计,然后从悬臂、锚杆机和掘进设备等多个角度入手,详细地...
综采工作面采煤机电缆自动拖拽系统设计与应用
摘要:在煤矿井下实际生产过程中,采煤机电缆在跟随采煤机移动时,易发生多层折叠、脱槽以及磨损,为降低电缆故障,提出了额定功率为 15kW 、最大拖拽长度为 200m 、可适配最快采煤速度 30m/min 的采煤机电缆自动拖拽系统方案,系统采用...
井下长距离带式输送机线摩擦驱动增压装置的设计
摘要:针对长距离带式输送机在满载时存在易过度磨损输送带的问题,而在少载以及空载时又存在耗能高的问题,为促进长距离带式输送机实现节能增效,基于长距离带式输送机的主要结构,通过分析其凹弧段以及凸弧段的主要运行特点,提出了可通过带边增压来提升带式...
相关杂志
订阅全年后,您可享受以下权益
①该本杂志即日起至未来1年内所有更新电子版杂志的使用权限;
②赠送该杂志的部分往期的杂志的使用权限,有效期1年。

全年订购价格: ¥58.80

订阅全年
--%>

登录龙源期刊网

温馨提示:

1.点击网站右上角的“充值”按钮可以为您的账号充值

2.充值金额可以选择30,50,100或500元

3.充值成功后即可购买网站上的任意杂志或文章

还没有龙源账户? 立即注册

购买杂志

矿业装备

杂志价格:¥4.90元

  • 微信扫码支付
  • 当前余额:100.00

购买杂志

矿业装备

杂志价格:¥4.90元

  • 微信扫码支付
  • 当前余额:¥100.00

    去充值
monitor
客服机器人