矿业装备

矿业装备

2025年08期
  • 收藏
收藏成功
微博 空间 微信
《矿业装备》是由北京卓众出版有限公司主办的大型科技期刊,它是以矿山装备产业链为基础,住手行业协会和专业人士的优势,结合《...     展开

类型

月刊

类别

定价
促销信息
全年订阅更优惠!
¥10.00 ¥4.90
目录

工艺

露天采矿机在铝土矿开采中的选型研究
摘要:针对铝土矿多孔性、易团聚等特性对采矿机的特殊要求,开展露天采矿机选型研究。通过分析矿石特性、产量需求、地质条件等关键因素,建立设备配置原则(如功率匹配、自卸汽车配套计算),并对比间断式、连续式、半连续式3种开采工艺的经济性。以几内亚露...
矿用带式输送机变频控制技术研究与应用
摘要:带式输送机是煤矿运输系统的核心设备,传统控制方式以恒转速运行为主,存在运行效率低、能耗大的问题,即使轻载或空载仍以额定带速运行,增加企业成本。虽部分配备大功率变频器,但仅用于软起动,无法实现带速与运量实时匹配。分析带式输送机能耗影响因...
普煤沁秀龙湾能源东翼回风巷揭3号煤层防突设计
摘要:为保障晋煤沁秀煤矿东翼回风巷揭3号煤层的安全,基于该区域煤层赋存与瓦斯地质情况,制定针对性的防突方案。首先介绍东翼回风巷的工程背景,包括其位置、高程、用途及3号煤层的厚度分布、顶底板岩性等特征;其次分析3号煤层的瓦斯参数,确定其原始瓦...
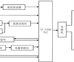
煤矿主通风机在线监测与故障诊断系统设计
摘要:针对煤矿主通风机传统人工监测存在反应滞后、准确性不足的问题,设计了一套集成传感器网络、可编程逻辑控制器(programmable logic controler,PLC)控制技术与智能分析算法的在线监测与故障诊断系统。该系统通过传感器...
煤矿掘支锚连续平行作业支护机理及工艺优化
摘要:聚焦煤矿掘支锚连续平行作业的支护机理及工艺,以应对煤炭需求增长与能源市场变化带来的挑战。以漳村煤矿西下山回风巷及2206运巷为研究对象,通过沿顶板和底板掘进的技术试验与数值模拟,分析锚杆与锚索预应力对围岩应力场的影响,设计出树脂加长锚...
皮带机皮带跑偏自动监测系统的设计及应用
摘要:针对皮带机传统纠偏方法存在所需设备设施多,纠偏效果差,成本投入大等不足,基于皮带机纠偏技术发展应用现状,分析现有传统纠偏方法的不足,设计了一种皮带机皮带跑偏自动监测系统,该系统通过为皮带机装设固定轨道,以巡视机器人为监测核心,达到改善...
采煤机永磁驱动变频技术的节能改造及应用效果研究
摘要:针对传统采煤机电机能耗高、作业效率低、维护困难等问题,提出采用永磁驱动变频电机替代传统传动驱动电机的改造方案,重点研究永磁驱动变频软启动降耗技术。通过分析永磁驱动电机的变频转速调节机制及软启动器设计,明确其通过直接驱动、变频控制实现低...
胶轮式定向钻机在矿井探放水钻孔施工中的应用
摘要:为解决传统矿井探放水钻机施工速度慢、搬迁困难、劳动强度大及钻孔精度不足等问题,以山西某矿42号煤层为试验区域,研发了ZDY3500JD型胶轮式定向钻机,并开展现场应用测试。该钻机采用胶轮底盘设计,集成防爆控制系统、泥浆泵单元及随钻测量...
高位定向长钻孔瓦斯抽采技术应用研究
摘要:针对101采区采煤作业中采场及上隅角瓦斯涌出量大、威胁安全生产的问题,基于该采区采煤工况与瓦斯涌出情况,提出应用ZYWL-6000DS型定向钻机施工高位定向钻孔进行瓦斯抽采的治理策略。结合“O”形圈原理优化高位钻孔布设高度,设置3组主...
煤矿带式输送机巡检设备无线充电功能优化
摘要:针对煤矿带式输送机智能巡检设备的无线充电需求,结合井下恶劣环境(电磁干扰强、电磁波传输受限),提出基于磁耦合谐振式无线传输技术的优化方案。通过设计磁耦合机构(含线圈形状、半径、匝数优化)、构建自适应参数调整模型及添加铁氧体磁芯屏蔽结构...
万杰煤业2-108运输巷快速掘进技术研究及应用
摘要:针对万杰煤业面临的采掘接替紧张问题,提出“增大巷道掘进循环步距 + 多工序平行作业”方案提升巷道掘进效率。采用理论分析及数值模拟方法,确定出合理循环步距为 2.4m ,并优化了巷道掘进工序。2-108运输巷现场试验结果表明,巷道掘进效...
矿井破碎顶板巷道围岩支护技术研究
摘要:随着矿井开采深度的增大,巷道围岩应力升高,5110运输巷原有“锚网索 + 梯子梁”支护方案,难以有效控制围岩变形,出现巷道顶板严重破碎问题。为有效解决上述问题,基于5110运输巷工程地质概况,分析了“锚网索 + 梯子梁”支护方案的不足...
侯村煤矿下分层工作面沿空留巷技术应用研究
摘要:以侯村煤矿3605轨道顺槽留巷支护为工程背景,采用实地勘测、理论计算、工程类比等方法,开展了厚煤层分层开采下分层工作面沿空留巷支护技术研究。对巷道顶板岩层结构进行分析,建立了巷旁支护墙压力计算模型,有针对性地设计了合理的巷旁充填墙体、...
玉溪煤矿快速掘进底抽巷支护参数设计及应用研究
摘要:为保障玉溪煤矿3#煤层底抽巷在生产服务期间的安全稳定,通过实验测试、理论计算、仿真模拟等手段,研究了底抽巷围岩的分布情况及力学性质,基于理论计算结果进行支护参数设计,借助计算机仿真模拟软件分析围岩控制效果。现场工程应用阶段开展矿压监测...
大型逆冲断层影响下冲击地压高风险工作面防治技术
摘要:义马耿村煤矿13200综放工作面位于矿井13采区深部,工作面最大埋深 700m ,受上覆巨厚砾岩、两侧采空、 F16 逆冲断层推覆带强构造应力因素影响,经综合分析判定回采期间工作面具有中等冲击危险。通过采用“六位一体”综合防治措施,国...
薄煤层采煤工作面充填留巷及巷道增强支护研究
摘要:针对山西某矿73035薄煤层采煤工作面,掘进效率低,采掘接替紧张,巷道变形严重,安全生产隐患大等问题,为减少该工作面矸石产出量并提升掘进效率,基于工作面采掘工况,采用充填留巷技术提高掘进效率,破碎井下矸石并掺加一定比例水泥、沙子及添加...
矿井压风机热能回收系统设计研究
摘要:为进一步探究煤矿矿井压风机散失热量的回收应用问题,结合某煤矿矿井离心式压风机运行现状,提出了一种面向煤矿矿井离心式压风机热能回收应用系统,并对该系统的整体架构和主要功能模块进行了分析计算和设计。从该系统运行效益指标来看,该系统在理论上...
王坡煤矿大埋深综放工作面复用巷道矿压控制技术
摘要:王坡煤矿3#煤层综放工作面复用巷道在3215工作面开采期间表现出强烈的矿压显现,巷道围岩变形量过大、支护结构失效无法满足巷道复用的要求,为有效控制围岩的失稳变形,决定采用水力压裂切顶卸压+ 注浆加固的方式对其进行支护,依据工作面实际情...
大倾角煤层沿空留巷围岩稳定性分析及支护设计
摘要:针对某矿10-208大倾角工作面沿空留巷期间支护体支护失效现象严重,巷道围岩变形量大,存在严重威胁工作面安全生产的问题,为有效控制大倾角煤层沿空留巷期间巷道围岩变形,基于大倾角煤层开采过程中的上覆岩层运动规律及空间结构演化情况,为大倾...
矿井孤岛工作面回采巷道围岩支护方案优化研究
摘要:针对3206孤岛工作面在回采作业中,受多次采动影响回采巷道部分支护失效,巷道围岩变形严重,存在严重威胁工作面安全生产的问题,为有效解决上述问题,基于3206工作面回采工程概况,介绍了3206回风巷原支护方案,指出了其存在的主要问题,通...
露天煤矿边坡稳定性评价与加固技术
摘要:随着露天煤矿开采规模的不断扩大,边坡稳定性问题日益突出,成为影响露天煤矿安全生产的重要威胁。基于露天煤矿边坡稳定性的现状,对边坡稳定性的评价方法和加固技术进行了详细探讨。通过理论与实践相结合的方法,总结了影响露天煤矿边坡稳定性的主要因...
矿井排水系统智能监控关键技术
摘要:为促进矿井排水系统实现安全高效经济运行,设计了一种矿井排水系统智能监控系统,介绍了系统主要结构,重点研究了监控系统的避峰就谷技术、水泵自动轮换技术、智能故障诊断技术、无人值守技术以及多模式控制技术等关键技术,并对这些技术进行了应用测试...
沿空留巷定向高位长钻孔采空区瓦斯治理技术
摘要:为有效治理2207工作面采空区瓦斯,基于2207工作面瓦斯含量情况及顶底板岩性情况,分析了其瓦斯主要来源,通过对比分析定向钻机比普通钻机在应用中存在的主要优势,提出了可采用定向高位长钻孔来抽采2207工作面采空区瓦斯的策略,设计了具体...
应力叠加区回采巷道围岩破碎机理分析及支护技术
摘要:针对8306采煤工作面回采作业中,回采巷道由于受到应力叠加作用的影响,出现了巷道围岩变形破坏严重巷道难支护,工作面安全回采隐患大的问题,为有效解决上述问题,基于8306工作面回采现状,分析了影响巷道稳定性的因素,结合巷道围岩破碎机理,...

管理

综采放顶煤工作面智能化系统应用及分析
摘要:为促进综采放顶煤工作面实现高产高效,研究了综采放顶煤工作面智能化系统,基于综放工作面采用智能化系统实现的各项功能及重要意义,讨论了智能化系统需要用到的关键技术,分析了影响智能化系统应用的各项因素,并提出了提升智能化系统可靠性的策略,以...
露天煤矿浅层地下水帷幕施工技术应用研究
摘要:随着露天煤矿开采规模的不断扩大,地下水处理成为影响煤矿安全生产和生态环境保护的重要问题。为解决露天煤矿矿坑疏排水量大、生产成本高、环保风险大等问题,研究了浅层地下水帷幕施工技术在露天煤矿中的应用。通过采用构筑地下混凝土防渗墙、防渗膜大...
开采近距离煤层回采巷道围岩控制技术
摘要:针对回采上覆5号煤层致使下部6303工作面回风巷出现了部分锚杆/锚索端头锚固失效,围岩裂隙发育,围岩稳定性差、安全生产隐患大的问题,为有效控制6303工作面回风巷围岩变形,基于6303工作面开采工况及支护现状,分析了当前支护现存的问题...
矿山水源井节能项目的研究与应用
摘要:矿山企业水源井主要负责为工业生产用水,供水管连接企业生产区的高位水池,通过高位水池向各生产车间进行供水。水源井主要生产设备有加压泵、潜水泵、变压器、电动机。这些设备为主要耗能设备,为推广高效低耗设备的应用,重点研究主要设备运行状况,根...
深部巷道交叉点围岩变形特征及支护技术研究
摘要:针对古城煤矿S2303辅顺和南翼辅运大巷丁字交叉处围岩的严重变形,采用现场观测、数值模拟和现场工业性试验相结合的方法,旨在全面揭示交叉点变形破坏特征,并提出有效的控制技术。结果表明,交叉点围岩变形的主要原因是巷道埋深大、巷道交叉分布产...
锦程煤业2201工作面涌水量预测及治理技术应用
摘要:为避免2201工作面发生突水事故,采用理论分析、数值模拟、瞬变电磁勘探等手段,研究采场顶板塑性破坏规律,确定导水裂隙带发育高度,预测工作面涌水量,设计顶板探放水及排水系统布置方案。结果表明,2201工作面导水裂隙带发育高度为 81m ...
沿空留巷技术在薄煤层开采中的应用
摘要:随着现代煤矿开采行业的稳定发展,优质资源已逐渐枯竭,为保证矿井可持续发展和减少煤炭资源浪费,对薄煤层开采工作的落实提出新的要求,回采中不仅需要综合考虑薄煤层开采的效率问题和质量问题,还要对开采技术进行合理把控。沿空留巷工艺的有效应用,...
渣浆泵用机械密封性能稳定性的分析与改进
摘要:针对有色金属冶金行业高温预热器给料泵用密封在使用中存在的问题,提出了基于理论计算和现场使用经验的高温预热器给料泵用密封的几点技术改进。与原机械密封相比,改进后的机械密封在使用寿命及稳定性方面有了大幅提高,减少了现场非计划性停车,在满足...
煤层群开采首采工作面瓦斯治理技术研究
摘要:为解决突出煤层群首采工作面瓦斯治理难度大的问题,以3201采煤工作面为研究对象,针对性给出区域消突、工作面瓦斯预抽技术方案并分析工程应用效果。根据回采的3#煤层赋存情况,采用顶板专用瓦斯抽采巷 + 穿层钻孔进行区域消突,确保回采巷道掘...
10701综采工作面采用高分子材料事故分析
摘要:煤矿井下综采工作面遇煤层赋存变化,采用高分子材料充填加固技术已日趋成熟,但是近年来仍有次生灾害事故发生。结合高分子材料的性能缺陷、充填加固地点的特殊性,深入分析了事故发生的原因,提出了预防类似事故发生的防范措施,为综采工作面高分子材料...
辉绿岩开采过程中的环境影响评估与可持续发展策略
摘要:辉绿岩矿区开采期间的环境影响评价与持续发展方案分析了采矿行为对生态环境具体影响,制定了详细执行方案,研究集中于土壤荒漠化、水质恶化及自然环境损害等多个重要问题,细致评估了开采行为导致的不良后果。探究了环境治理与减缓措施,探索达成资源有...
煤矿“五量”智能化管控平台建设
摘要:煤矿“三量”管理仍然采用传统管理模式和管理手段,需要提升信息化和智能化水平。创新性提出基于原“三量”及瓦斯抽采煤量、防治水煤量的新“五量”管理模式,对采掘接续情况进行管理,以构建云GIS的煤矿“五量”动态管理及监测预警平台,建立数据传...
钻孔轨迹全数据监控系统设计及应用分析
摘要:针对回转钻进长距离钻孔存在难控制钻孔轨迹,钻孔易出现偏斜的问题,设计了一种钻孔轨迹全数据监控系统,介绍了系统的组成,分析了各关键组成部分的技术特性与适用性,探讨了钻孔轨迹设计原则,分析了钻孔轨迹全数据监控系统的具体作业流程,结合具体的...

装备

矿井综采工作面通风安全智能监控系统应用研究
摘要:针对某矿通风系统存在故障率高、能耗大,通风状态调节速度慢,安全生产隐患大的问题,为更好地保障矿井综采工作面安全高效通风,基于该矿通风系统运行工况,设计了一种通风安全智能监控系统,通过智能监控能进一步了解通风机运行状态并进行故障预警;通...
煤矿辅助运输机械安全运行管理策略分析
摘要:煤矿辅助运输机械在煤矿生产中发挥着重要作用,其安全运行直接影响矿井整体生产效率和安全水平。结合煤矿辅助运输机械的实际运行情况,分析了安全运行过程中存在的主要问题,提出了相应的管理策略,以提高煤矿辅助运输机械的安全性和可靠性,保障煤矿作...
5G技术在煤矿智能化中的运用研究
摘要:5G技术在煤矿智能化中的运用研究,聚焦于通过其超高速率、低时延、大数据互联互通等特性,全面提升煤矿生产效率与安全性。利用5G实现井下设备的远程操控与自动化作业,减少人工干预,提高生产效率;通过实时监控井下环境参数与人员位置,增强安全管...
煤矿“五量” 动态计算及监测预警方法
摘要:煤矿“三量”信息化、智能化管理效率低、精度差,仍以手工报送为主,煤矿集团公司无法及时掌握三量的真实变化情况。基于煤矿“五量”概念的提出,重点阐述了新增防治水煤量、瓦斯抽采达标煤量的动态计算和监测预警方法,其计算是两个独立的过程,不依托...
基于物联网体系的智能矿山系统分析
摘要:随着科技的迅猛发展,智能化技术在各个行业中逐渐靳露头角。智能矿山系统作为现代矿业发展的重要组成部分,重要性愈发凸显。介绍了一种基于庞大的物联网体系,采用数据联动技术对高可用、多节点、自动备份、自愈等功能模块进行部署,能够满足全天候安全...
煤层倾角变化对采煤工艺选择的影响 及应对策略
摘要:煤层倾角是指煤层与水平面之间的夹角,它是影响煤矿开采工艺选择的重要地质因素之一。煤层倾角的变化直接影响着采煤方法、设备选择、生产效率、安全条件以及经济效益。旨在探讨煤层倾角变化对采煤工艺选择的影响,提出相应的应对策略。煤层倾角的变化对...
大断面硬岩巷道智能化掘进系统设计及应用分析
摘要:针对某矿大断面硬岩巷道掘进作业存在掘进效率低、智能化水平低、安全生产隐患大的问题,基于该巷道的工程地质概况,设计了智能化掘进系统,创建以掘锚一体机为主,综合应用自动化智能化技术将自移机尾、带式输送机以及工程面除尘系统相融合的智能综合一...
马庄铁矿隐蔽致灾因素分析与风险评价研究
摘要:矿山隐蔽致灾因素普查是提升企业风险管控水平、预防和降低安全事故发生的重要途径。以马庄铁矿为例,基于现有的勘探、基建、开采、监测等资料,采取现场调查、资料查询、实地踏勘、综合分析等方法,对采空区、地质构造、水源与通道、地压、火区/高温异...
提高黄金矿山机械化装备水平的方向和原则
摘要:随着现代黄金矿山开采要求的提高,机械化装备的应用迎来靳新局面,如何立足矿山生产现实需求,提高机械化装备水平,备受业内关注。为有效提高黄金矿山机械化装备水平,在介绍黄金矿山机械化装备现状和矿山机械化装备方向和原则的基础上,论述了黄金矿山...
煤矿智能化建设中5G通信技术的应用
摘要:在煤矿智能化建设中,5G通信技术正发挥着举足轻重的作用。借助其高速率、低时延、大数据的特性,5G网络已深度融入煤矿生产的各个环节,实现了井下与地面的实时通信与高清视频监控,为远程操控、无人驾驶等先进技术的应用打下了坚实基础。5G技术可...
基于智能化建设过程的矿山应对策略
摘要:湖北神农磷业科技股份有限公司寨湾磷矿(简称“寨湾磷矿”),依据《关于加强非煤矿山安全生产工作的指导意见》(矿安〔2022]4号)和《金属非金属地下矿山监测监控系统建设规范》(AQ2031)等规范要求,需要建设一套完善的安全监测监控系统...
陕西省非煤矿山“四化”建设路径探索与实践研究
摘要:探讨陕西省非煤矿山“机械化、自动化、信息化、智能化”(简称“四化”)建设的路径与实践经验。通过分析陕西省非煤矿山的现状、存在的问题以及“四化”建设的必要性,结合具体政策与实施方案,总结陕西省在推进非煤矿山“四化”建设过程中的关键措施、...
贵州省纳雍县比德向斜中深部煤层气资源找矿前景分析
摘要:为评价贵州省纳雍县比德向斜中深部煤层气资源潜力,基于区域地质调查资料、B1302参数井及周边煤矿勘探测试数据,采用地质统计分析、煤岩学测试及储层评价等方法,系统研究了该区煤层展布特征及煤层气成藏条件。研究结果揭示,区内主要可采煤层(6...
纤差动保护技术在矿井供配电网防越级跳闸中的应用
摘要:为增强矿井供配电网络运行的稳定性和高效性,科学应对越级跳闸等情况发生。文章运用系统思维,以纤差动保护技术为切入点,运用文献资料研究法、案例分析法等方法路径,从多个维度出发,全面概括矿井供配电网越级跳闸原因,厘清纤差动保护技术的底层逻辑...
相关杂志
订阅全年后,您可享受以下权益
①该本杂志即日起至未来1年内所有更新电子版杂志的使用权限;
②赠送该杂志的部分往期的杂志的使用权限,有效期1年。

全年订购价格: ¥58.80

订阅全年
--%>

登录龙源期刊网

温馨提示:

1.点击网站右上角的“充值”按钮可以为您的账号充值

2.充值金额可以选择30,50,100或500元

3.充值成功后即可购买网站上的任意杂志或文章

还没有龙源账户? 立即注册

购买杂志

矿业装备

杂志价格:¥4.90元

  • 微信扫码支付
  • 当前余额:100.00

购买杂志

矿业装备

杂志价格:¥4.90元

  • 微信扫码支付
  • 当前余额:¥100.00

    去充值
monitor
客服机器人