注册帐号丨忘记密码?
1.点击网站首页右上角的“充值”按钮可以为您的帐号充值
2.可选择不同档位的充值金额,充值后按篇按本计费
3.充值成功后即可购买网站上的任意文章或杂志的电子版
4.购买后文章、杂志可在个人中心的订阅/零买找到
5.登陆后可阅读免费专区的精彩内容
打开文本图片集
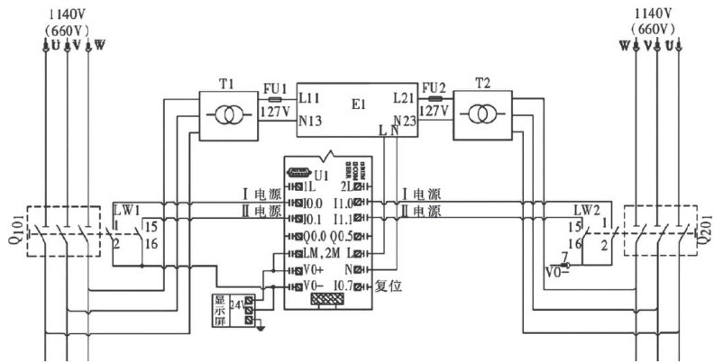
0引言
随着近些年我国采矿业各项技术的快速发展,采矿过程中的各个环节智能化程度不断提升。以井下排水为例,已经通过使用现代化的信息技术和智能化技术相结合的方式实现了并下自动排水。现阶段设计使用的井下自动排水系统主要以PLC为基础,通过传感器等方式获取相关参数,由设定好的程序对排水作业进行控制。
为了适应不同的排水需求,近些年专家学者针对以PLC为基础的自动排水系统进行了优化研究。(剩余3295字)
登录龙源期刊网
购买文章
矿井排水系统中PLC控制器的双回路供电自动切换装置设计
文章价格:4.00元
当前余额:100.00
阅读
您目前是文章会员,阅读数共:0篇
剩余阅读数:0篇
阅读有效期:0001-1-1 0:00:00