注册帐号丨忘记密码?
1.点击网站首页右上角的“充值”按钮可以为您的帐号充值
2.可选择不同档位的充值金额,充值后按篇按本计费
3.充值成功后即可购买网站上的任意文章或杂志的电子版
4.购买后文章、杂志可在个人中心的订阅/零买找到
5.登陆后可阅读免费专区的精彩内容
打开文本图片集
【中图分类号】 U417.1+2
【文献标志码】 B
0 引言
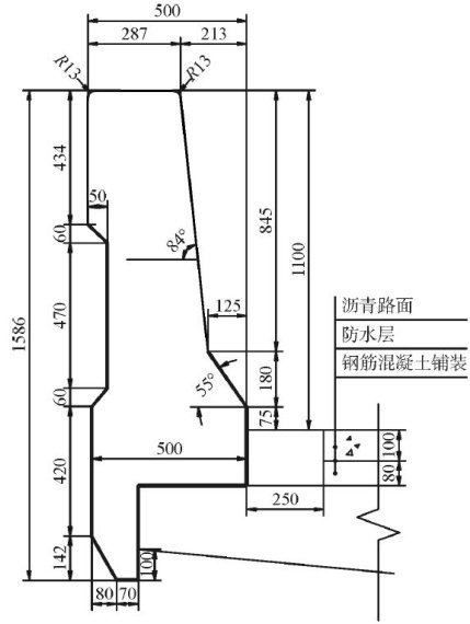
城市高架快速路工程的防撞护栏,在桥梁验收和后期运行过程中,防撞护栏是现浇混凝土质量评定最直观的部位。防撞护栏有其相应的特点,除其本身需满足的最基本的功能要求以外,还需承担高架路灯、智慧监测、景观等工程的相关管线的配置要求,往往在防撞护栏中需预埋较多数量的管线,而一般防撞护栏结构本身厚度较薄,给防撞护栏施工又增加了一定难度。(剩余3500字)
登录龙源期刊网
购买文章
高架防撞护栏施工质量控制要点分析
文章价格:4.00元
当前余额:100.00
阅读
您目前是文章会员,阅读数共:0篇
剩余阅读数:0篇
阅读有效期:0001-1-1 0:00:00