注册帐号丨忘记密码?
1.点击网站首页右上角的“充值”按钮可以为您的帐号充值
2.可选择不同档位的充值金额,充值后按篇按本计费
3.充值成功后即可购买网站上的任意文章或杂志的电子版
4.购买后文章、杂志可在个人中心的订阅/零买找到
5.登陆后可阅读免费专区的精彩内容
打开文本图片集
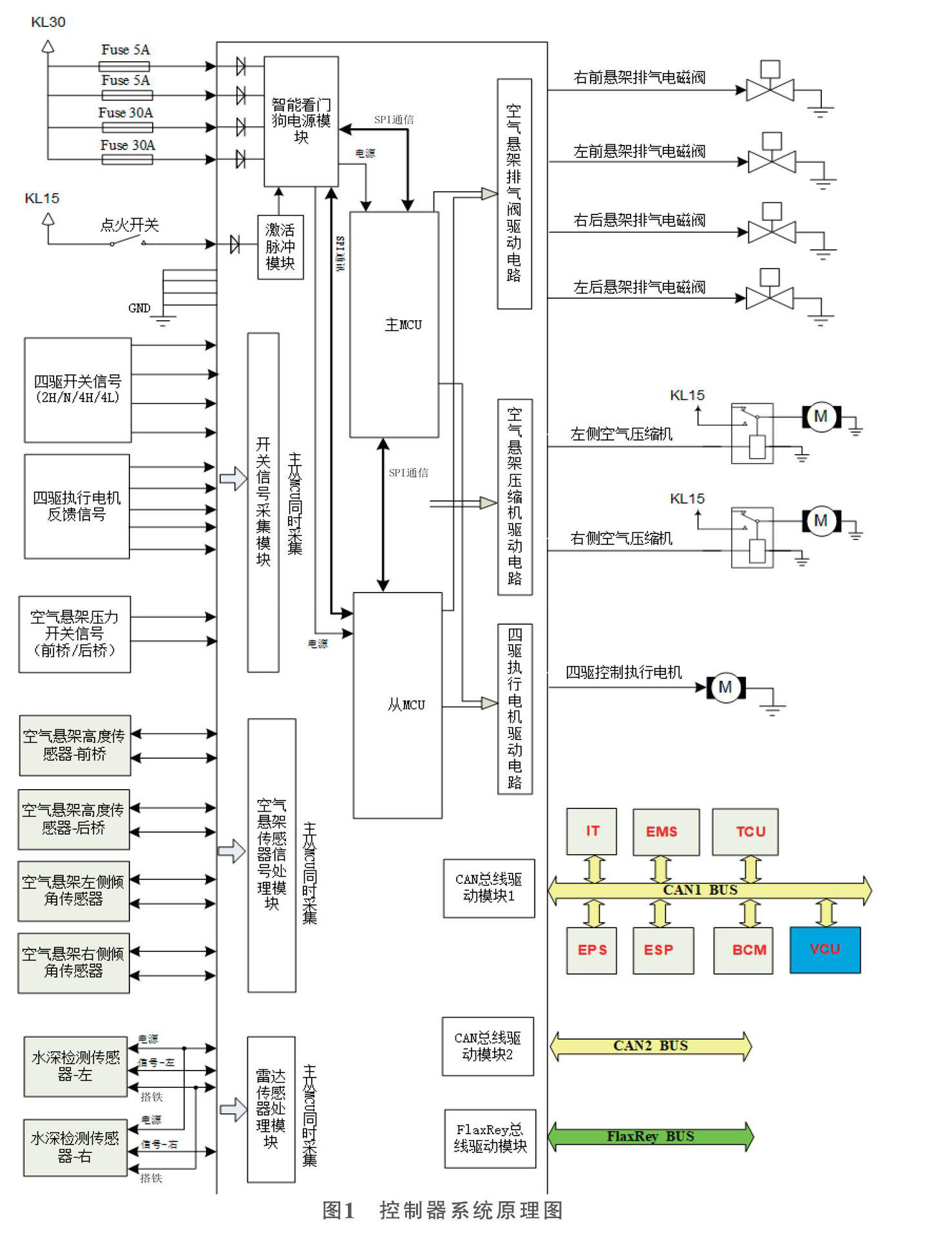
【摘 要】本文针对车辆工况以及驾驶员需求,提出了一种比较创新的“6+X”控制模式,在该底盘控制器中设定节能、舒适、运动、越野、涉水、运输这6种工况模式,驾驶员可以结合个人需求和车辆所处的当前工况环境,一键直达所需要的控制模式,无需再详细考虑空气悬架、分动器、ESP等各个子系统的操作开关。(剩余5844字)
登录龙源期刊网
购买文章
一种多功能底盘控制器设计方案
文章价格:4.00元
当前余额:100.00
阅读
您目前是文章会员,阅读数共:0篇
剩余阅读数:0篇
阅读有效期:0001-1-1 0:00:00