注册帐号丨忘记密码?
1.点击网站首页右上角的“充值”按钮可以为您的帐号充值
2.可选择不同档位的充值金额,充值后按篇按本计费
3.充值成功后即可购买网站上的任意文章或杂志的电子版
4.购买后文章、杂志可在个人中心的订阅/零买找到
5.登陆后可阅读免费专区的精彩内容
打开文本图片集
0 引言
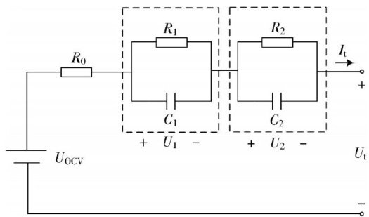
在"双碳”目标引领下,新能源体系的构建已成为我国能源结构调整的核心任务。作为新能源领域的关键技术,动力电池与电动汽车产业持续创新,为能源结构优化和产业升级提供了重要支撑[1-3]。作为电动车辆的核心动力单元,锂离子电池凭借其高存储能量密度、长效循环稳定性及强效功率输出能力等技术优势,在新能源汽车行业得到广泛使用;然而,在实际运行中,它却受制于多变的工作条件和复杂的电化学过程,这类电池呈现出显著的非线性动态特性。(剩余8255字)
登录龙源期刊网
购买文章
基于改进多新息最小二乘算法的锂电池参数辨识研究
文章价格:5.00元
当前余额:100.00
阅读
您目前是文章会员,阅读数共:0篇
剩余阅读数:0篇
阅读有效期:0001/1/1 0:00:00