注册帐号丨忘记密码?
1.点击网站首页右上角的“充值”按钮可以为您的帐号充值
2.可选择不同档位的充值金额,充值后按篇按本计费
3.充值成功后即可购买网站上的任意文章或杂志的电子版
4.购买后文章、杂志可在个人中心的订阅/零买找到
5.登陆后可阅读免费专区的精彩内容
打开文本图片集
中图分类号:TM615 文献标志码:A
0 引言
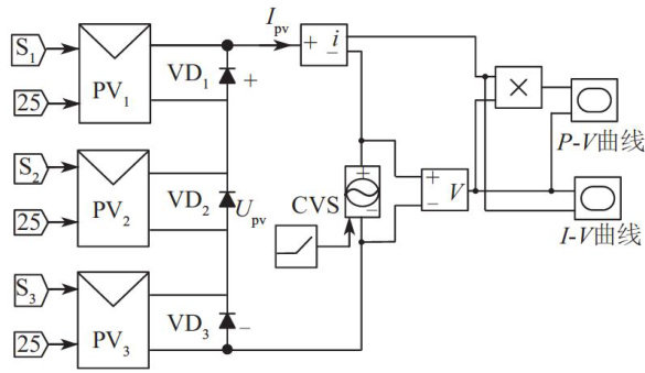
在全球能源结构转型的大背景下,光伏发电系统以其清洁、分布广、易利用和可再生等诸多优势,成为新能源开发利用研究的热点。然而,受到气候环境和太阳辐射的影响,太阳光伏发电系统的能量输出具有波动性和间歇性,且光伏组件的输出特性曲线具有最大功率点的特征,会受到负载等效阻抗、阴影遮挡和热斑等现象的影响,使得系统具有多峰值特性。(剩余17614字)
登录龙源期刊网
购买文章
基于P-V特性曲线的光伏系统MPPT控制方法
文章价格:6.00元
当前余额:100.00
阅读
您目前是文章会员,阅读数共:0篇
剩余阅读数:0篇
阅读有效期:0001-1-1 0:00:00