注册帐号丨忘记密码?
1.点击网站首页右上角的“充值”按钮可以为您的帐号充值
2.可选择不同档位的充值金额,充值后按篇按本计费
3.充值成功后即可购买网站上的任意文章或杂志的电子版
4.购买后文章、杂志可在个人中心的订阅/零买找到
5.登陆后可阅读免费专区的精彩内容
打开文本图片集
中图分类号:TM73 文献标志码:A
0 引言
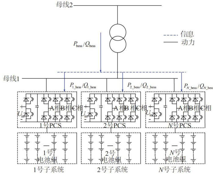
在“双碳”目标下,以风电、光伏等为主的新能源装机容量逐年攀升。与常规能源相比,新能源发电具有的随机性及波动性给电力系统安全稳定运行、电力电量平衡等带来新的挑战。规模化电池储能技术响应速度快、调节精度高,可有效平抑风电波动,使风电波动率满足并网需求,同时具有调频、调压等主动支撑功能以维持电力系统的安全稳定。(剩余16327字)
登录龙源期刊网
购买文章
基于IHAOAVOA的储能电站有功无功功率分配策略
文章价格:6.00元
当前余额:100.00
阅读
您目前是文章会员,阅读数共:0篇
剩余阅读数:0篇
阅读有效期:0001-1-1 0:00:00