注册帐号丨忘记密码?
1.点击网站首页右上角的“充值”按钮可以为您的帐号充值
2.可选择不同档位的充值金额,充值后按篇按本计费
3.充值成功后即可购买网站上的任意文章或杂志的电子版
4.购买后文章、杂志可在个人中心的订阅/零买找到
5.登陆后可阅读免费专区的精彩内容
打开文本图片集
中图分类号:TM464 文献标志码:A
0 引言
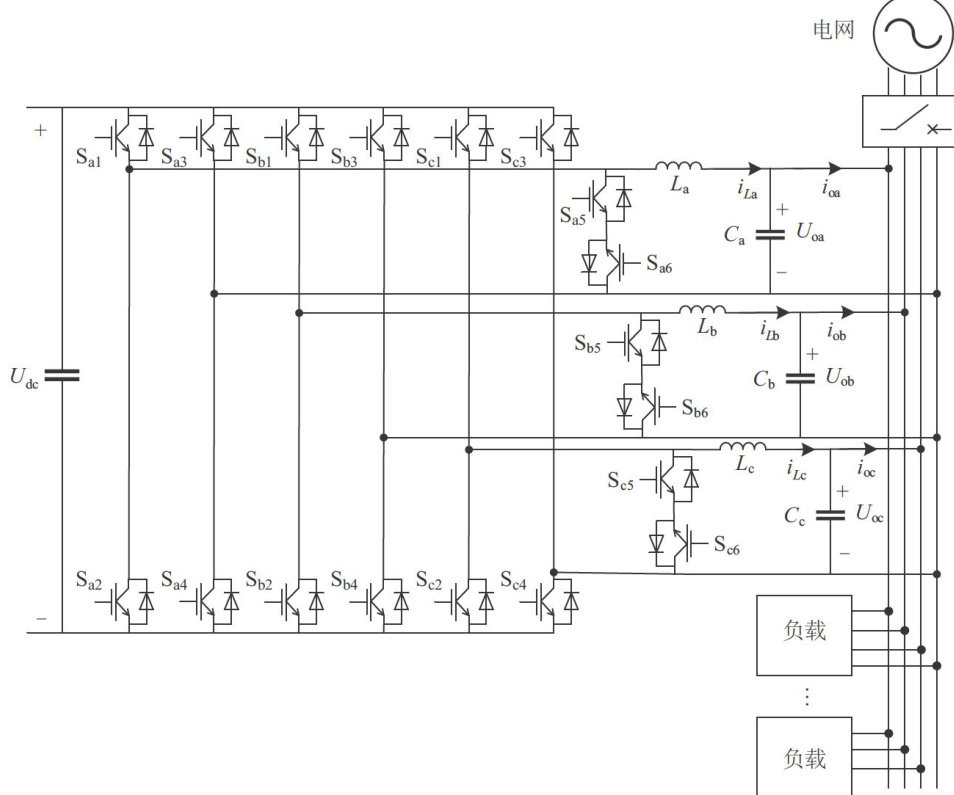
随着新能源发电渗透率的不断提高,微电网发展已受到越来越多关注。微电网在离网运行时负载多为不平衡负载,这会导致逆变器输出不平衡三相电压,由于相间不对称负载在电路和磁路上的强耦合关系,使得三相电压的相位不对称,从而产生不对称三相电压。针对上述问题,诸多学者对此进行了深入研究。(剩余13264字)
登录龙源期刊网
购买文章
组合式非隔离型三相逆变器的下垂控制策略研究
文章价格:6.00元
当前余额:100.00
阅读
您目前是文章会员,阅读数共:0篇
剩余阅读数:0篇
阅读有效期:0001-1-1 0:00:00