注册帐号丨忘记密码?
1.点击网站首页右上角的“充值”按钮可以为您的帐号充值
2.可选择不同档位的充值金额,充值后按篇按本计费
3.充值成功后即可购买网站上的任意文章或杂志的电子版
4.购买后文章、杂志可在个人中心的订阅/零买找到
5.登陆后可阅读免费专区的精彩内容
打开文本图片集
中图分类号:TM73 文献标志码:A
0 引言
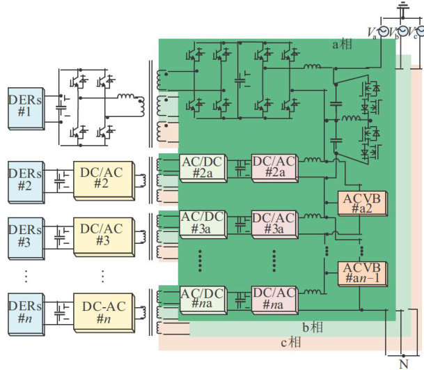
构建新型电力系统是实现“双碳”目标与能源转型的重要途径,光-储系统作为一种新型的清洁能源技术,以其经济价值与环保特性逐渐成为研究焦点[1-2]。在光-储系统中,常见的方式是通过一个两级式变换器将光伏、储能等分布式能源(distributed energy resources,DERs)连接到电网中[3-4],但这种方式存在诸多不足。(剩余14813字)
登录龙源期刊网
购买文章
一种光-储整合系统拓扑及协同控制策略设计
文章价格:6.00元
当前余额:100.00
阅读
您目前是文章会员,阅读数共:0篇
剩余阅读数:0篇
阅读有效期:0001-1-1 0:00:00