注册帐号丨忘记密码?
1.点击网站首页右上角的“充值”按钮可以为您的帐号充值
2.可选择不同档位的充值金额,充值后按篇按本计费
3.充值成功后即可购买网站上的任意文章或杂志的电子版
4.购买后文章、杂志可在个人中心的订阅/零买找到
5.登陆后可阅读免费专区的精彩内容
打开文本图片集
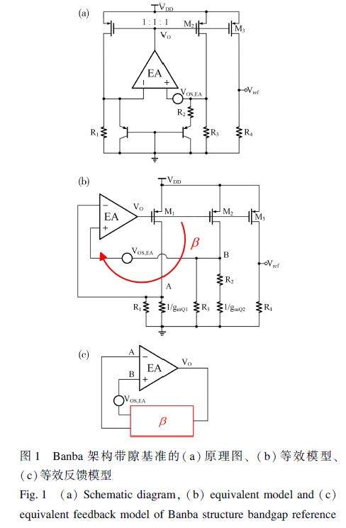
摘 要: 针对传统带隙基准电压源的精度受运放失调电压影响大、电源抑制比(PSRR)受限于环路增益和温度系数大等问题,改进了一种失调抑制结构,在抑制运放失调电压影响的同时,通过PMOS电流镜和反馈环路的特性,提高基准电压的PSRR;还设计了一种曲率补偿电路,利用三极管放大倍数β的温度特性,补偿了三极管负温度系数电压V BE的非线性项。(剩余10931字)
登录龙源期刊网
购买文章
一种高电源抑制比高精度的带隙基准电压源
文章价格:6.00元
当前余额:100.00
阅读
您目前是文章会员,阅读数共:0篇
剩余阅读数:0篇
阅读有效期:0001-1-1 0:00:00