注册帐号丨忘记密码?
1.点击网站首页右上角的“充值”按钮可以为您的帐号充值
2.可选择不同档位的充值金额,充值后按篇按本计费
3.充值成功后即可购买网站上的任意文章或杂志的电子版
4.购买后文章、杂志可在个人中心的订阅/零买找到
5.登陆后可阅读免费专区的精彩内容
打开文本图片集
中图分类号]S222.5 [文献标识码]A
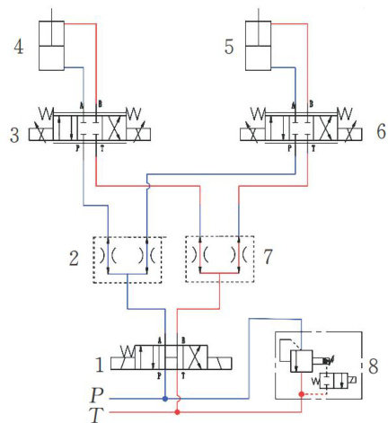
在旋耕机、平地机、深松机、土壤粉碎机、耕耘机等农机具使用中,拖拉机三点悬挂装置有着不可替代的作用[]。该装置可使不同种类的农机具快速挂载到拖拉机上,大幅提高装卸效率;同时,为了更好地控制农机具,通过增设左右提升油缸对三点悬挂装置进行姿态调节,进而精准控制农机具作业姿态,使其能够精准响应操作人员的控制指令,实现协同作业。(剩余8231字)
登录龙源期刊网
购买文章
基于AMESim与Simulink的拖拉机三点悬挂姿态调节的联合仿真
文章价格:5.00元
当前余额:100.00
阅读
您目前是文章会员,阅读数共:0篇
剩余阅读数:0篇
阅读有效期:0001-1-1 0:00:00