化工自动化及仪表

化工自动化及仪表

2025年03期
  • 收藏
收藏成功
微博 空间 微信
《化工自动化及仪表》创刊于1965年,是中国化工科学研究院主管,天华化工机械及自动化研究设计院有限公司主办的工业应用性科...     展开

类型

双月刊

类别

定价
促销信息
全年订阅更优惠!
¥25.00 ¥15.00
目录

综述与评论

磨矿分级主要参数检测研究现状及其发展
摘要磨矿分级过程的精确检测是实现其智能控制的核心技术难题。磨矿分级的关键参数主要包括磨机负荷、矿浆粒度、矿浆浓度及给矿流量,这些参数的检测精度直接决定了生产效率和产品质量。综述了磨矿分级主要参数检测的研究现状与发展趋势,详细阐述了各关键参数...
水处理流程药剂智能注入系统的研究进展
摘要从药剂智能化注入方式、数据预处理技术和智能化模型建立3个方面总结了水处理药剂智能化的研究、应用和社会经济效益。数据收集后在模型训练、测试和验证之前应进行预处理,包含异常值识别和处理、缺失值补充、关联性分析和归一化。药剂智能注入模型分为统...

过程控制

基于自适应控制的LNG中间介质气化器温度控制系统
摘要针对含有时变、时滞、非线性和不确定干扰的LNG接收站中间介质气化器(IFV)温度控制系统,通过研究基于Prpov超稳定性理论的模型参考自适应控制结合PID控制策略,用Smith预估器解决被控对象参数变化的影响,使得IFV温度控制系统克服...
探究再冷凝器液位耦合效应下的LNG接收站低压管网压力控制策略
摘要 液化天然气(LNG)接收站的再冷凝器系统作为主要的闪蒸气(BOG)回收装置,承担着低压LNG前往高压泵区入口缓冲任务,设有多种控制手段同时稳定再冷凝器内部压力与液位。然而,受BOG压缩机与高压泵工况的影响,不同控制回路间的协同控制引发...

检测与仪表

基于腔体检波的GD32单片机石油含水率检测研究
摘要为精准测定石油中的含水率,基于GD32单片机结合腔体检波技术设计了一套石油含水率检测装置,通过将原始数据导入到控制单元处理分析后,即可拟合出相应的含水率预测公式。研究中,石油原料A与B的含水率均与移动距离极大值拟合程度较高,其 R2 分...
动态质量法高压CO2流量计实流检定方法
摘要 针对CCUS-EOR注入站的高压 CO2 流量计精度无法溯源的问题,提出一种动态质量法高压 CO2 流量计实流检定方法,用于工况条件下注入站高压 CO2 流量计的检定。采用动态质量法,虽然测量不确定度相比静态质量法要低,但测量速度快、...
基于微波法的井下含水率在线监测工具设计
摘要利用高频微波测含水原理,设计了一种基于U型天线微波传感器的含水率在线监测工具,可以实现井下原油含水率的在线实时监测。采用AnsoftHFSS三维电磁仿真软件进行了有限元仿真模拟,研究了不同频率、相位变化和幅值变化与含水率的关系,并通过油...
基于微流控技术的润滑油多参量检测方法研究
摘要针对传动系统润滑油在线检测的实际需求和目前微流控检测技术中存在的不足,设计了由微流控芯片、传感信号处理电路两部分组成的油液多参量在线检测传感器。采用电荷放大方式将微流控芯片拾取的油液参量信息转换为电信号,经传感信号处理电路进行多通道信号...

研究与应用

基于知识图谱与深度学习的抽油机故障诊断
摘要针对抽油机故障诊断的载荷-位移示功图训练数据有限、图片形状复杂、类型不平衡等导致示功图识别准确率不高的问题,提出一种融合知识图谱的示功图诊断模型。数据准备阶段用深度学习提取专家知识,构建知识图谱;视觉特征提取阶段用基于空洞卷积和深度可分...
基于聚类算法与树模型的弹簧钢脱碳质量分析预测方法
摘要弹簧钢的脱碳质量对成品钢的性能至关重要,因此提出了一种基于聚类算法与树模型的弹簧钢脱碳质量分析预测方法。首先,采用K近邻(KNN)算法解决数据稀疏性问题;其次,采用孤立森林(IF)算法应对数据离散度高的问题;接着,采用互信息与随机森林结...
考虑钻柱涡动的环空摩阻压降影响因素分析
摘要环空摩阻压降的准确预测是实现井筒压力精确控制的关键,常规的环空摩阻压降预测往往忽略了钻柱运动的复杂性。采用滑移网格方法,开展幂律流体在层流条件下的流动特性分析,研究钻柱涡动和偏心度对环空摩阻压降的影响规律。结果表明,钻柱涡动和偏心度耦合...
可信控制技术在油气生产作业中的应用研究
摘要在油气生产作业过程中,广泛存在甲烷、硫化氢等有毒有害气体泄漏的安全风险,需要建立一套稳定可靠的全流程智能监测与预警方法。近年来,基于物联网、大数据、人工智能等技术的智慧安全从端到云的产品和服务,逐渐应用到油气生产作业过程中。工控信息安全...
基于LoRa物联网的广域实时监测系统
摘要基于远距离无线电(LoRa)技术提出一种远距离监测系统设计方案。利用节点采集数据,由网关接收节点上传的数据包,并将数据包通过UDP上传至云服务器,供用户对数据进行分析处理。节点采用高性能Cortex-M3架构的ARM处理器,处理器通过S...
基于FSA优化CEEMDAN-VMD-BILSTM组合模型的短期负荷预测
摘要由于电力负荷数据的非平稳性和复杂性,传统预测模型难以有效捕捉数据中的关键特征,导致预测精度低,设计并实现了一种基于完全集成经验模态分解(CEEMDAN)和变分模态分解(VMD)的双向长短期记忆网络模型(BILSTM),并使用火烈鸟搜索算...
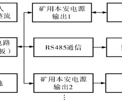
矿用本安电源通信系统设计
摘要针对矿用本质安全电源多路输出运行状态未知、无法快速定位故障点,生产调试及出厂检验效率低的现状,设计开发矿用本安电源参数通信接口电路、底层驱动软件和监测参数显示上位机软件。底层嵌入式软件开发采用C语言进行编程,硬件设计包含A/D采样电路、...
基于IWOA算法的区间二型TSKFLS方法在超声波流量计故障诊断中的应用
摘要提出一种基于改进鲸鱼优化算法(IWOA)的区间二型TSK模糊逻辑系统(IT2TSKFLS)方法,用于超声波流量计的故障诊断。IWOA算法用于优化区间二型模糊系统的参数,提高诊断精度和鲁棒性。通过对比实验,验证了该方法相较于传统优化算法的...
基于SAA-SVM的油田注水管网系统管道故障诊断研究
摘要针对油田注水管网系统不易检修、故障频发的问题,提出了一种基于模拟退火算法(SAA)优化支持向量机(SVM)的故障诊断方法。基于SAA的突跳特性,对支持向量机中的惩罚因子和核函数两个参数进行优化,并将仿真模拟与智能算法训练相结合,计算系统...
基于逐批迭代的内检测数据对齐算法
摘要为了更好地管理内检测数据,提高内检测数据的利用率,利用积累的内检测数据获取管线缺陷的发展趋势,需要对多年份检测数据进行对齐。因此,根据检测数据的特征类型,提出基于逐批迭代的自适应对齐算法,实现了内检测数据的快速对齐。同时,针对大面积缺陷...
基于Copula熵选择多变量LSTM的蒸汽用量预测
摘要提出一种基于Copula熵进行变量选择的多变量LSTM蒸汽用量预测模型。首先,获取实际运行数据;其次,对所获取的多个位号数据进行Copula熵评估选择相关变量;最后,使用评估后相关性强的多个变量基于实际运行数据进行LSTM预测模型的训练...

技改与创新

后处理厂设备联锁控制中的故障安全研究与实现
摘要针对后处理厂中的典型设备联锁控制建立故障树,通过故障树分析法进行故障分析找出导致顶事件发生的底层事件。为了避免或降低后处理厂生产中发生事故,基于典型设备联锁控制中的可能故障,从安全等级设计、设备本身故障安全设计、冗余设计、故障检测、功能...
基于K-means工况聚类的高效脱硝控制系统
摘要选择性非催化还原技术(SNCR)仍然是目前水泥厂控制NOv排放检测的主流技术之一。以某地日产7200t熟料水泥厂脱硝项目为背景,提出基于K-means算法的工况聚类方法,设计高效脱硝控制系统,实现在不同生产工况下动态调整喷枪氨水分配比例...
一种提高大管径管道废气流量测量精度的方法
摘要针对石油石化行业中大管径管道废气流量测量采用插入式匀速管流量计时,对前后直管段的长度要求难以达到的情况,设计了一种加装整流板的方案,整流板经过特殊开孔处理以优化孔隙率。实际应用证明了该方案的可行性。...
相关杂志
订阅全年后,您可享受以下权益
①该本杂志即日起至未来1年内所有更新电子版杂志的使用权限;
②赠送该杂志的部分往期的杂志的使用权限,有效期1年。

全年订购价格: ¥90.00

订阅全年
--%>

登录龙源期刊网

温馨提示:

1.点击网站右上角的“充值”按钮可以为您的账号充值

2.充值金额可以选择30,50,100或500元

3.充值成功后即可购买网站上的任意杂志或文章

还没有龙源账户? 立即注册

购买杂志

化工自动化及仪表

杂志价格:¥15.00元

  • 微信扫码支付
  • 当前余额:100.00

购买杂志

化工自动化及仪表

杂志价格:¥15.00元

  • 微信扫码支付
  • 当前余额:¥100.00

    去充值
monitor
客服机器人