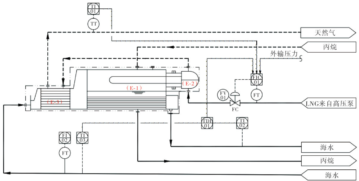
基于自适应控制的LNG中间介质气化器温度控制系统

打开文本图片集
中图分类号 TP273 文献标志码A 文章编号 1000-3932(2025)03-0342-06
大型液化天然气接收站的LNG气化设施,常用的有开架式气化器(OpenRackVaporizer,ORV)浸没燃烧式气化器(SubmergedCombustionVaporizer,SCV)、中间介质气化器(IntermediateMediumVaporizer,IFV)等,无论采用哪种气化器,对于LNG气化后的外输气体的温度都是有着严格要求的,温度过低会造成下游碳钢管线冷脆,影响外输设施安全;过高则会造成整个外输系统能源的浪费。(剩余6928字)