注册帐号丨忘记密码?
1.点击网站首页右上角的“充值”按钮可以为您的帐号充值
2.可选择不同档位的充值金额,充值后按篇按本计费
3.充值成功后即可购买网站上的任意文章或杂志的电子版
4.购买后文章、杂志可在个人中心的订阅/零买找到
5.登陆后可阅读免费专区的精彩内容
打开文本图片集
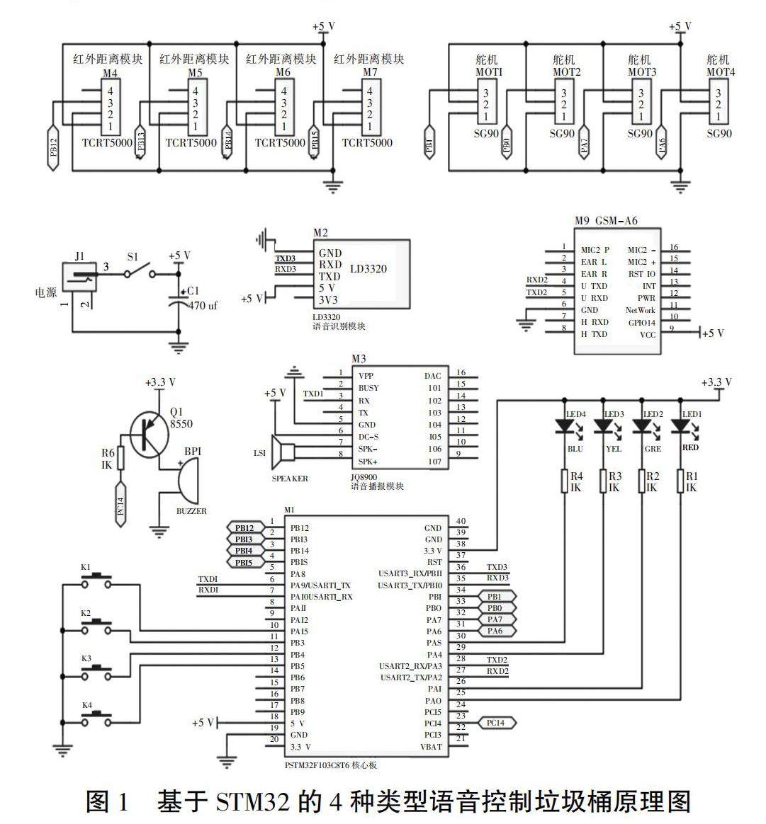
摘 要:随着人们生活水平的提高,也逐渐重视环境的治理。垃圾的分类收集是实现垃圾循环利用的一个有效手段,由于目前的垃圾分类技术还未成熟,该设计仅针对易拉罐、玻璃瓶、塑料瓶和废纸4种类型可回收垃圾进行分类收集。该设计是一种基于STM32的4种语音控制垃圾桶,采用STM32单片机作为微处理器,该系统由语音识别模块、语音输出模块、短信提醒模块、舵机系统、垃圾桶溢出传感器和电源模块等组成。(剩余7927字)
登录龙源期刊网
购买文章
基于STM32的4种类型语音控制垃圾桶设计
文章价格:5.00元
当前余额:100.00
阅读
您目前是文章会员,阅读数共:0篇
剩余阅读数:0篇
阅读有效期:0001-1-1 0:00:00