注册帐号丨忘记密码?
1.点击网站首页右上角的“充值”按钮可以为您的帐号充值
2.可选择不同档位的充值金额,充值后按篇按本计费
3.充值成功后即可购买网站上的任意文章或杂志的电子版
4.购买后文章、杂志可在个人中心的订阅/零买找到
5.登陆后可阅读免费专区的精彩内容
打开文本图片集
0 引言
微型履带式挖掘机的液压系统可分为三泵节流型、双泵节流型和单泵负载敏感型等3种,不同类型的液压系统各有优缺点。本文以微型挖掘机的单泵负载敏感型液压系统为例,分析其行走跑偏影响因素并提出治理措施。
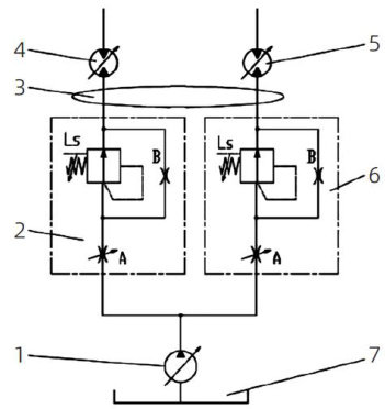
1行走液压系统结构及原理
微型履带式挖掘机单泵负载敏感型液压系统的行走液压子系统,主要由负载敏感泵1、左负载敏感阀2、中心回转体3、左行走马达4、右行走马达5、右负载敏感阀6、液压油箱7等组成。(剩余2356字)
登录龙源期刊网
购买文章
微型履带式挖掘机行走跑偏影响因素及治理措施
文章价格:3.00元
当前余额:100.00
阅读
您目前是文章会员,阅读数共:0篇
剩余阅读数:0篇
阅读有效期:0001/1/1 0:00:00