太原学院学报·自然科学版

太原学院学报·自然科学版

2026年01期
  • 收藏
收藏成功
微博 空间 微信
《太原学院·自然科学版》1998年底经国家新闻出版总署正式批准由内部交流转为公开发行的期刊,2006年更名为《...     展开

类型

季刊

类别

定价
促销信息
全年订阅更优惠!
¥20.00 ¥12.00
目录

建筑学.土木工程

冲击荷载下考虑颗粒破碎的道砟力学性能研究
摘要:为探究道砟在不同冲击高度、冲击次数及三向土工格栅加固条件下的力学行为,基于已有的道砟冲击试验,构建了考虑颗粒破碎的三维离散元模型,以试验中道砟累计沉降值为校核目标进行细观参数标定,确保模型的准确性与可靠性。数值模拟结果表明:道砟的累计...
基于车辆不同间距对桥梁冲击系数的影响研究
摘要:为分析不同车辆间距对桥梁冲击系数的影响,以三辆五轴拖挂车为例,采用单一变量法,分别考虑前车间距、后车间距对桥梁各截面处挠度冲击系数的影响。结果表明:随着车队前车间距变大,桥梁边跨跨中截面处的挠度冲击系数呈先减小后增大的趋势;桥梁中跨跨...

电子科学与技术

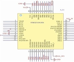
基于STM32的智能门锁控制系统设计
摘要:锁作为安全保障工具,在日常生活中扮演重要角色。针对传统门锁开锁方式单一、钥匙易丢失、安全性不足等问题,将物联网、云平台技术与传统门锁相结合,设计并实现了基于STM32的智能门锁控制系统。系统以STM32单片机为核心控制器,通过BUTT...
新能源汽车永磁同步电机的抗扰模型预测控制系统研究
摘要:为实现对新能源汽车永磁同步电机的转速精准跟踪和增强抗扰动性能,构建了一种基于新能源汽车永磁同步电机的抗扰模型预测控制系统。首先,为提高新能源汽车永磁同步电机动态响应性能,提升新能源汽车永磁同步电机的的抗干扰性能,设计速度环模型预测控制...

机械工程

不同转速下滚动轴承-转子系统的动力响应分析
摘要:高速滚动轴承作为高铁高速齿轮箱等旋转机械的核心支承部件,其动态特性直接影响转子系统的运行稳定性。针对复杂工况下滚动轴承-转子耦合系统表现出的非线性动力学行为,通过建立动力学模型揭示其演变规律。基于赫兹接触理论构建了考虑离心效应、陀螺力...
摩托车冷却系统水循环温度数值模拟及优化研究
摘要:以某高性能摩托车冷却系统为研究对象,从水循环温度一维分析模型搭建、基础实验参数获取、整车流场分析、水循环温度计算及验证、冷却系统优化、整车热平衡实验验证等方面对该摩托车冷却系统水循环温度开展了全面的分析及优化研究。结果表明:在最高车速...
基于SVD的主井载荷监测系统设计及应用
摘要:针对传统主井提升系统依赖于人工巡检和定期维护存在的耗时耗力、实效性差的问题,设计了一款用于新一代主井提升载荷在线检测及故障诊断的系统。该系统包括检测、监测、自查、查询4个方面的功能,能够完成过载检测、卡罐检测、张力不平衡检测、卸载不彻...
一种基于凸轮机构的可扩展车轮
摘要:针对轮式移动机器人越障能力与车轮尺寸之间的矛盾属性,设计了一种基于凸轮机构传动的可扩展车轮。首先,在对可扩展车轮运动步态解析的基础上,完成了主要参数和几何尺寸的计算;其次,运用Soildworks建立了可扩展车轮三维实体模型,并基于A...
港口机械冲压模具装配机设计与分析
摘要:为解决传统港口机械冲压模具装配依赖人工操作且效率低、装配质量不稳定的问题,设计了一种专用的模具装配机。该装配机通过转柱和滑动板的设计,完成了动力和运动的传递;通过拨动机构和成型模的设计,完成了模具的装配功能。设计的装配机具备运行稳定、...

材料科学与工程

WC与SiC材料密封环多场耦合模拟计算及分析
摘要:围绕WC材料与SiC 材料密封环展开研究,运用耦合模拟计算方法,对流固耦合、热固耦合、流固热耦合以及双向流固耦合4种情况分别进行计算。通过分析不同耦合方式下密封环的变形量,深入探究压力场与温度场对固体的影响规律。分析结果为:两种材料密...
高强汽车钢的热加工与组织性能研究
摘要:为了提升高强汽车钢的安全储备能力(强塑积指标),利用扫描电子显微镜、透射电子显微镜和拉伸试验机等仪器,考察了热变形温度对汽车用低碳中锰钢微观结构、物相组成和室温拉伸性能的影响。结果表明:未再结晶区 (825C,925C) 的变形有助于...

计算机科学与技术

嵌入式异质数据库间双向映射转换方法研究
摘要:在嵌入式异质数据库间双向转换过程中,由于数据库结构以及数据之间的关系过于复杂,很难保证转换的高效稳定。针对这一问题,提出嵌入式异质数据库间双向映射转换方法。利用可扩展标记语言(extensible markup language,XM...
相关杂志
订阅全年后,您可享受以下权益
①该本杂志即日起至未来1年内所有更新电子版杂志的使用权限;
②赠送该杂志的部分往期的杂志的使用权限,有效期1年。

全年订购价格: ¥48.00

订阅全年
--%>

登录龙源期刊网

温馨提示:

1.点击网站右上角的“充值”按钮可以为您的账号充值

2.充值金额可以选择30,50,100或500元

3.充值成功后即可购买网站上的任意杂志或文章

还没有龙源账户? 立即注册

购买杂志

太原学院学报·自然科学版

杂志价格:¥12.00元

  • 微信扫码支付
  • 当前余额:100.00

购买杂志

太原学院学报·自然科学版

杂志价格:¥12.00元

  • 微信扫码支付
  • 当前余额:¥100.00

    去充值
monitor
客服机器人