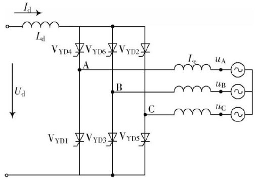
基于阀侧电流不对称性的LCC-HVDC系统换相失败检测

打开文本图片集
中图分类号:TN911.23-34;TM721文章编号:1004-373X(2026)06-0152-08
Detection of commutation failure in LCC-HVDC system based on the currentasymmetryofvalve-side
LIUJietong¹,LIUDui1,2,3,LINBing1,CHENXi1,HE Zhijie¹,LUYu1 (1.CollgefisdjlUia;aioag; 3.CollgeofElectrical Engineeringand Automation,Fuzhou University,Fuzhou 3501o8,China)
Abstract:WiththewidespreadapplicationofHVDCtransmisiontechnologyinlong-distanceandlarge-capacitypower transmisio,line-commutatedconverterbasedhighvoltagedirectcuent(LCC-HVDC)atractsmuchattentioduetoitsunique advantages.However,thesemi-controlleddevicesusedinLCC-HVDCsystemlackself turningoffcapabilityandcommutation failureiseasytooccurincaseoffault,whichgreatlyafectsthestabilityandsafetyofthesystem.Therefore,thedynamic commutationprocessofLCC-HVDCsystemisresearched,thevariationcharacteristicsofthevalve-sidecurrentof theconverter transformerundernormaloperationandACsystemfaultsareanalyzedindetail,andthevariationfeaturesofthiscurrentare extracted.Onthisbasis,acommutationfailurecriterionofLCC-HVDCsystemisproposed basedonitsasymmetry characteristics,enablingrapidandaccurateidentificationofmultiplecommutationfailures.BasedonthePSCAD/EMTDC simulatinplatform,theefectivenessofthismethodundervariousoperatingconditionsisverifiedbymeansofsimulationmodels of CIGRELCC-HVDCsystemand practical double-circuit ransmissionlines modelsonthesametower.Theexperimentalresults indicate thattheproposedcriterionhasfastresponseandhighdetectionaccuracyinmulti-commutation failurescenarios, demonstratingstrongreliabilityandrobustnessandprovidingatheoreticalreferencefortheetectionofcommutationfailurein practical engineering applications.
Keywords:commutation failure detection;LCC-HVDC system;converter transformer;valve-sidecurrent;asymmetry: commutationfailurecriterion;CIGREstandard testmodel
0 引言
电网换相换流器的高压直流(Line-CommutatedConverter based High Voltage Direct Current,LCC -HVDC)系统因其在远距离、大容量输电中的显著优势,已成为跨区域电力传输的主流技术1-2]。(剩余9660字)