一种弹载设备总线通信扩展模块设计与实现

打开文本图片集
关键词:通信扩展模块;弹载设备;串行通信;HDLC协议;SoC;总线数据传输中图分类号:TN919.6-34;V243.1 文献标识码:A 文章编号:1004-373X(2026)06-0083-06
Design and implementation of bus communication expansion module for missile-borne equipment
FANShanyu1,FANZhouhua¹,ZHANGHao1,CHENGLei¹,WANGXiang² (1.DeparmntofOnboardMisileControlEqupent,BeijingIsituteofComputerechologyndApplications,Xi'an7a; 2.DepartmentofMilitaryComputingandStorage,BeijingInstituteofComputerTechnologyandAplications,Xi’anooChina)
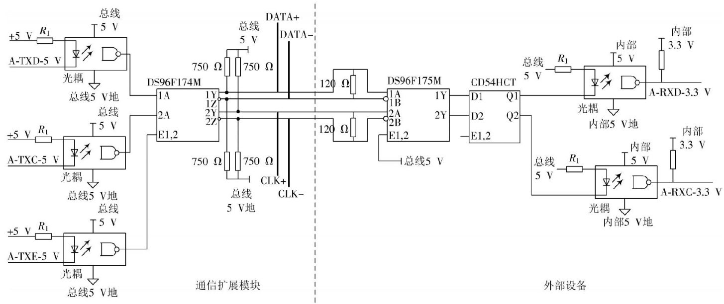
Abstract:Inordertoachievethemodularizationofcommunicationbusinterfacesbetweenmisile-bornedevicesand improvetheflexibleconfigurabilityofcommunicationinterfaces,aRS485buscommunication expansionmodulebasedonafuly programmablesystem-on-chip(SoC)isdesigned.Themoduleconsistsoffour-chanelRS485interfaces,adomesticallyproduced SoCchip,andrelatedperipheralcomponents.TheSoCisintegratedprogrammablelogic (PL)andprocessorsystem(S).ThePL canrealize high-leveldatalinkcontrol(HDLC)protocoldataparsingandeficientdataforwardingamongthefourbusesby means of thesoftcoredesignof HDLC protocolIP.PScancontrolthetransmissionof specificbusdataandreaddata fromthe receivebuferbyconfiguring thedynamicregistersandtranseiverbufersoftheHDLCIPsoftcoreinsidethePL.The communicationexpansion modulecancommunicatewith externaldevicesbymeansof synchronoushalf-duplex serial communicationmethod,andcanprformidependentbusdatatransmisionwithexteraldevicesthroughfour-chanelR485 bus.Onebuscanalsobeusedasthemainbus.Afterreceivingthedatasentbyexternaldevices tothebus,themainbuscan quicklyforwardthedatatoother three slavebuses.Theexperimentalresults indicatethatthiscommunicationcontrolmodulecan accuratelycompleteindependentbusdata transmisionanddataforwardingamong busesatacommunicationrateof 4Mb/s,and maintain zero errors during the HDLC encoding and decoding process.
Keywords:communication expansionmodule;missle-borneequipment;serialcommunication;;HDLC protocol; SoC;bus data transmission
0 引言
RS485总线通信作为弹载设备之间广泛使用的一种收稿日期:2024-11-21 修回日期:2025-01-23通信方式,具有传输速率高、抗干扰能力强、支持多节点连接等特点。(剩余5850字)