注册帐号丨忘记密码?
1.点击网站首页右上角的“充值”按钮可以为您的帐号充值
2.可选择不同档位的充值金额,充值后按篇按本计费
3.充值成功后即可购买网站上的任意文章或杂志的电子版
4.购买后文章、杂志可在个人中心的订阅/零买找到
5.登陆后可阅读免费专区的精彩内容
打开文本图片集
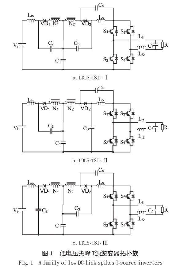
摘 要:针对于T源逆变器因漏感导致的直流链电压尖峰问题,通过对T源阻抗网络进行优化并调整各元件的位置,提出低直流链电压尖峰T源逆变器拓扑族。该文对新提出拓扑的工作模态进行详细分析,进而推导出各元件的电压、电流应力。此外,通过与传统T源逆变器在升压比方面进行对比,证明出在相同的直通占空比和耦合电感匝数比情况下,低直流链电压尖峰T源逆变器拥有更好的升压能力。(剩余11670字)
登录龙源期刊网
购买文章
一族具有直流链电压尖峰抑制的T源逆变器
文章价格:6.00元
当前余额:100.00
阅读
您目前是文章会员,阅读数共:0篇
剩余阅读数:0篇
阅读有效期:0001/1/1 0:00:00