注册帐号丨忘记密码?
1.点击网站首页右上角的“充值”按钮可以为您的帐号充值
2.可选择不同档位的充值金额,充值后按篇按本计费
3.充值成功后即可购买网站上的任意文章或杂志的电子版
4.购买后文章、杂志可在个人中心的订阅/零买找到
5.登陆后可阅读免费专区的精彩内容
打开文本图片集
中图分类号:TH137 文献标志码:A 文章编号:1671-0797(2025)11-0062-03
D0I:10.19514/j.cnki.cn32-1628/tm.2025.11.014
0 引言
随着城市建设和汽车行业的迅速发展,立体车库越来越多,有效解决了城市停车难问题。为提高立体车库取车效率,载车器运行速度常设置过高,易发生载车器过放事故,即载车器实际停车位超越限定停车线。(剩余2551字)
登录龙源期刊网
购买文章
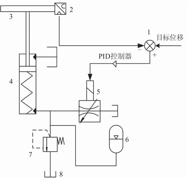
基于PID控制的立体车库载车器定长液压缓冲系统设计
文章价格:3.00元
当前余额:100.00
阅读
您目前是文章会员,阅读数共:0篇
剩余阅读数:0篇
阅读有效期:0001-1-1 0:00:00