注册帐号丨忘记密码?
1.点击网站首页右上角的“充值”按钮可以为您的帐号充值
2.可选择不同档位的充值金额,充值后按篇按本计费
3.充值成功后即可购买网站上的任意文章或杂志的电子版
4.购买后文章、杂志可在个人中心的订阅/零买找到
5.登陆后可阅读免费专区的精彩内容
打开文本图片集
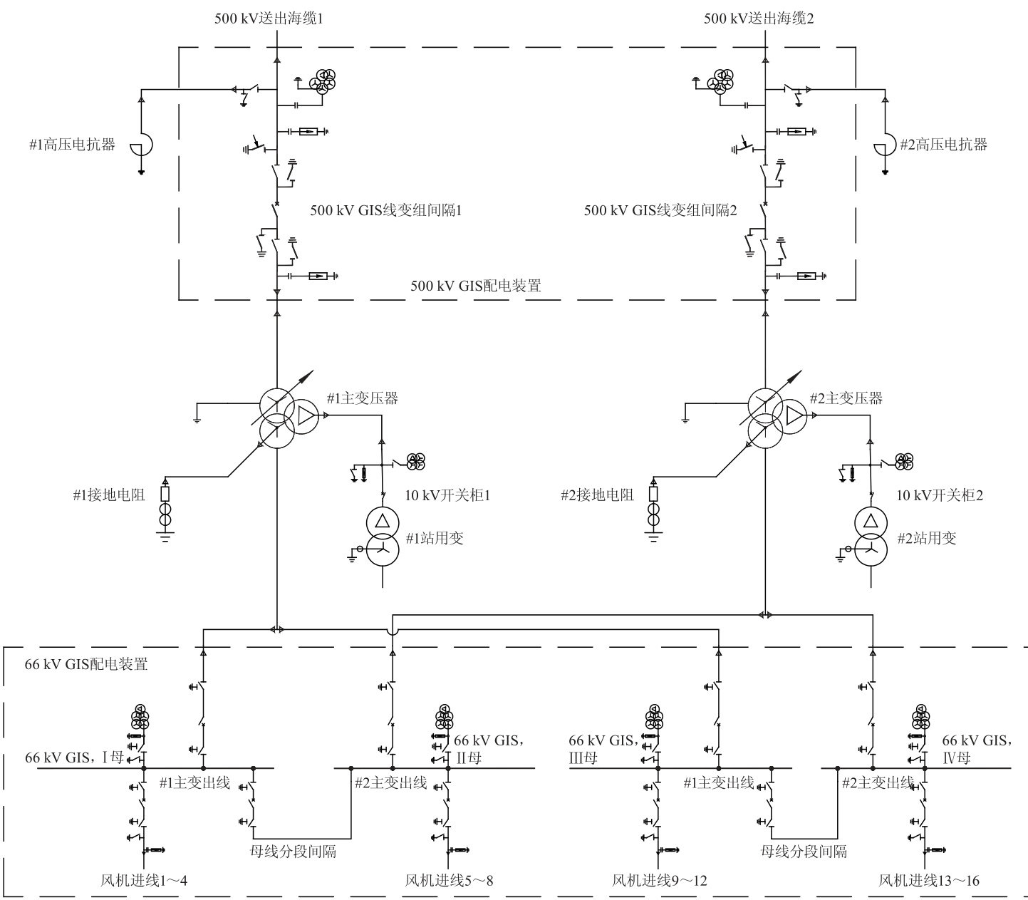
关键词:海上风电;500kV海上升压站;电气主接线;主变压器;深远海中图分类号:TM614 文献标志码:A文章编号:1671-0797(2025)11-0024-05D0l:10.19514/j.cnki.cn32-1628/tm.2025.11.006
0 引言
为落实“双碳”目标,同时带动经济社会的高质量发展,国家和政府对推动海上风电产业发展作出了政策决策,积极引导产业规划布局。(剩余6311字)
登录龙源期刊网
购买文章
1000MW级500kV海上升压站电气主接线方案研究
文章价格:5.00元
当前余额:100.00
阅读
您目前是文章会员,阅读数共:0篇
剩余阅读数:0篇
阅读有效期:0001-1-1 0:00:00