金属加工·冷加工

金属加工·冷加工

2025年10期
  • 收藏
收藏成功
微博 空间 微信
《金属加工》创办于1950年,始终服务于金属加工领域,作为我国金属加工技术发展历程的忠实记录者和传播者,为广大企业和读者...     展开

类型

月刊

类别

定价
促销信息
全年订阅更优惠!
¥20.00 ¥4.90
目录

专题策划:航空航天制造技术与装备

低压涡轮机匣加工工艺
摘要:低压涡轮机匣作为航空发动机的关键部件,在焊接法兰、内型槽及外型面铣削加工时变形较大,零件加工工艺性差,孔加工精度要求高。控制加工变形是低压涡轮机匣加工过程中亟待解决的问题。通过分析低压涡轮机匣结构,设计专用定位工装,优化机匣加工工艺及...
基于特征的航空发动机机匣数控智能编程技术
摘要:基于航空发动机机匣制造全流程贯通,以数字化技术为依托,研究构建集成数字孪生的虚拟机床库、数字李生刀具库、矩阵式切削参数数据库、产品特征类型数据库以及加工路径规划策略库的软件系统平台,通过航空发动机机匣制造经验的积累和共享,实现工艺要素...
航空发动机零件数控加工技术的应用现状与发展趋势
摘要:系统梳理了近年来航空发动机零件五轴数控加工技术的发展历程,重点关注了刀具路径规划与优化以及误差控制与补偿等关键技术领域的最新进展。通过对国内外相关研究成果进行分析与总结,探讨当前技术发展现状以及未来发展趋势,为相关领域的研究工作提供参...

工艺方案

薄壁支架腰形深孔分层钻铣加工方案
摘要:针对薄壁支架产品腰形深孔的加工难点进行工艺研究,通过创新夹具压紧机构,配合数显扭力扳手降低工件压紧变形,使用液压刀柄配合加长立铣刀保证刀具切削精度,采用分层递进式钻铣加工方案,分层分步将腰形深孔加工成形,保证了产品的尺寸精度。...
动车盘毂高精度位置度加工控制
摘要:针对某型号动车盘毂加工过程中出现的内孔位置度超差问题,系统分析机床误差、工艺参数及检测方法等因素,通过工装优化、机床精度控制及找正方法改进等综合解决方案,显著提升了加工一致性。并结合理论计算与工程实践,总结出保证位置度的关键控制要点,...
复杂壳体零件电火花高效加工方法
摘要:以复杂壳体零件侧壁的多孔加工为例,针对电火花加工效率低和设备利用率低的问题,分析影响因素并提出优化工装夹具和改进加工流程的方案,通过改进电极结构设计、采用并行加工策略及优化工艺参数的方式,实现了多个方孔同时加工,提升了电极互换性和加工...
双列调心滚子轴承外圈滚道面加工工艺优化
摘要:以双列调心滚子轴承热处理后的外圈滚道面加工为例,针对车刀刀尖经过油孔时出现的振刀问题,对外圈滚道面热处理后的加工工艺流程进行优化,减少振刀现象、提高零件精度的同时也提高了加工效率。关键词:双列调心滚子轴承;外圈滚道面;车削;磨削;精度...
镗轴精磨时的变形分析及控制
摘要:针对镗轴自身质量大、加工精度高的特点,重点分析精磨加工中的受力变形及相应的控制方法。通过中心架支撑降低外力影响,保持其重力自然变形的稳定,并总结出中心架调节、顶尖压力调整及磨削参数优化等实际加工经验。...
高精度薄壁零件加工变形解决方案
摘要:通过具体的加工实例,介绍一种利用粘胶紧固和橡胶泥辅助支撑相结合的高精度薄壁零件加工变形解决方案,采用粘接代替传统的压紧方式,有效解决了装夹及回弹变形难题;通过橡胶泥在零件的加工部位进行支撑,既能够加强零件的刚性,也能够有效消除振动,很...

机床/附件/工装

高温合金薄壁环件车削变形控制方案
摘要:以两个GH4169镍基高温合金薄壁环件为案例,研究变形控制的方案,发现采用夹具辅助支撑环件内腔和辅材填充支撑环件内腔来提高加工处刚性,可改善薄壁零件车削变形,并且此方案应用范围广、效果明显。关键词:高温合金;薄壁环件;夹具辅助支撑;辅...
FANUC数控系统机床反向间隙的测量与补偿
摘要:机床经过多年的使用,其重复定位精度都有不同程度的降低。针对这种情况,通过对机床的反向间隙进行测量,在机床系统参数中对各个轴进行重新补偿,可以有效地提高机床的加工精度,从而有效保证零件的加工质量。...
曲轴圆角深滚压机床的设计
摘要:针对曲轴在长期使用过程中容易出现轴颈磨损和疲劳断裂的问题,设计了曲轴圆角深滚压机床和曲轴校直机床。阐述曲轴圆角深滚压机床总体设计,并详细分析了关键构件和机械动作顺序。关键词:曲轴;主轴颈;连杆颈;滚压机床...

刀具

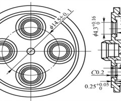
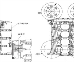
基于切削仿真的立装刀片粗铣刀盘设计
摘要:在汽车动力总成加工领域,发动机缸体底平面的粗加工因其材料硬度高、加工余量大,导致传统刀具磨损严重,频繁更换刀具增加了生产成本。为解决这一问题,基于切削仿真技术提出了一种废角刀片面铣刀盘方案,通过优化刀片的主偏角和后角,并利用有限元分析...
数控刀具应用禁忌案例分析
摘要:聚焦于数控刀具应用中的禁忌案例,通过对实际案例深入剖析,揭示了数控刀具在使用、操作及维护过程中的常见错误和潜在风险。研究发现,刀具的过度磨损、不当操作以及材料选择不当是引发数控刀具失效和安全事故的主要原因。通过提出针对性的预防措施,旨...
铣槽刀与镗刀刀柄组合加工微小环形槽工艺技术
摘要:将线切割制成的单刃铣槽刀安装于精密镗刀刀柄上,通过镗刀刀柄微调机构实现铣槽直径的微米级控制。该结构可应用于精密微小的环形槽加工,稳定控制槽宽与位置精度,解决传统加工方式中装夹复杂、尺寸控制难等问题,适用于结构受限条件下的精密槽加工。...

智能制造

铝合金焊缝自动化打磨技术
摘要:提出了一种高效、可靠的铝合金焊缝自动化打磨方案,利用机器人铣削技术、机器人打磨技术和3D视觉测量技术,可代替人工打磨作业实现自动化生产,提高生产效率、改善作业环境,为后续铝合金焊缝自动化打磨提供技术支持。...
基于ICAM的五轴机床跨象限问题的解决方法
摘要:针对五轴数控机床加工过程中常见的跨象限问题进行了深入研究。通过分析五轴后置处理算法中C轴摆动角度(以下简称C轴摆角)累加导致刀具运动超出机床行程限制的根本原因,提出了基于消除C轴摆角累加过程的解决方案,并在分层铣削分离点处重置C轴摆角...

维修与改造

大规格无心剥皮机加工质量分析及五心同轴度调整方法
摘要:阐述了大规格无心剥皮机的工作原理及各部件同轴度对加工质量的影响,结合设备的结构及生产实践,给出大规格无心剥皮机同轴度的检测、调整方法及相应的工具工装。 关键词:大规格;无心剥皮机;同轴度;加工质量;检测;调整...
基于西门子828D数控系统实现刚性攻螺纹中断返回功能
摘要:讲述了异步子程序在西门子828D数控系统中的使用方法,并且利用异步子程序实现刚性攻螺纹的回退功能。当机床故障造成丝锥卡在工件里时,能够快速地从工件里退出,避免工件和丝锥的损坏,提高了排除故障的效率。...
钣金件压筋加工方法改进与参数补偿机制
摘要:研究了钣金件压筋加工中存在的材料浪费与尺寸不稳定问题,分析了传统工艺流程的不足与成形参数变化规律。通过引入三维模拟分析、激光视觉检测与数控激光补偿技术,实现压筋前下料图形的精确修正,从而提升加工精度与生产效率。研究表明,该方法可有效避...
西门子触摸屏典型故障分析及解决办法
摘要:以一西门子触摸屏典型故障为例,对故障进行分析后,简述如何通过不同的技术方案,快速恢复设备正常运行。...

信息之窗

欢迎关注:金属加工在线
“金属加工在线”汇聚新闻、技术、产品与市场等内容,纸媒、数字媒体、活动、图书与服务五位一体,是该领域一流的信息服务平台和推广服务平台。...
欢迎关注“机工刀具世界'微信公众号
“机工刀具世界”定位于指导制造企业一线技术员工如何合理选择和使用数控刀具,介绍数控刀具使用技巧。关注刀具行业最新技术进展,为广大制造企业推荐先进、实用数控刀具产品。 扫描二维码即可关注!...
《金属加工 (冷加工)》 “工匠故事”栏目征稿
为传承老一辈工匠的优良传统,彰显新时代工匠的拼搏精神,《金属加工(冷加工)》开设“工匠故事”栏目,文章内容以倡导和弘扬“工匠精神”为主题,以解决生产技术难题为主线,言之有物、物为所用,用多种形式来呈现和讲述创新技艺、传承工匠精神的匠心故事。...
《金属加工(冷加工)》‘机床/附件/工装”栏目征稿
《金属加工(冷加工)》杂志设有多个常规栏目,现“机床/附件/工装”栏目面向广大制造业的业内人士征集稿件,欢迎各位踊跃投稿。 征稿内容:机床/加工中心的整体设计及制造;关键附件的设计制造,如电主轴、大型轴承、大重型滚动功能部件;冷加工中使用的...
《金属加工(冷加工)》“刀具”栏目征稿
《金属加工(冷加工)》杂志设有多个常规栏目,现“刀具”栏目面向广大的制造业业内人士征集稿件,欢迎各位踊跃投稿。 “刀具”栏目征稿内容: 1.国内外数控切削刀具的发展变化,刀具材料、刀具形状及切削技术等的革新与升级。 2.某难加工工件或者材料...
相关杂志
订阅全年后,您可享受以下权益
①该本杂志即日起至未来1年内所有更新电子版杂志的使用权限;
②赠送该杂志的部分往期的杂志的使用权限,有效期1年。

全年订购价格: ¥117.60

订阅全年
--%>

登录龙源期刊网

温馨提示:

1.点击网站右上角的“充值”按钮可以为您的账号充值

2.充值金额可以选择30,50,100或500元

3.充值成功后即可购买网站上的任意杂志或文章

还没有龙源账户? 立即注册

购买杂志

金属加工·冷加工

杂志价格:¥4.90元

  • 微信扫码支付
  • 当前余额:100.00

购买杂志

金属加工·冷加工

杂志价格:¥4.90元

  • 微信扫码支付
  • 当前余额:¥100.00

    去充值
monitor
客服机器人