注册帐号丨忘记密码?
1.点击网站首页右上角的“充值”按钮可以为您的帐号充值
2.可选择不同档位的充值金额,充值后按篇按本计费
3.充值成功后即可购买网站上的任意文章或杂志的电子版
4.购买后文章、杂志可在个人中心的订阅/零买找到
5.登陆后可阅读免费专区的精彩内容
打开文本图片集
中图分类号:F830 文献标志码:A
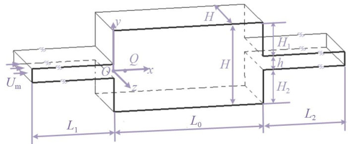
具有对称结构的扩缩通道中的流体流动存在非线性现象,其二维模型和三维模型中流动规律和非线性特性存在差异。实际工程问题严格说都是三维的,需要用三维模型来表征。但是,有些三维模型,当某个方向上物理和相应的几何条件具有某种一致性时,三维模型所表征的物理量在这个方向上没有变化,即解是二维的。(剩余13702字)
登录龙源期刊网
购买文章
二维和三维对称扩缩通道流动的非线性特性
文章价格:6.00元
当前余额:100.00
阅读
您目前是文章会员,阅读数共:0篇
剩余阅读数:0篇
阅读有效期:0001/1/1 0:00:00